
Have a question?
Notified by email when this product becomes available
- Description
- User Manual
- Payment methods
- Warranty
PID temperature regulator for panel mounting with built-in timer, measuring range -100 °C ... +1750 °C, resolution / step 0.1ºC (made in Turkey, TENSE)
Control and monitoring of thermal processes in heating, air conditioning, and ventilation systems, building automation, industrial plants.
The temperature regulator operates with on/off control or PID regulation. The regulator allows for self-optimization, preventing process values from being exceeded.
Automatic PID parameter tuning
- Sensor type: T/C (J,K,T,S,R), Pt100
- Selectable control type: P, PI, PD, PID or ON-OFF
Automatic removal of 'excess' in PID mode
- prevention of winding
Delay on for OUT in cooling mode
Password protection
EEPROM memory for storing settings
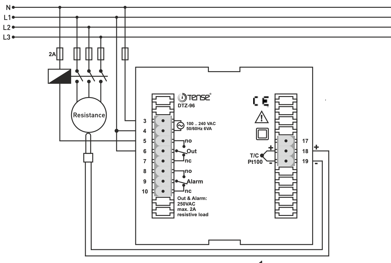
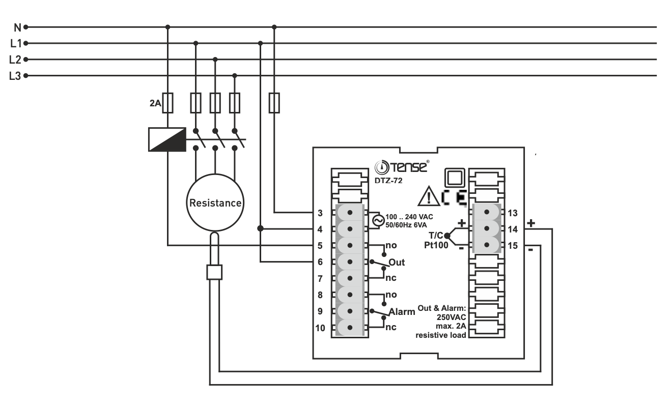
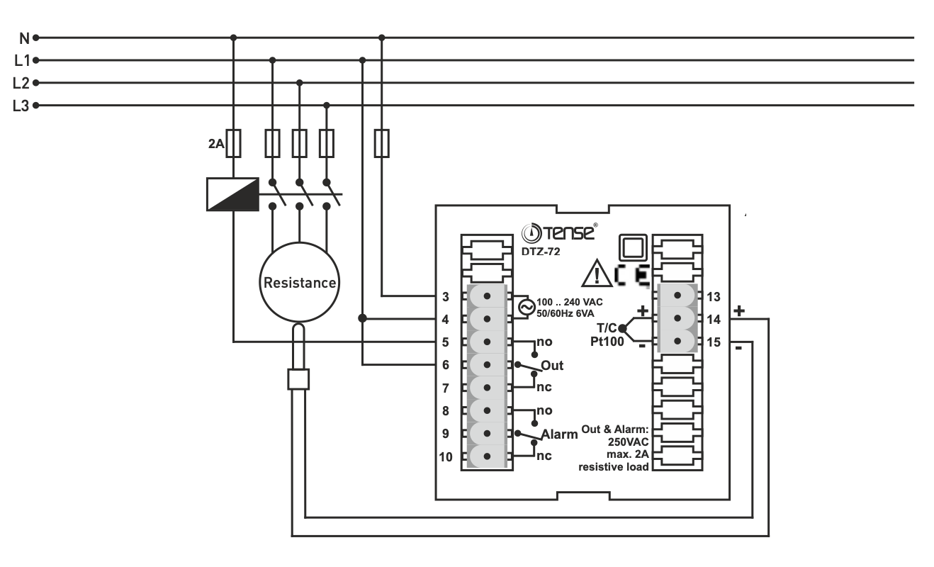
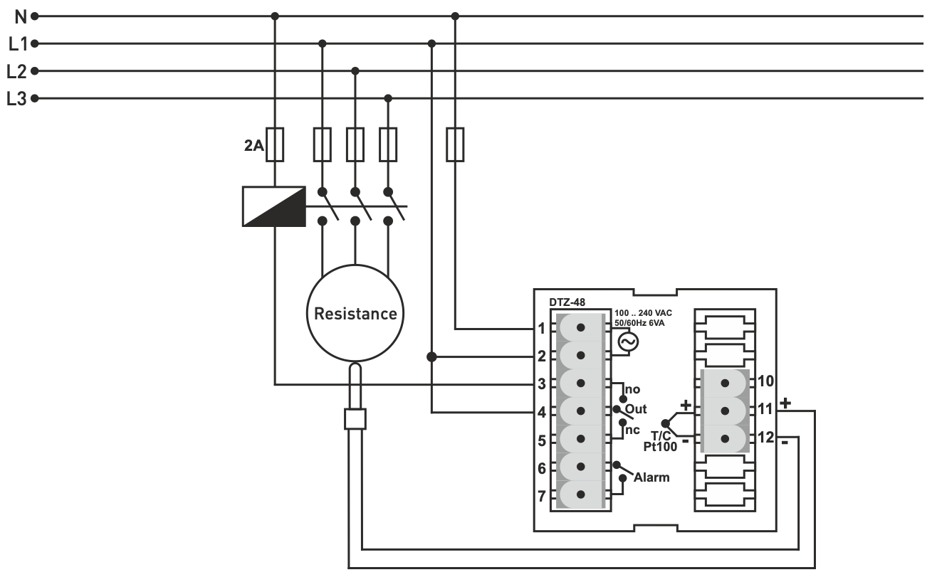
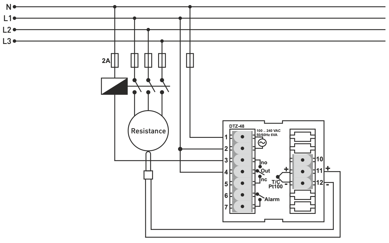
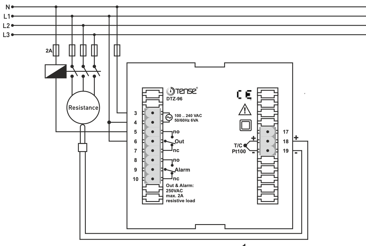
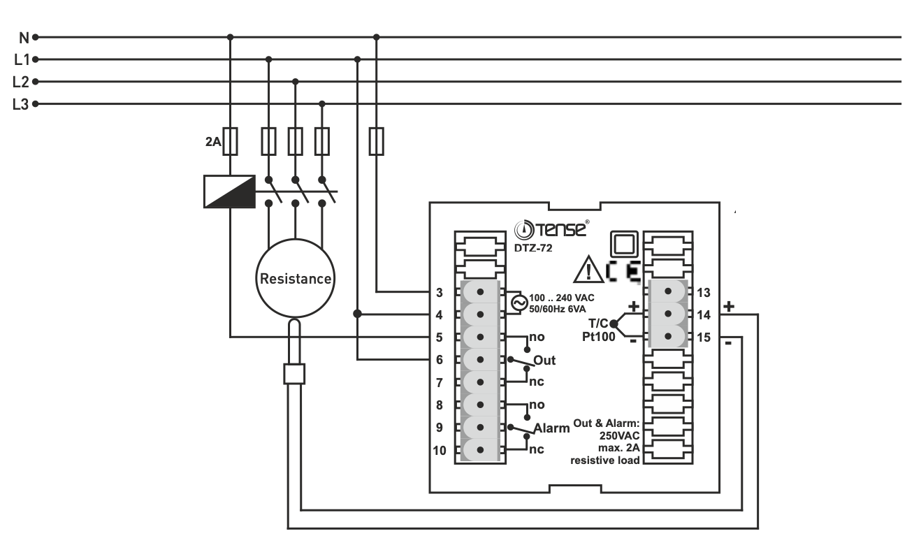
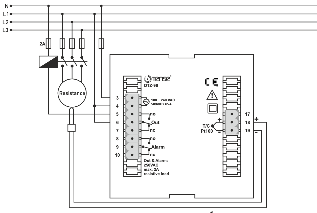
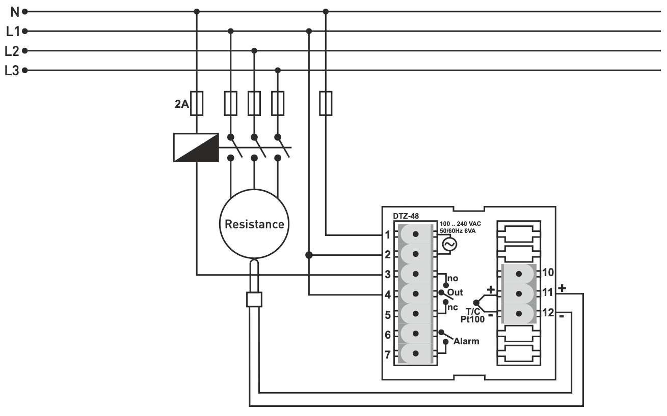
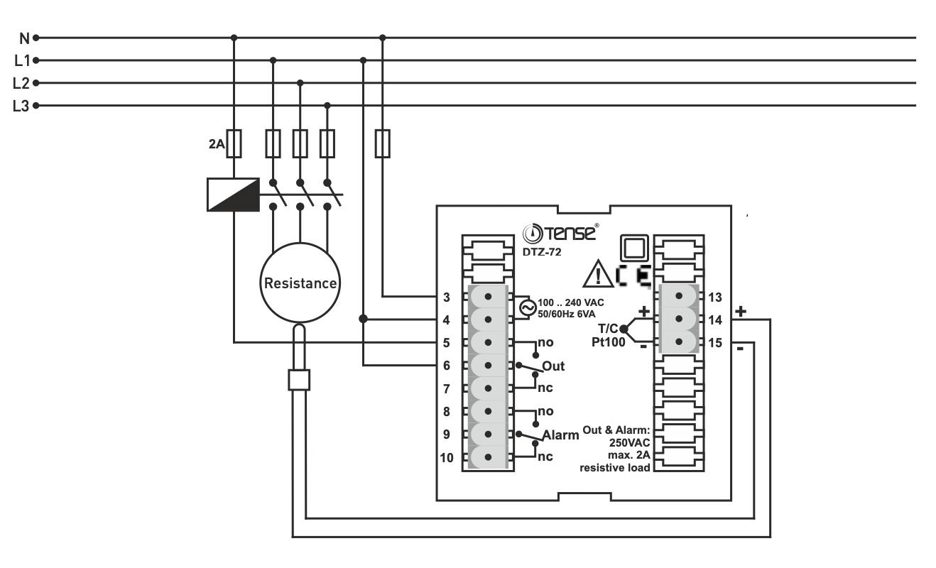
Relay outputs OUT and ALARM (NO+NC) 250 VAC, 2A (ALARM activated only at DTZ-48)
The measuring range depends on the sensor and can be set using the buttons on the temperature controller.
The display of the temperature controller is a high-contrast display that can be accurately read only in poor conditions. In addition to the control output, the temperature regulator has an additional alarm relay that closes a potential-free contact if the value is exceeded or not reached.
Don't forget to order our temperature sensors - type J thermocouple Fe-Const (metric 6/8) with a measuring range: -100 °C - +600 °C. Available with cable lengths of 1 m, 1.5 m, 2 m, 2.5 m, 3 m, 4 m, and 5 m.
Prenesi na
Online payment by card - after completing the order you will be redirected to the payment gateway, payment confirmation will be sent to your e-mail
COD - you pay the payment by money order to the carrier's driver
By bank transfer - no later than the next working day, you will receive an advance invoice to your e-mail, which contains the account number that you will enter when making the payment.
On pro forma invoice - this payment option is available to partners who have signed a framework agreement with our company.
If you want to use the last 2 methods, please call our manager and he will give you instructions on how to receive an invoice with or without VAT.
The electrical equipment we supply meets high quality standards, has a 24-month warranty, and meets all EU requirements.
In the event of a complaint, the return of goods will not be charged.
