
Have a question?
Notified by email when this product becomes available
- Description
- User Manual
- Payment methods
- Warranty
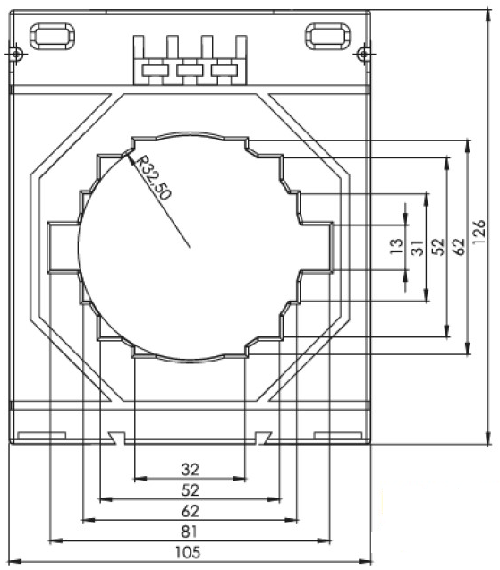
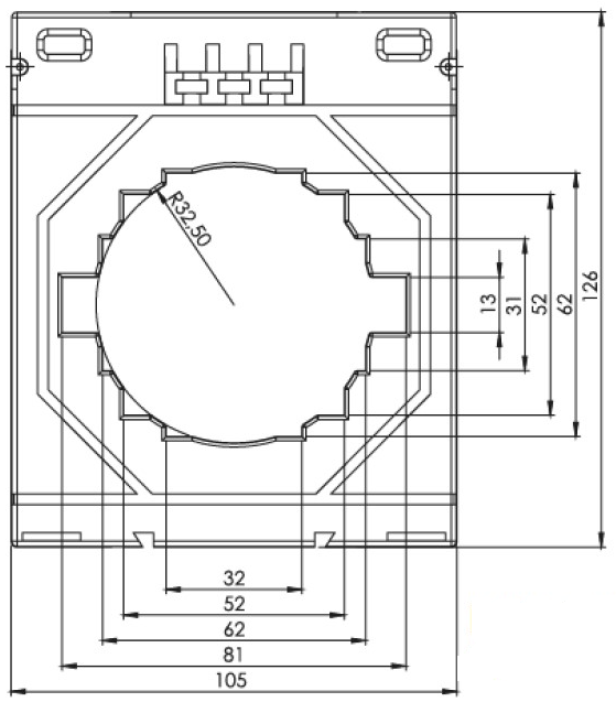
Sliding measuring transformer for primary rated currents of 1500 A, secondary current 5 A, rated outputs 25 VA, available in accuracy class 0.5S.
Sliding current transformer for indirect measurement of sinusoidal alternating currents.
Mounting of the transformer is possible with the mounting legs that are included.
Prenesi na
Tehnične informacije o tokovnih transformatorjih (996 kB) - pošljemo na zahtevo
Online payment by card - after completing the order you will be redirected to the payment gateway, payment confirmation will be sent to your e-mail
COD - you pay the payment by money order to the carrier's driver
By bank transfer - no later than the next working day, you will receive an advance invoice to your e-mail, which contains the account number that you will enter when making the payment.
On pro forma invoice - this payment option is available to partners who have signed a framework agreement with our company.
If you want to use the last 2 methods, please call our manager and he will give you instructions on how to receive an invoice with or without VAT.
The electrical equipment we supply meets high quality standards, has a 24-month warranty, and meets all EU requirements.
In the event of a complaint, the return of goods will not be charged.
