
Have a question?
Notified by email when this product becomes available
- Description
- User Manual
- Payment methods
- Warranty
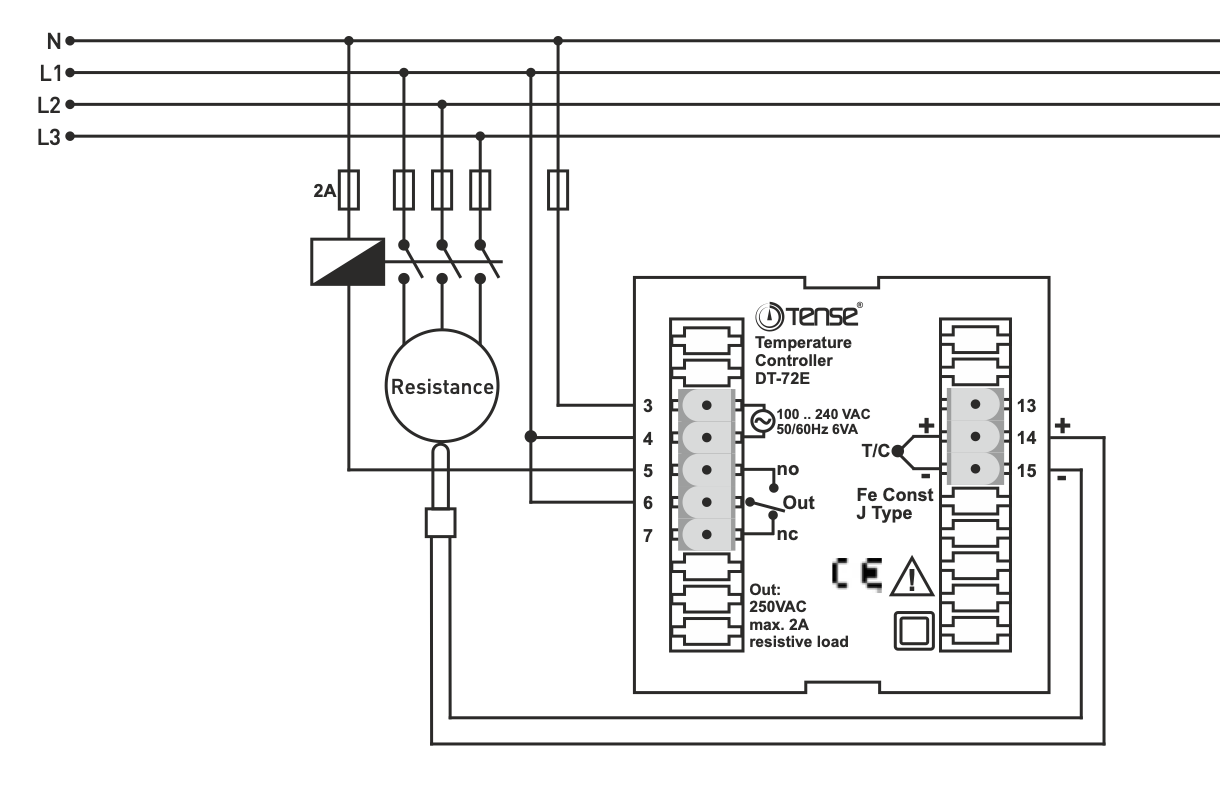
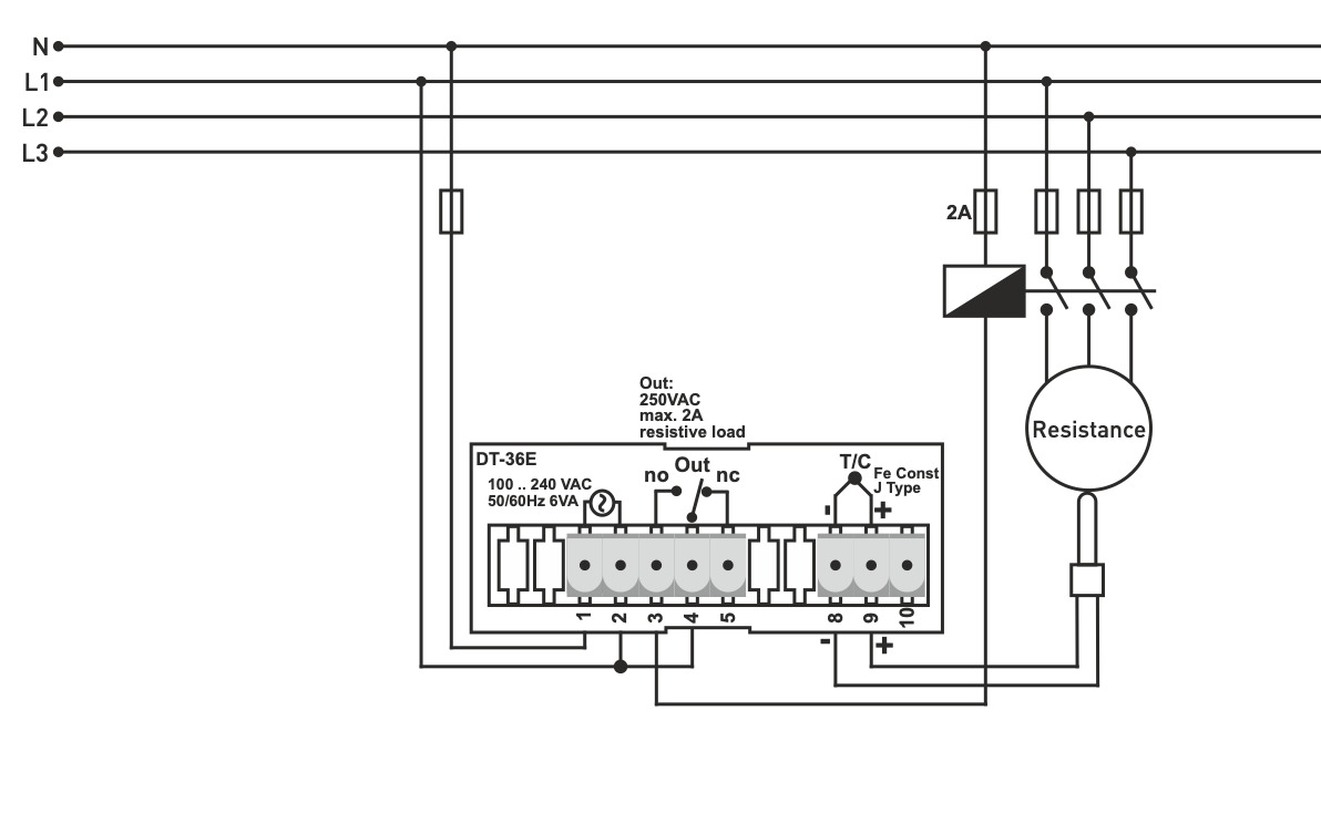
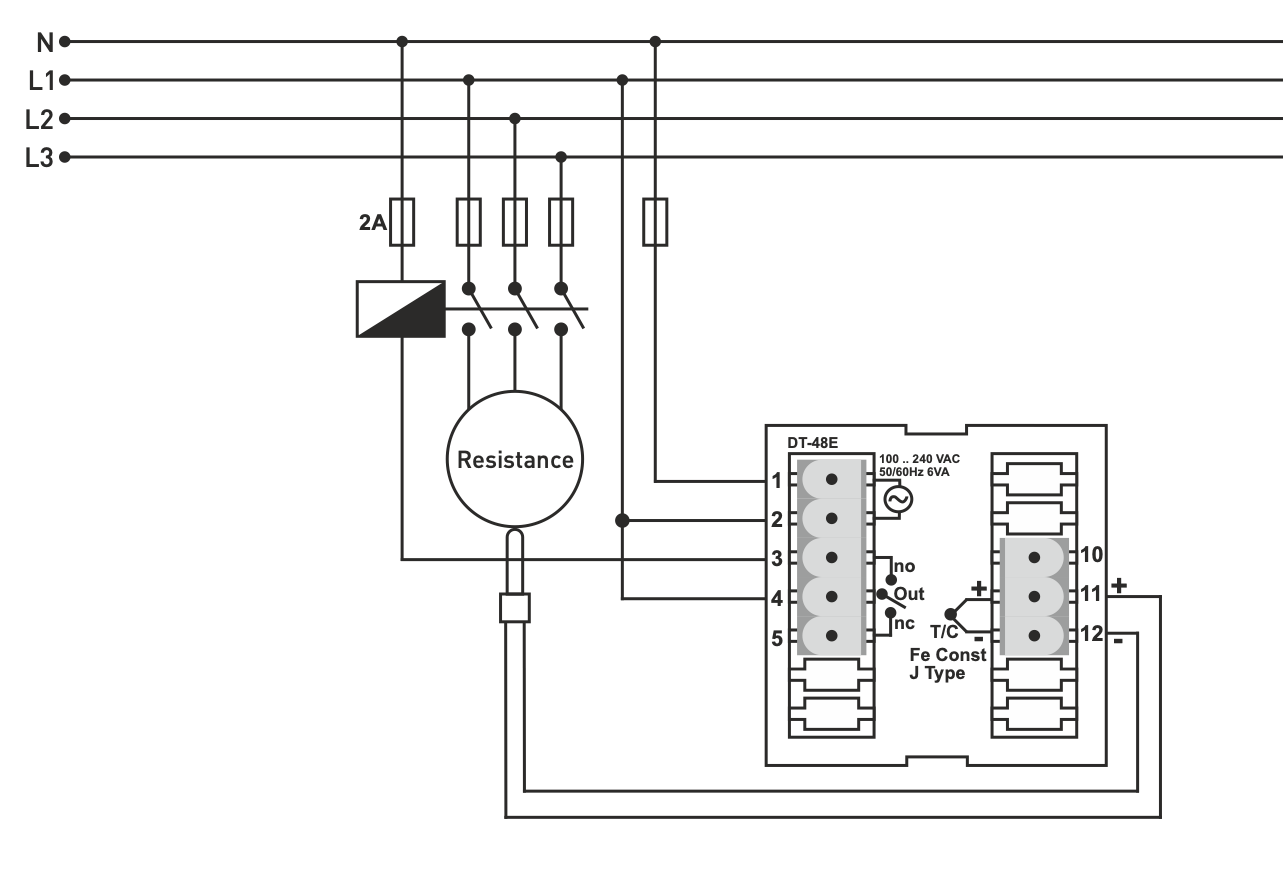
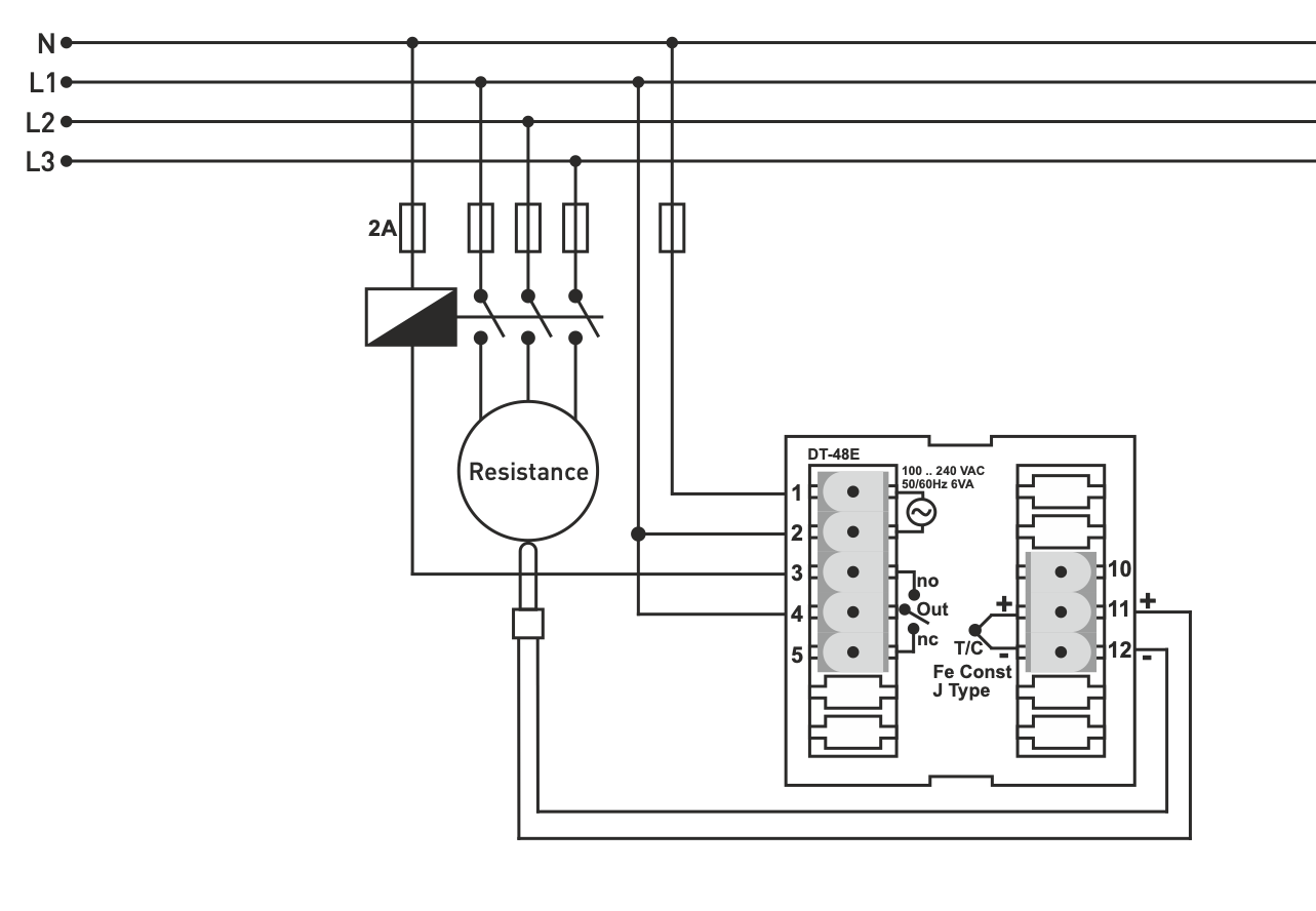
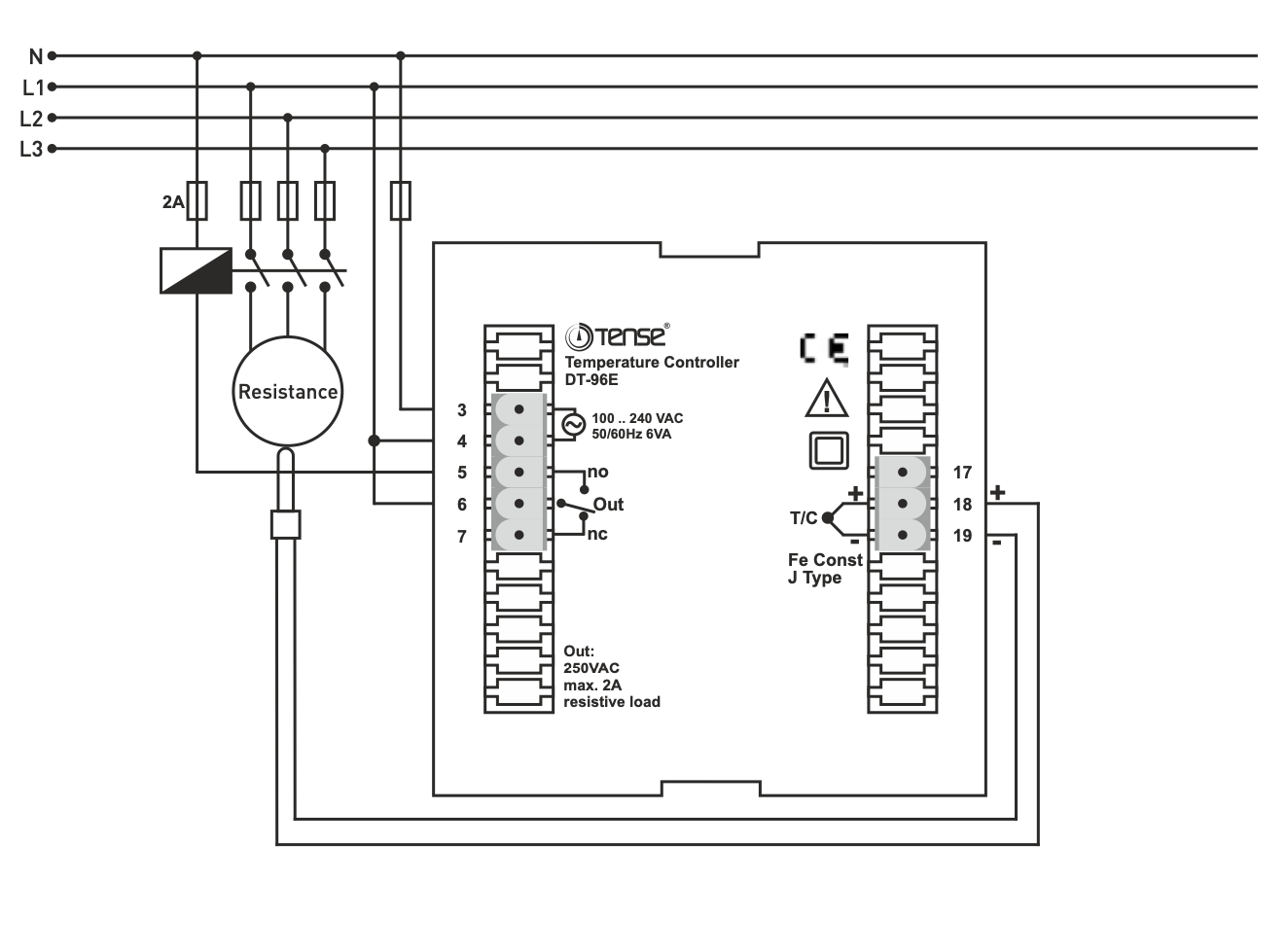
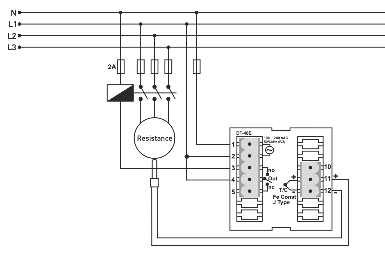
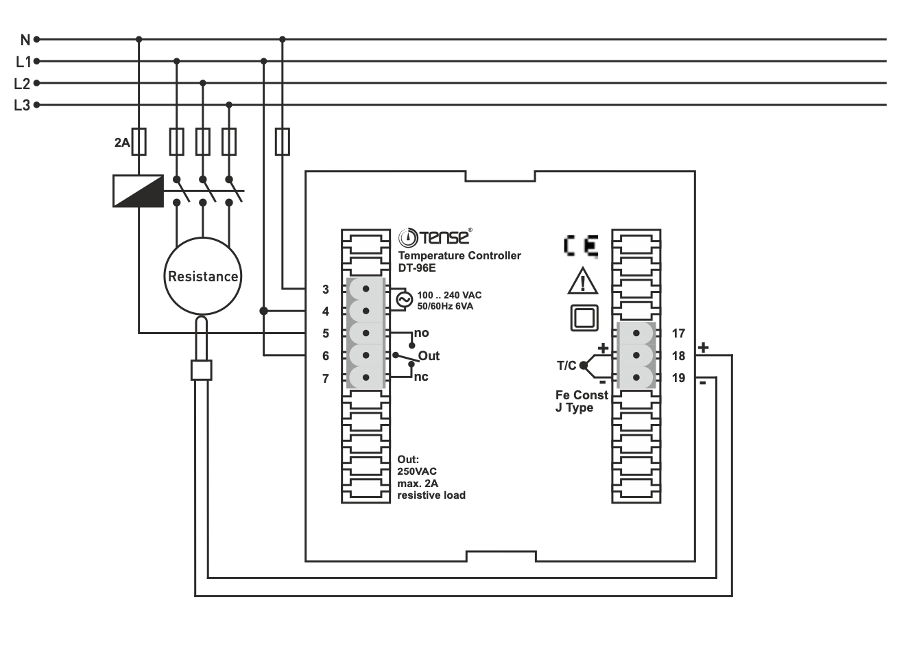
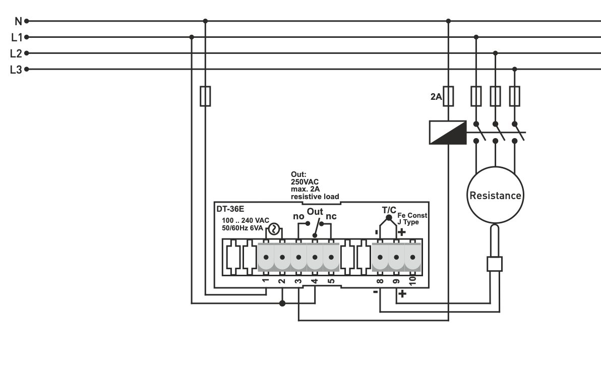
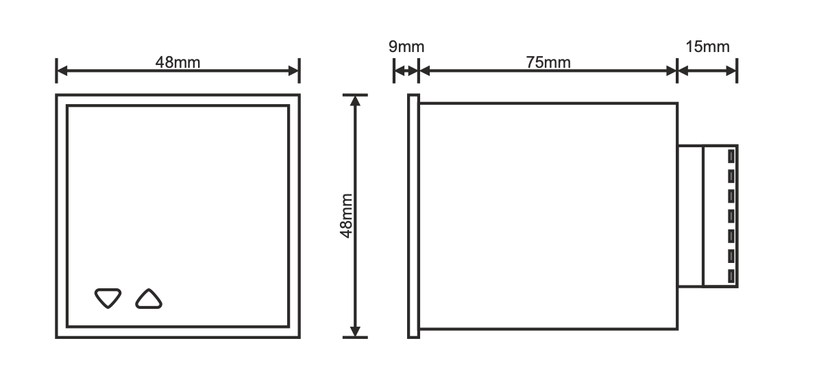
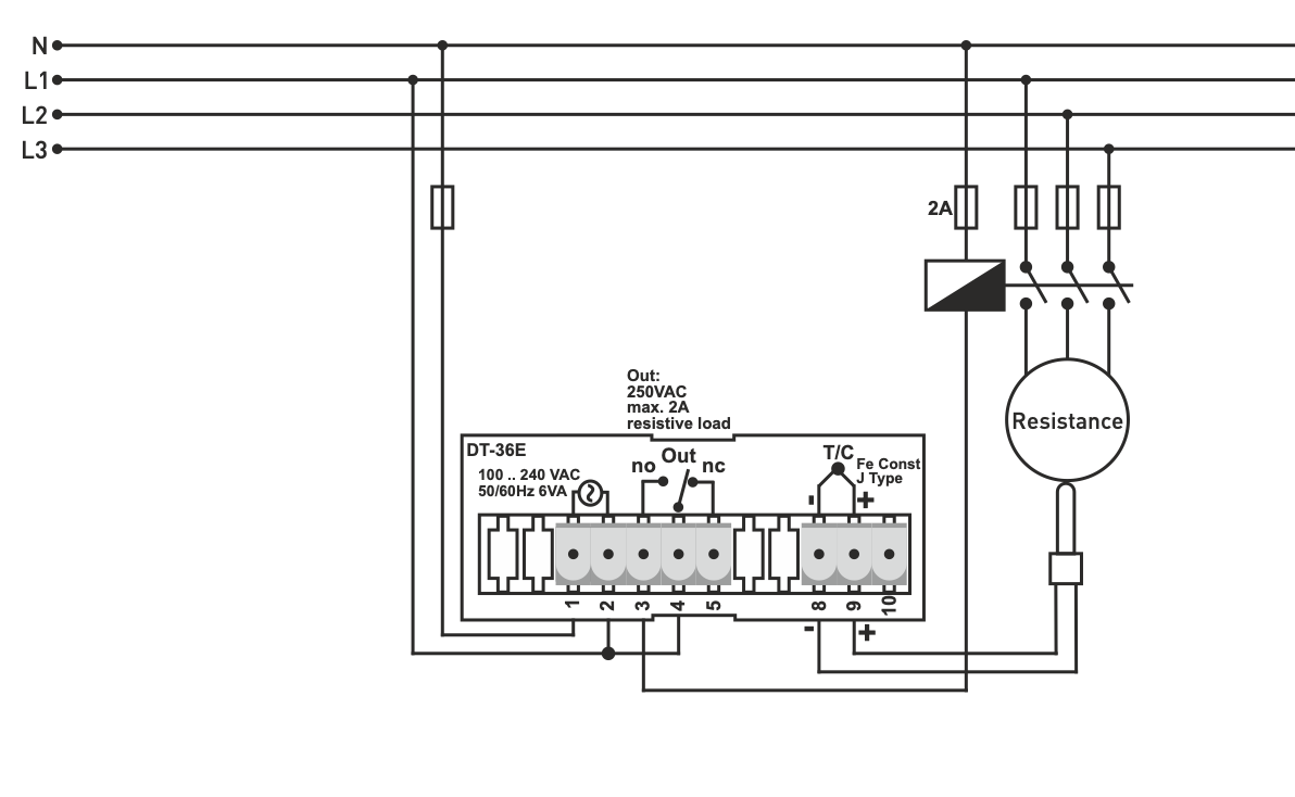
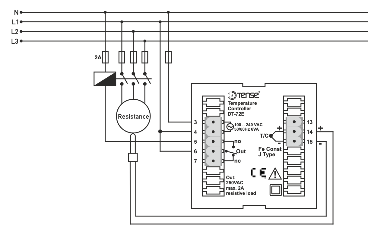
Thermostat / two-point temperature controller for panel mounting, ON/OFF control mode, measurement range 0 °C ... +600 °C, resolution / step 1ºC (made in Turkey, TENSE)
Control and monitoring of thermal processes in heating, air conditioning, and ventilation systems, building automation, industrial plants.
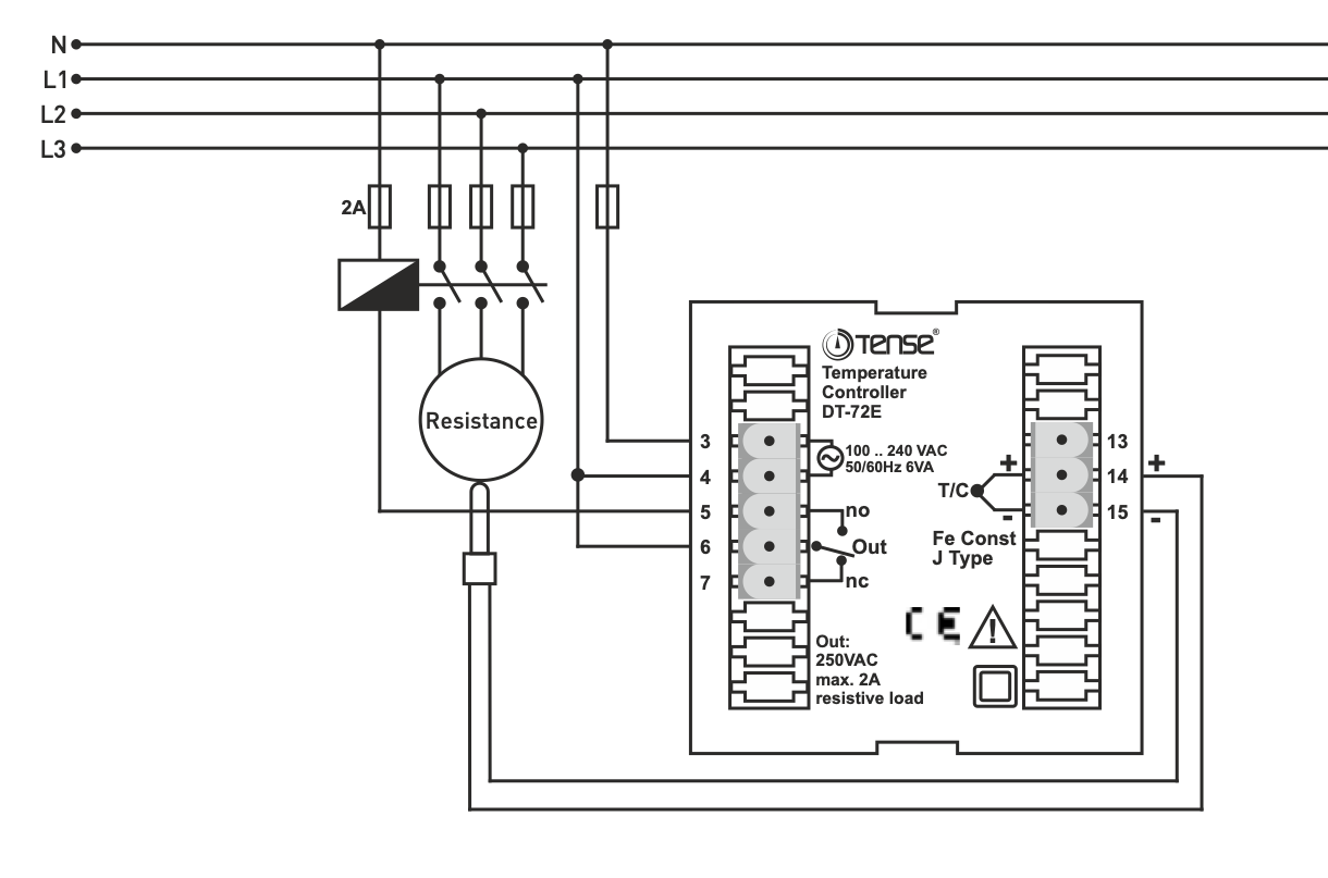
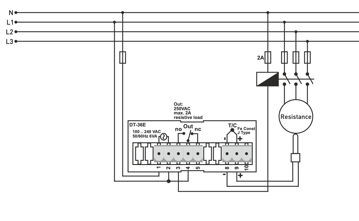
Sensor type: Sensor type: J, Fe-Const, T/C
Relay outputs OUT (NO+NC) 250 VAC, 2A
- Hysteresis
EEPROM memory for storing settings
Password protection
High accuracy: %0.3
Don't forget to order our temperature sensors - type J thermocouple Fe-Const (metric 6/8) with a measuring range: -100 °C - +600 °C. Available with cable lengths of 1 m, 1.5 m, 2 m, 2.5 m, 3 m, 4 m, and 5 m.
Online payment by card - after completing the order you will be redirected to the payment gateway, payment confirmation will be sent to your e-mail
COD - you pay the payment by money order to the carrier's driver
By bank transfer - no later than the next working day, you will receive an advance invoice to your e-mail, which contains the account number that you will enter when making the payment.
On pro forma invoice - this payment option is available to partners who have signed a framework agreement with our company.
If you want to use the last 2 methods, please call our manager and he will give you instructions on how to receive an invoice with or without VAT.
The electrical equipment we supply meets high quality standards, has a 24-month warranty, and meets all EU requirements.
In the event of a complaint, the return of goods will not be charged.
You might also like
Recently viewed products
- Choosing a selection results in a full page refresh.
