
Imate vprašanje?
Obvestilo po e-pošti, ko bo izdelek na voljo
- Opis
- Navodila
- Načini plačila
- Garancija
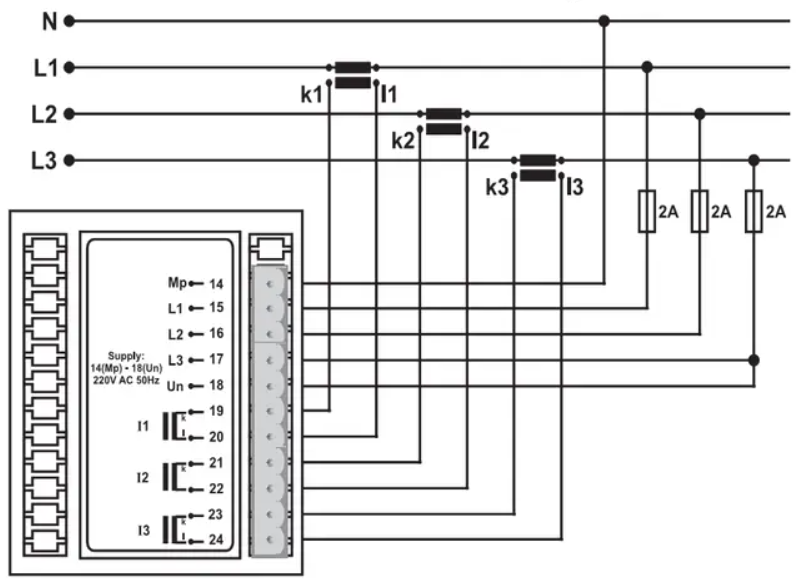
Multimeter - 3-fazni panelni multimeter, večnamenski digitalni panelni merilnik, prikaz toka, napetosti in frekvence, proizvajalec TENSE (Turčija), panelni merilniki
Trifazni panelni merilnik izmeničnega toka VAHz za merjenje toka, napetosti in preverjanje faznih povezav v trifazni izmenični opremi, strojih ali distribucijskih sistemih.
Glavne prednosti:
- (I,U(L-L,L-N,HZ);
- Merilno območje:
- (EM-06 in EM-72), posredno merjenje 5/5...9995/5A (EM-06 in EM-72), 1A - 100A (EM-100D) , 2-250A (EM-250D);
-
Napetost - 1V-300V AC (L-N), 1V-500V AC (L-L);
- Frekvenca - 40 Hz-60 Hz;
-
sledenje fazi;
- vključen merilni transformator (EM-100D in EM-250D).
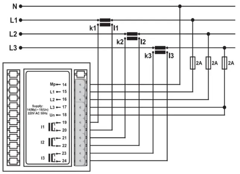
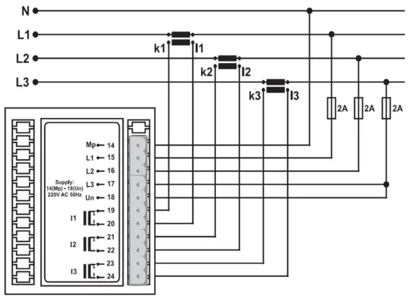
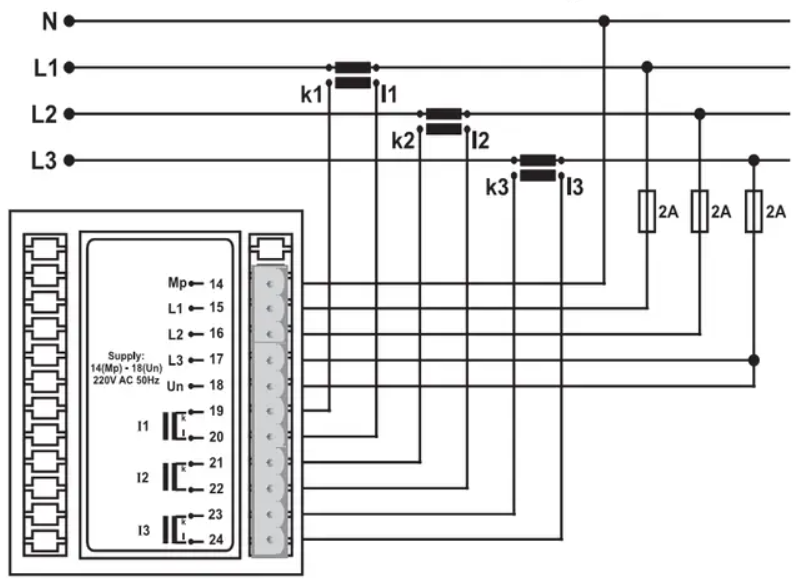
Ta multimeter (EM-06/EM-72) se običajno uporablja s tokovnimi merilnimi transformatorji - 60/5 75/5 100/5 150/5 200/5 250/5 300/5 400/5 500/5 600/5 800/5 1000/5 1500/5 ali podobnimi. Takšne transformatorje lahko kupite v naši e-trgovini,
Prenesi na
Spletno plačilo s kartico - po zaključku naročila boste preusmerjeni na plačilni prehod, potrditev plačila bo poslana na vaš e-mail
COD - plačilo plačate po plačilnem nalogu vozniku prevoznika
Z bančnim nakazilom- najkasneje naslednji delovni dan na vaš e-mail prejmete avansni račun, na katerem je številka računa, ki jo boste vpisali ob plačilu.
Na predračun - ta možnost plačila je na voljo partnerjem, ki imajo z našim podjetjem podpisano okvirno pogodbo.
Če želite uporabiti zadnja 2 načina, pokličite našega upravitelja in dal vam bo navodila, kako prejeti račun z ali brez DDV.
Elektro oprema, ki jo dobavljamo, ustreza visokim standardom kakovosti, ima 24-mesečno garancijo in izpolnjuje vse zahteve EU.
V primeru reklamacije se vračilo blaga ne zaračuna.
