
Imate vprašanje?
Obvestilo po e-pošti, ko bo izdelek na voljo
- Opis
- Navodila
- Načini plačila
- Garancija
Merilni tokovni transformator TK40 - TENSE
Opis izdelka:
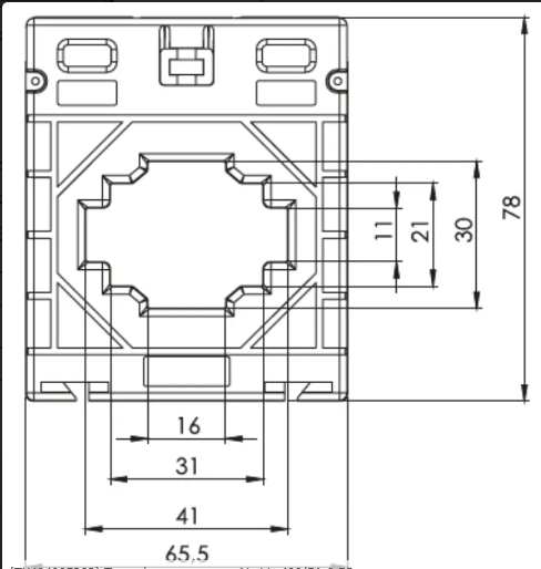
Merilno okno tokovnega transformatorja TK40 je namenjeno posrednemu merjenju izmeničnega toka v nizkonapetostnih inštalacijah in industrijskih aplikacijah. Transformator pretvarja visok primarni tok v standardni sekundarni tok, primeren za merjenje, nadzor ali zaščito opreme.
Značilnosti:
Natančna pretvorba toka z razredom natančnosti 0,5S
Kompaktno in trpežno ohišje iz nevnetljivega, negorljivega ABS
Spončni blok z neodstranljivim pokrovom, primeren za vodnike velikega premera
Odpornost na kratkostični tok: Ith = 60 × In
Odpornost na stalni tok: Id = 1 × In
Delovna temperatura: -25 °C ... +85 °C
Montaža: KK0001 ali KK0002
Preskusna napetost: 3 kV za 1 minuto
Največja sistemska napetost: 0,72 kV
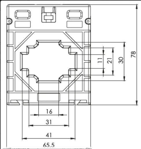
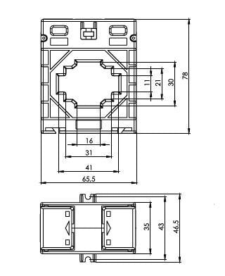
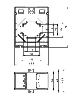
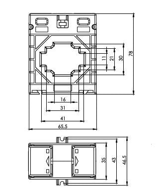
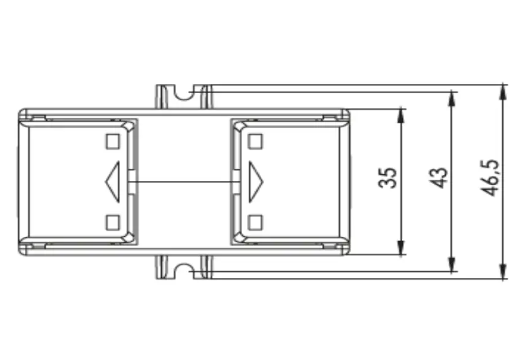
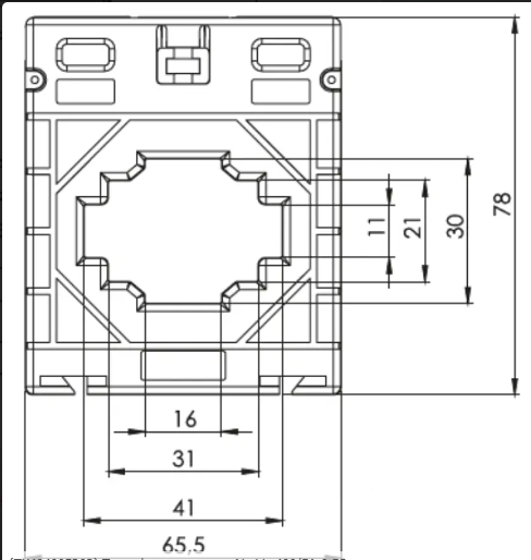
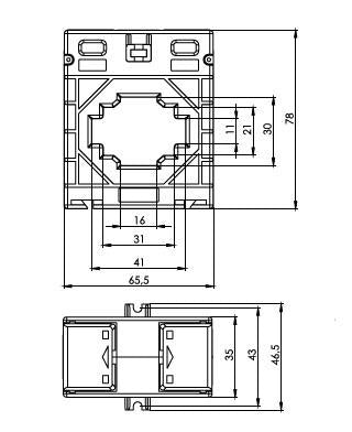
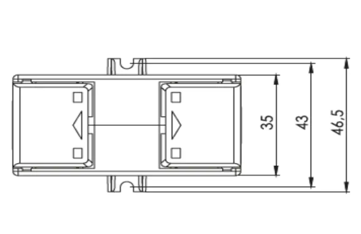
Tehnični parametri
| Parameter | Vrednost |
|---|---|
| Razpoložljive različice | 300/5A, 400/5A, 500/5A, 600/5A, 800/5A |
| Nosilnost | 3,75 VA |
| Razred natančnosti | 0,5S |
| Primarno navitje | 40 × 10 mm |
| Notranja luknja (premer vodnika) | Ø 30 mm |
| Nazivna frekvenca | 50-60 Hz |
| Omejitev udarnega toka | FS 5 |
| Namestitev | KK0001 / KK0002 |
| Material ohišja | Nevnetljiv, negorljiv ABS |
Standardi:
EC 60044-1, EC 61869-2, VDE 0414-1, DIN 57414, BS3938, BS7626, EN 61869-2
Nadzor kakovosti:
Vsak transformator je v tovarni posebej testiran, rezultati so zapisani v poročilu o testiranju in priloženi transformatorju.
Prenesi na
Tehnične informacije o tokovnih transformatorjih (996 kB) - pošljemo na zahtevo
Spletno plačilo s kartico - po zaključku naročila boste preusmerjeni na plačilni prehod, potrditev plačila bo poslana na vaš e-mail
COD - plačilo plačate po plačilnem nalogu vozniku prevoznika
Z bančnim nakazilom- najkasneje naslednji delovni dan na vaš e-mail prejmete avansni račun, na katerem je številka računa, ki jo boste vpisali ob plačilu.
Na predračun - ta možnost plačila je na voljo partnerjem, ki imajo z našim podjetjem podpisano okvirno pogodbo.
Če želite uporabiti zadnja 2 načina, pokličite našega upravitelja in dal vam bo navodila, kako prejeti račun z ali brez DDV.
Elektro oprema, ki jo dobavljamo, ustreza visokim standardom kakovosti, ima 24-mesečno garancijo in izpolnjuje vse zahteve EU.
V primeru reklamacije se vračilo blaga ne zaračuna.
