
Imate vprašanje?
Obvestilo po e-pošti, ko bo izdelek na voljo
- Opis
- Navodila
- Načini plačila
- Garancija
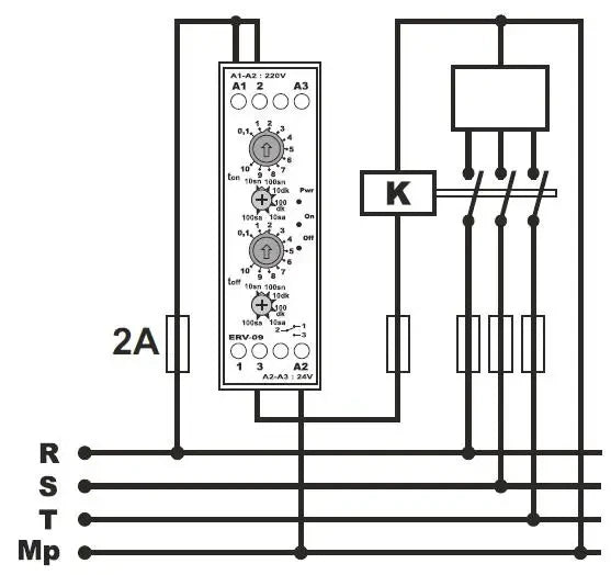
Časovni rele - utripanje ob začetku impulza , utripanje ob začetku premora ciklični rele - simetrični/asimetrični cikel
Ciklični rele ali ciklični časovni rele se uporablja za periodično vklapljanje električnih bremen (kot so luči, ventilatorji itd.) ali za vklop krmilnih signalov v avtomatskih nadzornih ali krmilnih sistemih (kot je vklop varnostne utripajoče luči ali zvočnega signala). Ta ciklični časovni rele je lahko uporaben za organiziranje samodejnih procesov prezračevanja, odpiranje in zapiranje oken, občasno vklapljanje ogrevanja ali prezračevanja, za osvetlitev ali vrtenje reklamnih napisov.
Če rele konfigurirate tako, da sta njegova časa vklopa in prekinitve simetrična, ga lahko na primer uporabite za postopno vklapljanje nekaterih električnih naprav v primeru omejitve toka/moči (grelniki, generatorji toplote). Prisotnost preklopnega izhodnega kontakta omogoča, da se cikel začne pulzno ali s pavzo.
- časovni rele - cikler z neodvisno nastavljivim časom vklopa in izklopa izhoda
- uporablja se za redno prezračevanje prostorov, ciklično sušenje vlage, krmiljenje razsvetljave, obtočnih črpalk, svetlobnega oglaševanja itd.
- Časovni rele je nameščen na standardno 35 mm DIN-lestvico
Prenesi na
Spletno plačilo s kartico - po zaključku naročila boste preusmerjeni na plačilni prehod, potrditev plačila bo poslana na vaš e-mail
COD - plačilo plačate po plačilnem nalogu vozniku prevoznika
Z bančnim nakazilom- najkasneje naslednji delovni dan na vaš e-mail prejmete avansni račun, na katerem je številka računa, ki jo boste vpisali ob plačilu.
Na predračun - ta možnost plačila je na voljo partnerjem, ki imajo z našim podjetjem podpisano okvirno pogodbo.
Če želite uporabiti zadnja 2 načina, pokličite našega upravitelja in dal vam bo navodila, kako prejeti račun z ali brez DDV.
Elektro oprema, ki jo dobavljamo, ustreza visokim standardom kakovosti, ima 24-mesečno garancijo in izpolnjuje vse zahteve EU.
V primeru reklamacije se vračilo blaga ne zaračuna.
