
Imate vprašanje?
Obvestilo po e-pošti, ko bo izdelek na voljo
- Opis
- Navodila
- Načini plačila
- Garancija
|
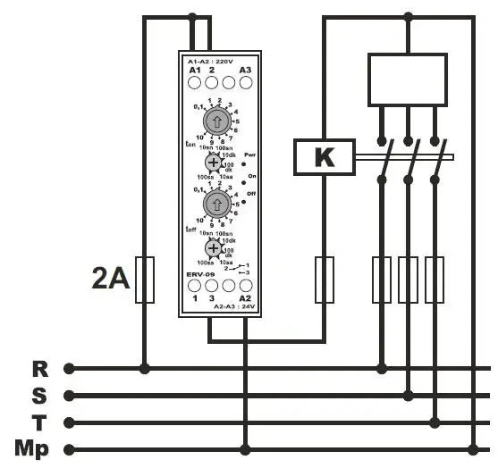
Ciklični rele ERV-09D, proizvajalec Tense (Turčija) Signalizacijski rele ERV-09D je zasnovan za uporabo na lokacijah (proizvodnja, stanovanjske stavbe, tovarne itd.), kjer je potrebno dvojno upravljanje (vklop-izklop).
230 V AC ali 12 V DC Delovanje: 1 s - 99 min (nastavljivo)
Pripravljenost: 1 s - 99 min (nastavljivo)
Prikaz: vrednost se prikaže med nastavljanjem časa in odštevanjem nastavljenega časa. Če je čas delovanja nastavljen v minutah, bo pika na zaslonu na desni strani utripala, medtem ko bo naprava odštevala čas.
Indikacija ON je rezervirana za čas delovanja, indikacija OFF pa za čas pripravljenosti.
Tehnične specifikacije
Delovna napetost (A1-A2) 100-240 V AC, 50/60 Hz. Delovna napetost (A2-A3) 12 V DC (A2(-), A3(+)) Delovna frekvenca 50/60 Hz. Delovna moč: <6 VA Delovna temperatura: -20 °C.....+55 °C Časovni interval: 0,1 s - 99 min. Prikazovalnik: 2x2 LED, 1 LED. Pritrditev na letev DIN. Teža: <80 g. Kontakt: 5 A, 250 V AC, uporovna obremenitev |
Delovna nadmorska višina: <2000 m. Premer kabla 2,5 mm².
Prenesi na
Spletno plačilo s kartico - po zaključku naročila boste preusmerjeni na plačilni prehod, potrditev plačila bo poslana na vaš e-mail
COD - plačilo plačate po plačilnem nalogu vozniku prevoznika
Z bančnim nakazilom- najkasneje naslednji delovni dan na vaš e-mail prejmete avansni račun, na katerem je številka računa, ki jo boste vpisali ob plačilu.
Na predračun - ta možnost plačila je na voljo partnerjem, ki imajo z našim podjetjem podpisano okvirno pogodbo.
Če želite uporabiti zadnja 2 načina, pokličite našega upravitelja in dal vam bo navodila, kako prejeti račun z ali brez DDV.
Elektro oprema, ki jo dobavljamo, ustreza visokim standardom kakovosti, ima 24-mesečno garancijo in izpolnjuje vse zahteve EU.
V primeru reklamacije se vračilo blaga ne zaračuna.
