
Imate vprašanje?
Obvestilo po e-pošti, ko bo izdelek na voljo
- Opis
- Navodila
- Načini plačila
- Garancija
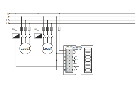
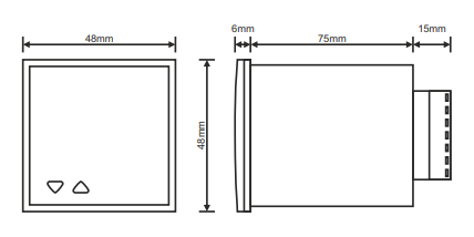
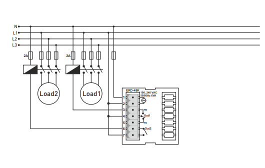
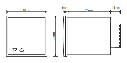
Časovni ciklični rele + rele ON-DELAY LED zaslon za montažo na ploščo/vrata 230 VAC - utripanje ob začetku impulza , utripanje ob začetku premora ciklični rele, časovno stikalo z zamikom. TENSE ERD-48K
Časovni rele z dvema funkcijama - funkcijo vklopa z zamikom in funkcijo cikličnega releja.
Območje nastavitve časa:
99,9 sekunde, 999 sekund, 99,9 minute ali 999 minut (izbirna sprednja plošča)
Prenesi na
Spletno plačilo s kartico - po zaključku naročila boste preusmerjeni na plačilni prehod, potrditev plačila bo poslana na vaš e-mail
COD - plačilo plačate po plačilnem nalogu vozniku prevoznika
Z bančnim nakazilom- najkasneje naslednji delovni dan na vaš e-mail prejmete avansni račun, na katerem je številka računa, ki jo boste vpisali ob plačilu.
Na predračun - ta možnost plačila je na voljo partnerjem, ki imajo z našim podjetjem podpisano okvirno pogodbo.
Če želite uporabiti zadnja 2 načina, pokličite našega upravitelja in dal vam bo navodila, kako prejeti račun z ali brez DDV.
Elektro oprema, ki jo dobavljamo, ustreza visokim standardom kakovosti, ima 24-mesečno garancijo in izpolnjuje vse zahteve EU.
V primeru reklamacije se vračilo blaga ne zaračuna.
