
Obvestilo po e-pošti, ko bo izdelek na voljo
- Opis
- Navodila
- Načini plačila
- Garancija
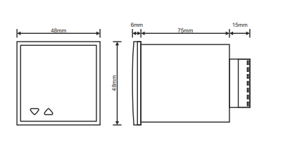
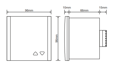
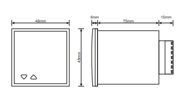
Časovni releji ERD-96 ERD-48, ERD-72 - TENSE
Časovni rele za zakasnitev / ciklični impulzni rele / generator simetričnih in asimetričnih impulzov
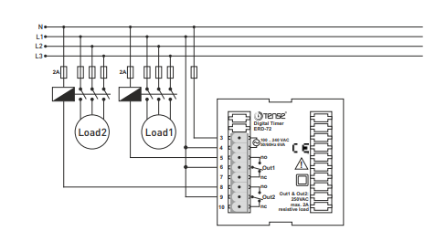
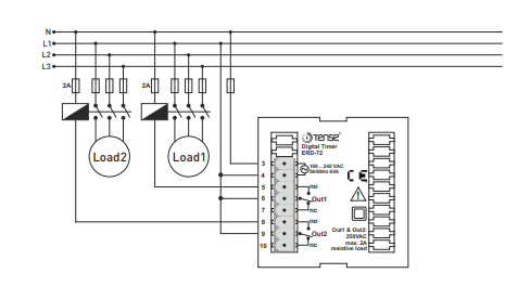
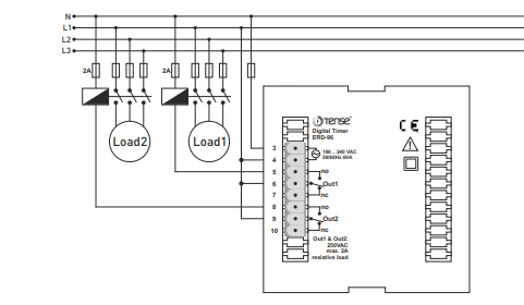
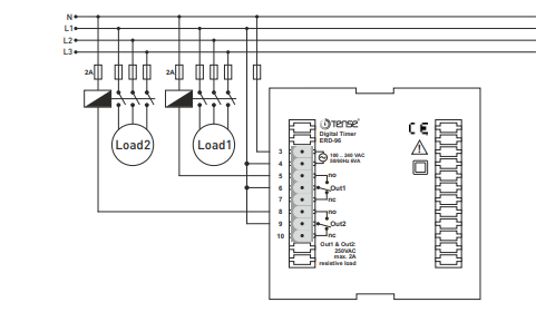
Časovni rele ERD-96 ERD-48, ERD-72 je namenjen ustvarjanju časovnega zamika na ali generiranju cikličnih impulzov za nadzor različnih procesov v avtomatizacijskih in nadzornih sistemih (ACS).
Posebej primeren je za uporabo v
-
AC sistemih,
-
krmiljenje bazenov in tehnologije,
-
zasilnih in varnostnih sistemih,
-
splošni avtomatizaciji in sekvenčnem krmiljenju naprav.
Glavne značilnosti
-
Dve osnovni funkciji
-
časovnik z zakasnitvijo vklopa
-
Ciklični rele (generator impulzov - simetrični/asimetrični impulzi)
-
-
Široko časovno območje:
od 0,1 s do 999 minut -
Prikaz odštevanja časa - digitalni prikaz preostalega časa (čas hlajenja)
-
Enostavna priključitev prek priključnega bloka
-
Primeren za univerzalno uporabo v omrežjih z izmeničnim tokom 100...240 V
Tehnične specifikacije
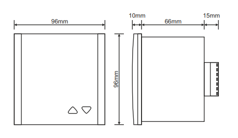
Mehanski in prikazni parametri
-
Prikazovalnik: 3-mestni 7-segmentni prikazovalnik LED
Funkcije:
-
Takojšnji izhod po zagonu (Out2)
-
Zakasnjen izhod po zagonu (Out1)
Vhodi
-
Vhod START: kontakti 11-12
-
100...240 V AC, 50/60 Hz
-
Poraba največ 3 mA
Časovni razpored
-
-
Razponi:
-
99,9 s
-
999 s
-
99,9 min
-
999 min
(neobvezno)
-
-
Ločljivost:
-
0,1 s / 1 s / 0,1 min / 1 min
-
-
Natančnost: ±1,5 % nastavljene vrednosti
Izhodi
-
Out1 - zakasnjeni izhod:
-
NO-O-NC rele
-
250 V AC, 2 A (uporovna obremenitev)
-
-
Izhod2 - takojšnji izhod:
-
NO-O rele
-
250 V AC, 2 A (uporovna obremenitev)
-
Napajanje
-
Napajalna napetost: 100...240 V AC, 50/60 Hz
-
Poraba energije: < 5 VA
Okoliški pogoji
-
Delovna temperatura: od -20 °C do +55 °C
-
Delovna nadmorska višina: do 2000 m
Prenesi na
Spletno plačilo s kartico - po zaključku naročila boste preusmerjeni na plačilni prehod, potrditev plačila bo poslana na vaš e-mail
COD - plačilo plačate po plačilnem nalogu vozniku prevoznika
Z bančnim nakazilom- najkasneje naslednji delovni dan na vaš e-mail prejmete avansni račun, na katerem je številka računa, ki jo boste vpisali ob plačilu.
Na predračun - ta možnost plačila je na voljo partnerjem, ki imajo z našim podjetjem podpisano okvirno pogodbo.
Če želite uporabiti zadnja 2 načina, pokličite našega upravitelja in dal vam bo navodila, kako prejeti račun z ali brez DDV.
Elektro oprema, ki jo dobavljamo, ustreza visokim standardom kakovosti, ima 24-mesečno garancijo in izpolnjuje vse zahteve EU.
V primeru reklamacije se vračilo blaga ne zaračuna.
