
Imate vprašanje?
Obvestilo po e-pošti, ko bo izdelek na voljo
- Opis
- Navodila
- Načini plačila
- Garancija
|
Ploščni digitalni multimeter 72x72 mm (elektronski ampermeter-voltmeter) 1-fazni, proizvajalec TENSE, vključuje tokovni transformator.
DAV-72D je digitalni kombinirani voltmeter-ampermeter, zasnovan za neprekinjeno spremljanje:
izmenične napetosti med faznim in nevtralnim vodnikom, in obremenitvenega toka (AC), ki ga meri zunanji tokovni transformator (CT). Instrument se uporablja v električnih razdelilnikih, v proizvodnji, distribuciji in sistemih za nadzor električne energije.
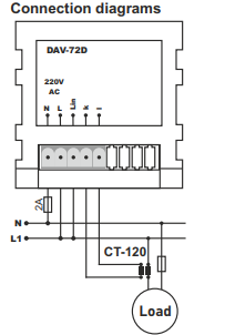
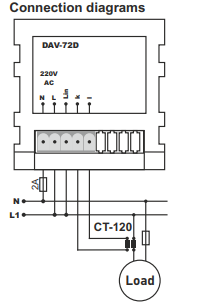
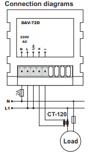
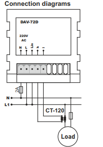
Načelo delovanja in uporabe
Instrument se prek sponk priključi na fazni in nevtralni vodnik, ki ga je treba meriti - to omogoča merjenje napetosti. Odvzemni tok se meri z zunanjim tokovnim transformatorjem CT-120, ki je priložen v dobavi. Vodnika sekundarnega navitja tokovnega transformatorja sta priključena na sponki K in L na zadnji strani instrumenta. Ko je napajanje priključeno, se na zaslonu prikaže: dejanska fazna napetost (v voltih), tok obremenitve (v amperih). Namestitev in nastavitev
Napravo namestite na sprednjo ploščo (montaža na ploščo), dimenzije izreza so 68 × 68 mm. CT-120 priključite v skladu s shemo: obremenilni vodnik potegnite skozi transformator, njegov izhod pa priključite na K in L. Ko je napajanje priključeno, naprava samodejno prikaže vrednosti toka in napetosti. (Ne uporabljajte tokovnih transformatorjev drugih tipov ali proizvajalcev - vrednosti so tovarniško umerjene posebej za napravo CT-120.)
Tehnične specifikacije
Delovna napetost: 140 do 270 V izmeničnega toka (AC) omrežna frekvenca: 50/60 Hz Razpon prikazane napetosti: 5 V do 300 V AC Razpon merjenega toka: 1 A do 100 A (prek transformatorja CT-120) Natančnost merjenja: Napetost: ±1 %. tok: ±3 %. Prikazovalnik: 2 vrstici, 3 števke, višina znakov - 14 mm Merjenje toka: prek CT-120, priključenega na sponki K in L Moč: manj kot 6 VA Delovna temperatura: od -20 °C do +55 °C Višina namestitve: do 2000 m nadmorske višine Priključek: priključne sponke Presek kabla: do 1,5 mm² Montaža: plošča, sprednja stran Teža: do 220 g |
Spletno plačilo s kartico - po zaključku naročila boste preusmerjeni na plačilni prehod, potrditev plačila bo poslana na vaš e-mail
COD - plačilo plačate po plačilnem nalogu vozniku prevoznika
Z bančnim nakazilom- najkasneje naslednji delovni dan na vaš e-mail prejmete avansni račun, na katerem je številka računa, ki jo boste vpisali ob plačilu.
Na predračun - ta možnost plačila je na voljo partnerjem, ki imajo z našim podjetjem podpisano okvirno pogodbo.
Če želite uporabiti zadnja 2 načina, pokličite našega upravitelja in dal vam bo navodila, kako prejeti račun z ali brez DDV.
Elektro oprema, ki jo dobavljamo, ustreza visokim standardom kakovosti, ima 24-mesečno garancijo in izpolnjuje vse zahteve EU.
V primeru reklamacije se vračilo blaga ne zaračuna.
Morda vam bo všeč tudi
Nedavno ogledani izdelki
- Izbira možnosti povzroči osvežitev celotne strani.
