
Imate vprašanje?
Obvestilo po e-pošti, ko bo izdelek na voljo
- Opis
- Načini plačila
- Garancija
|
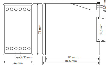
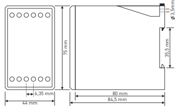
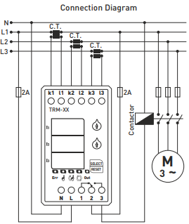
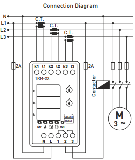
Trifazni tokovni rele za nadzor/omejitev toka obremenitve v območju 190-300 A, proizvajalec TENSE (Turčija) Digitalni nadtokovni releji TRM-300 so zasnovani tako, da ščitijo bremena pred poškodbami zaradi visokih tokov, hkrati pa omogočajo nadzor delovanja. - 190-300 A (nastavljiva vrednost nadtoka) Uporaba naprave in načelo delovanja
Ob vklopu naprave: Elektronski tokovni rele serije TRM-300 je namenjen samodejnemu odklopu naprav, ko je presežen največji dovoljeni tok. Načini ponovne vzpostavitve: - Ročni način: Po okvari zaradi nadtoka je treba napravo ponastaviti s pritiskom na gumb Reset. Opomba: Če želite spremeniti način, držite gumb SELECT 10 sekund. Ko spremenite način, se prižge ustrezna lučka LED. Asimetrija 50 % (fiksna) Če razlika med največjim in najmanjšim faznim tokom preseže 50 %, naprava v 2 sekundah preide v način napake asimetrije. Ko pride do napake asimetrije: Tehnični parametri: - Delovna napetost: 150-260 V AC
Opomba: Modele TRM-50, TRM-100, TRM-200 in TRM-300 je mogoče uporabljati samo s tokovnimi transformatorji, ki so priloženi napravi. Model TRM-400 se lahko uporablja s tokovnim transformatorjem 400/5.
Osnovni
|
Spletno plačilo s kartico - po zaključku naročila boste preusmerjeni na plačilni prehod, potrditev plačila bo poslana na vaš e-mail
COD - plačilo plačate po plačilnem nalogu vozniku prevoznika
Z bančnim nakazilom- najkasneje naslednji delovni dan na vaš e-mail prejmete avansni račun, na katerem je številka računa, ki jo boste vpisali ob plačilu.
Na predračun - ta možnost plačila je na voljo partnerjem, ki imajo z našim podjetjem podpisano okvirno pogodbo.
Če želite uporabiti zadnja 2 načina, pokličite našega upravitelja in dal vam bo navodila, kako prejeti račun z ali brez DDV.
Elektro oprema, ki jo dobavljamo, ustreza visokim standardom kakovosti, ima 24-mesečno garancijo in izpolnjuje vse zahteve EU.
V primeru reklamacije se vračilo blaga ne zaračuna.
