
Imate vprašanje?
Obvestilo po e-pošti, ko bo izdelek na voljo
- Opis
- Načini plačila
- Garancija
|
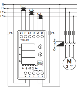
Rele za nadzor/omejitev obremenitve, 3-fazni, območje 290-400 A, proizvajalec TENSE (Turčija) Digitalni preobremenitveni rele TRM-400 je zasnovan za zaščito bremen pred poškodbami zaradi visokih tokov, hkrati pa omogoča nadzor delovanja.
Uporaba naprave in načelo delovanja
Ko je naprava vklopljena:
Elektronski tokovni rele serije TRM-400 je zasnovan tako, da samodejno odklopi porabnike, ko so preseženi največji dovoljeni tokovi. Ima programabilno območje izklopa ter možnost nastavitve časa izklopa in časa povratnega izklopa. Na voljo so trije načini vrnitve v "delovno" stanje: MANUAL, SEMI-AUTO, AUTO. Načini ponovne vzpostavitve
Opomba: Če želite spremeniti način, pridržite gumb SELECT za 10 sekund. Ko spremenite način, se prižge ustrezna dioda LED. Tehnični parametri
Opomba: TRM-50, TRM-100, TRM-200 in TRM-300 se lahko uporabljajo samo s tokovnimi transformatorji, ki so vključeni v dobavo.
TRM-400 se lahko uporablja s tokovnim transformatorjem 400/5, ki je priložen TRM-400. Osnovni
|
Spletno plačilo s kartico - po zaključku naročila boste preusmerjeni na plačilni prehod, potrditev plačila bo poslana na vaš e-mail
COD - plačilo plačate po plačilnem nalogu vozniku prevoznika
Z bančnim nakazilom- najkasneje naslednji delovni dan na vaš e-mail prejmete avansni račun, na katerem je številka računa, ki jo boste vpisali ob plačilu.
Na predračun - ta možnost plačila je na voljo partnerjem, ki imajo z našim podjetjem podpisano okvirno pogodbo.
Če želite uporabiti zadnja 2 načina, pokličite našega upravitelja in dal vam bo navodila, kako prejeti račun z ali brez DDV.
Elektro oprema, ki jo dobavljamo, ustreza visokim standardom kakovosti, ima 24-mesečno garancijo in izpolnjuje vse zahteve EU.
V primeru reklamacije se vračilo blaga ne zaračuna.
