Preskoči na informacije o izdelku
1 od 3
Prodajalec: TENSE

Digitalni nadtokovni rele z LED prikazovalnikom 3×3 števke TRM-50

Šifra: TRM-50
Redna cena
€61,92
Redna cena
Znižana cena
€61,92
Na zalogi le še: 4
  • Opis
  • Načini plačila
  • Garancija

Rele za nadzor/omejitev obremenitve, 3-fazni, območje 15-50 A, proizvajalec TENSE (Turčija)

Digitalni preobremenitveni rele TRM-50 je zasnovan za zaščito bremen pred poškodbami zaradi visokih tokov, hkrati pa omogoča nadzor delovanja.

  • 15-50 A (nastavljiva vrednost preobremenitve)
  • 50-odstotna fiksna asimetrija toka
  • Nastavljiv čas zakasnitve napake
  • Nastavljiv način delovanja (samodejni, polavtomatski, ročni)
  • Ob nakupu tokovnega releja TENSE dobite napravo, pripravljeno za delovanje - tokovni transformatorji so vključeni.

Uporaba naprave in načelo delovanja

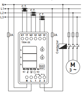
  1. Napravo priključite v skladu s priloženo shemo ožičenja.
  2. Ko je ožičenje končano, priključite napajanje. Po vklopu bodo na zaslonu 5 sekund prikazane nastavljene vrednosti.
  3. Za nastavitev vrednosti preobremenitve uporabite krmilnik "A>". Nastavljena vrednost je prikazana na levem zaslonu.
  4. S krmilnikom "t" nastavite čas zakasnitve. Nastavljena vrednost je prav tako prikazana na levem zaslonu.

Ko je naprava vklopljena:

  • Relej se vklopi, izhodni kontakt se preklopi na sponko 3, indikator OUT pa se prižge.
  • Če tok preseže nastavljeno vrednost preobremenitve (A>), naprava odšteje čas zakasnitve in zasveti indikator ERR.
  • Ko čas preteče, se rele sproži, kontakt preklopi na sponko 1 in indikator OUT ugasne.

Elektronski tokovni rele serije TRM-50 je zasnovan tako, da samodejno odklopi porabnike, ko so preseženi največji dovoljeni tokovi. Ima programabilno območje sprožitve, čas sprožitve in nastavitve povratne sprožitve. Na voljo so trije načini vrnitve v "delovno" stanje: MANUAL, SEMI-AUTO, AUTO.


Načini ponovne vzpostavitve

  • Ročni način: Za ponastavitev naprave po preobremenitvi pritisnite gumb Reset. Prižgala se bo ustrezna svetleča dioda.
  • Polavtomatski način: Naprava lahko ob preobremenitvi trikrat samodejno ponastavi sistem in ob naslednji napaki počaka na ročno ponastavitev. Ustrezna LED dioda se bo prižgala.
  • Samodejni način: Naprava omogoča samodejno ponastavitev sistema ob vsaki napaki preobremenitve. Ustrezna svetleča dioda se bo prižgala.

Opomba: Če želite spremeniti način, pridržite gumb SELECT za 10 sekund. Ko spremenite način, se prižge ustrezna LED dioda.


Asimetrija toka 50 % (fiksno)

Če razlika med najvišjim in najnižjim tokom v fazah presega 50 %, bo naprava v 2 sekundah prešla v način napake asimetrije (preprečuje poškodbe sistema ob izgubi ene faze).

Ko pride do napake asimetrije:

  • Skupina prikazovalnikov obeh faz, ki sta povzročili napako, bo utripala, indikator ERR pa se bo prižgal.
  • Za izhod iz načina asimetrične napake je potrebna ročna ponastavitev.

Tehnični parametri

  • Delovna napetost: 150-260 VAC
  • Delovna frekvenca: 50/60 Hz
  • Poraba energije: <6 VA
  • Delovna temperatura: -20 °C ... +55 °C
  • Prikazovalnik: 3 × 3 števke, 5 diod LED
  • Vrednost preobremenitve (A>): 15-50 A
  • Čas zakasnitve: 0,1-20 s
  • Vrsta priključka: priključek s sponko
  • Kontakti: 5 A / 250 V AC (aktivna obremenitev)
  • Premer kabla: 2,5 mm²
  • Teža: največ 250 g
  • Montaža: na DIN-lestvici
  • Največja nadmorska višina: <2000 m

Opomba: TRM-50, TRM-100, TRM-200 in TRM-300 se lahko uporabljajo samo s tokovnimi transformatorji, ki so vključeni v dobavo.
TRM-400 se lahko uporablja s tokovnim transformatorjem 400/5, ki je priložen TRM-400.

Osnovni

Proizvajalec

Tense

Država proizvajalka

Turčija

Vrsta vgradnje

Namestitev na letev DIN

Število razširitvenih kontaktov

1 kos

Število stikalnih kontaktov

1 kos.

Prerez priključenih žic

2,5 mm²

Material ohišja

Plastika

Oglejte si

Da

Masa

250 g

LED dioda za vklop/izklop

Da

Svetlobna dioda "preobremenitev"

Da

Najnižja temperatura shranjevanja

-20 stopinj.

Najvišja temperatura shranjevanja

55 stopinj.

Stopnja zaščite IP

30

Življenjska doba

10 let

Tehnične specifikacije

Število faz

3

Nazivna izmenična delovna napetost

220V

Nazivni tok

5A

Trenutna frekvenca

50 Hz

Nazivni tok

3W

Najnižja delovna temperatura

-20 stopinj.

Najvišja temperatura delovanja

55 stopinj.

Celotne mere

Dolžina

85 mm

Višina

75 mm

Širina

44 mm

Značilnosti uporabnika

Čas zakasnitve

0,1 s -20 (s)

Namestitev

DIN + vijaki

Območje

15-50A





















Spletno plačilo s kartico - po zaključku naročila boste preusmerjeni na plačilni prehod, potrditev plačila bo poslana na vaš e-mail

COD - plačilo plačate po plačilnem nalogu vozniku prevoznika

Z bančnim nakazilom- najkasneje naslednji delovni dan na vaš e-mail prejmete avansni račun, na katerem je številka računa, ki jo boste vpisali ob plačilu. 

Na predračun - ta možnost plačila je na voljo partnerjem, ki imajo z našim podjetjem podpisano okvirno pogodbo.

​Če želite uporabiti zadnja 2 načina, pokličite našega upravitelja in dal vam bo navodila, kako prejeti račun z ali brez DDV.

Elektro oprema, ki jo dobavljamo, ustreza visokim standardom kakovosti, ima 24-mesečno garancijo in izpolnjuje vse zahteve EU.

V primeru reklamacije se vračilo blaga ne zaračuna.

Morda vam bo všeč tudi

Nedavno ogledani izdelki