
Imate vprašanje?
Obvestilo po e-pošti, ko bo izdelek na voljo
- Opis
- Načini plačila
- Garancija
|
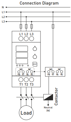
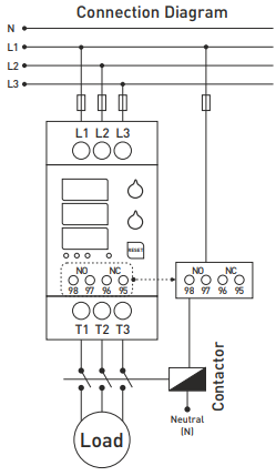
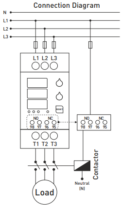
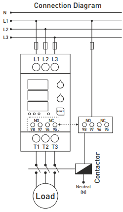
Nadzorni rele za nadtoke TRM-30F s prikazovalnikom, 3-fazni do 25A Zasnovan je za zaščito opreme, občutljive na vrednosti obratovalnega toka in napetosti, pred napakami, ki lahko nastanejo zaradi:
Digitalni nadtokovni rele TRM-30F s prikazovalnikom omogoča pregledovanje toka v vsaki fazi in zaščito motorja ali naprave pred nadtokom, prenapetostjo, podtokom, izpadom faze in zamenjavo faze. Ti digitalni preobremenitveni releji so zasnovani tako, da preprečujejo poškodbe motorja/obremenitve zaradi visokih tokov, hkrati pa omogočajo spremljanje toka, ki teče v vsaki fazi, na zaslonu. Prav tako lahko preverjajo kumulativne vrednosti napetosti med fazami. Zaradi dveh izhodnih relejev (1x NO, 1x NC) je mogoče tudi nadzorovati ali odklopiti breme, ko je dosežena nastavljena vrednost nadtoka, ali vklopiti signalizacijski kontakt za nadzorni sistem. Digitalni releji TRM-xx imajo vgrajene tokovne transformatorje in 3x3-mestni zaslon za prikaz toka. Uporaba in načelo delovanja
Gonilniki
Stanje kontaktov
Indikacijska LED dioda
Funkcija gumba "V/A/RESET"
Zaščita in načelo delovanja 1. Zaščita pred prekomernim tokom (0,5-30 A):
2. Zaščita pred asimetrijo toka:
3. Prenapetostna zaščita (U>440 V):
4. Podnapetostna zaščita (U<265 V):
5. Zaščita pred napetostno asimetrijo:
6. Zaščita pred faznim zaporedjem:
Izračun asimetrije toka Instrument izračuna asimetrijo v skladu s formulo:
Primer: ((25 - 15) / 25) × 100 = 40 % asimetrija toka. Tehnična specifikacija
|
Spletno plačilo s kartico - po zaključku naročila boste preusmerjeni na plačilni prehod, potrditev plačila bo poslana na vaš e-mail
COD - plačilo plačate po plačilnem nalogu vozniku prevoznika
Z bančnim nakazilom- najkasneje naslednji delovni dan na vaš e-mail prejmete avansni račun, na katerem je številka računa, ki jo boste vpisali ob plačilu.
Na predračun - ta možnost plačila je na voljo partnerjem, ki imajo z našim podjetjem podpisano okvirno pogodbo.
Če želite uporabiti zadnja 2 načina, pokličite našega upravitelja in dal vam bo navodila, kako prejeti račun z ali brez DDV.
Elektro oprema, ki jo dobavljamo, ustreza visokim standardom kakovosti, ima 24-mesečno garancijo in izpolnjuje vse zahteve EU.
V primeru reklamacije se vračilo blaga ne zaračuna.
