
Imate vprašanje?
Obvestilo po e-pošti, ko bo izdelek na voljo
- Opis
- Navodila
- Načini plačila
- Garancija
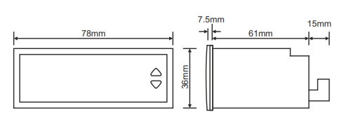
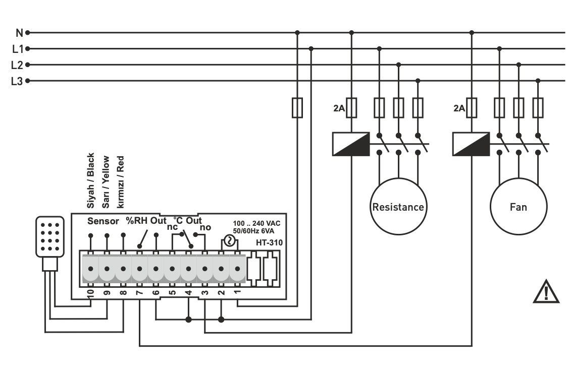
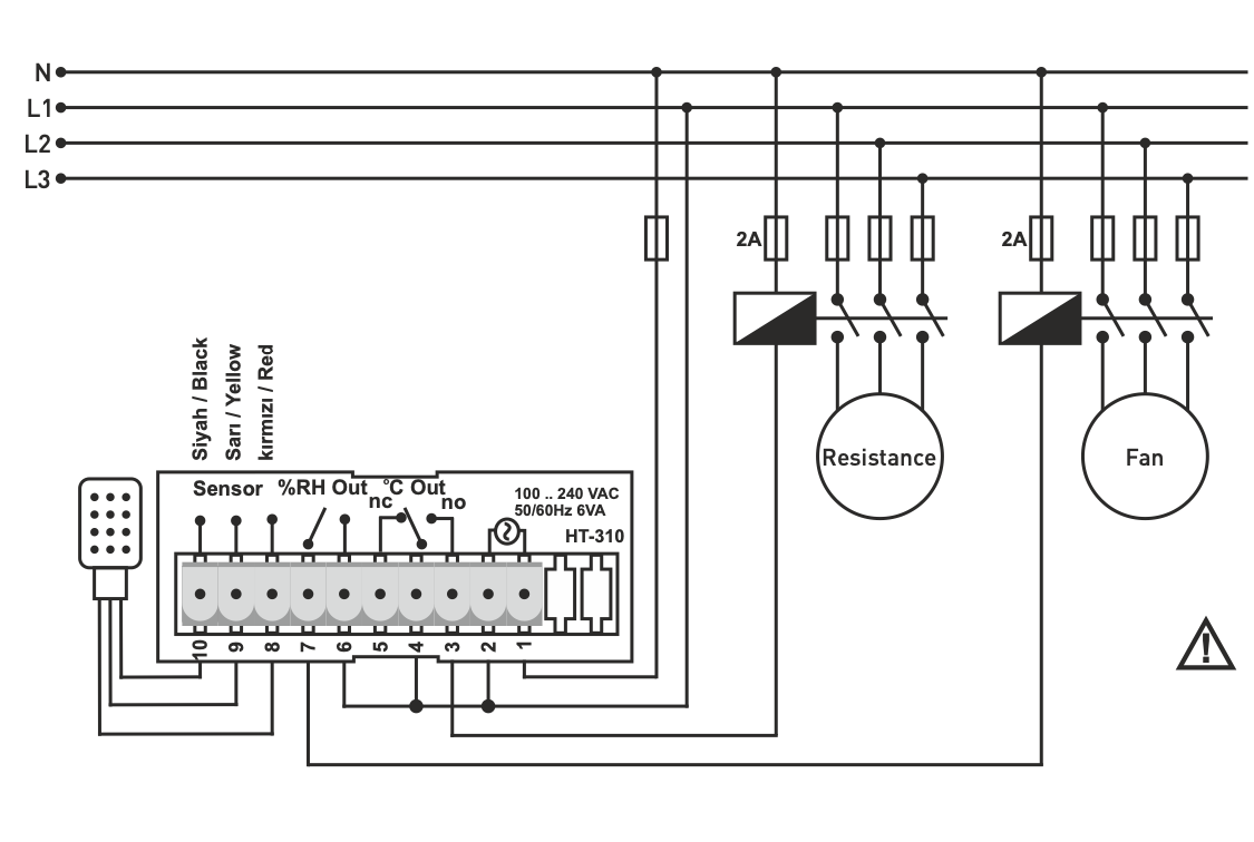
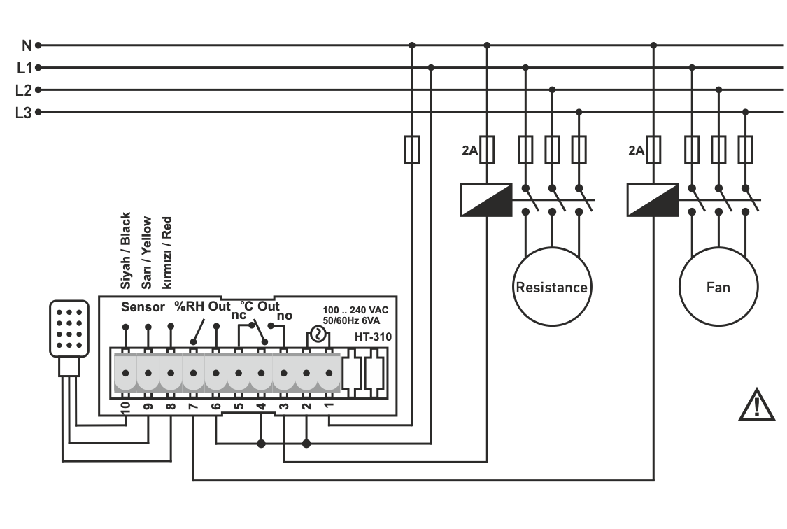
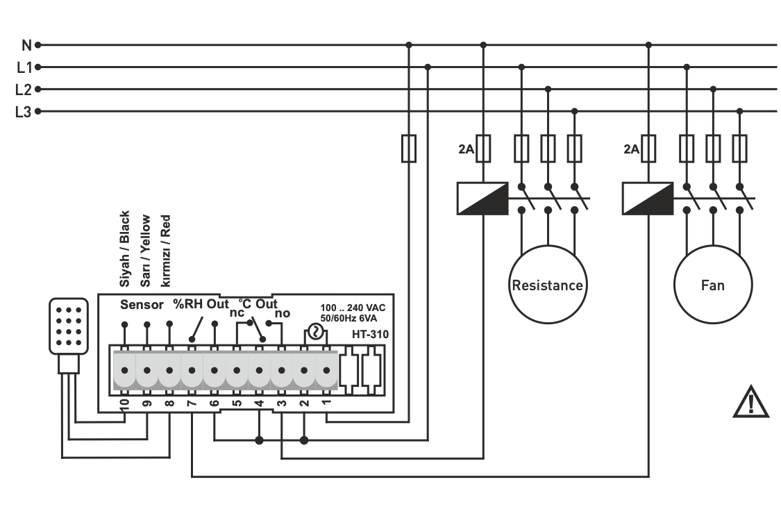
Digitalni rele za nadzor temperature in vlažnosti. Merilna lestvica -19,9 °C ...+80 °C, 5 ... 95 % RH (izdelano v Turčiji, TENSE)
Nadzor in spremljanje toplotnih in vlažnostnih procesov ogrevalnih, klimatizacijskih in prezračevalnih sistemov, avtomatizacije stavb, industrijskih obratov.
Regulator temperature in vlažnosti na podlagi μP
- Histereza:
Pomnilnik EEPROM za shranjevanje nastavitev
Zaščita z geslom
Visoka natančnost
ºC Izhod - rele (NO + NC), 250 VAC, 2A, uporovna obremenitev
%RH Izhod - rele (NO), 250VAC, 2A, uporovna obremenitev
Ločeno nastavljiv "Offset" za merjenje temperature in vlage
Nastavljiv časovni zamik pred vklopom OUT za funkcijo hlajenja
Način upravljanja ON-OFF
Prenesi na
Spletno plačilo s kartico - po zaključku naročila boste preusmerjeni na plačilni prehod, potrditev plačila bo poslana na vaš e-mail
COD - plačilo plačate po plačilnem nalogu vozniku prevoznika
Z bančnim nakazilom- najkasneje naslednji delovni dan na vaš e-mail prejmete avansni račun, na katerem je številka računa, ki jo boste vpisali ob plačilu.
Na predračun - ta možnost plačila je na voljo partnerjem, ki imajo z našim podjetjem podpisano okvirno pogodbo.
Če želite uporabiti zadnja 2 načina, pokličite našega upravitelja in dal vam bo navodila, kako prejeti račun z ali brez DDV.
Elektro oprema, ki jo dobavljamo, ustreza visokim standardom kakovosti, ima 24-mesečno garancijo in izpolnjuje vse zahteve EU.
V primeru reklamacije se vračilo blaga ne zaračuna.
