
Imate vprašanje?
Obvestilo po e-pošti, ko bo izdelek na voljo
- Opis
- Navodila
- Načini plačila
- Garancija
|
Podroben opis DJ-A96T trifazni digitalni ampermeter za montažo na ploščo
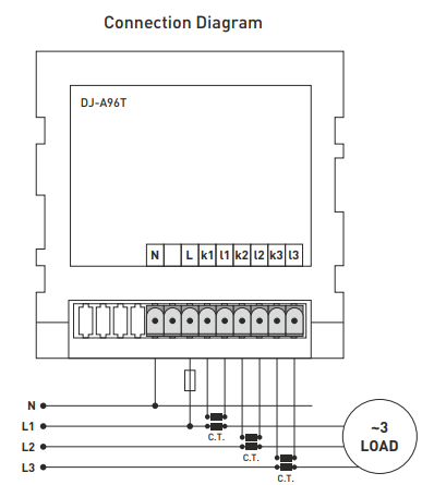
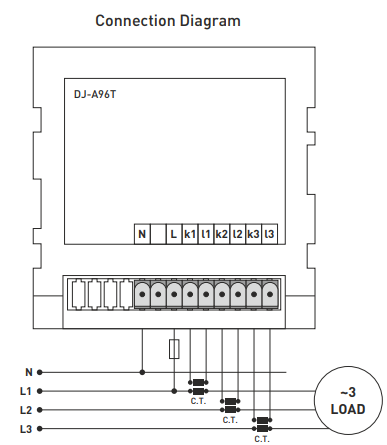
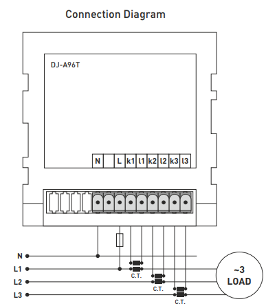
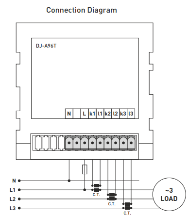
Ampermeter za spremljanje toka v trifaznem sistemu z merjenjem toka na vsaki fazi L1, L2, L3 z uporabo zunanjih tokovnih transformatorjev. Napajalna napetost: 230 V AC, napetost naprave <4VA Tokovno območje: 100 mA ... 5,5 A Območje tokovnega transformatorja: 5/5A - 5000/5A Natančnost merjenja +-2 % Paket ne vključuje tokovnih transformatorjev, lahko jih izberete tukaj. Dobro berljiv 3x4-mestni zaslon, višina 14 mm. Dimenzije 97,2x97,2 mm za izrez 91x91 mm, globina 45 mm
Načelo delovanja in nastavitve: Priključite napravo v skladu s shemo ožičenja. Priključite tokovne transformatorje z razmerjem xxxx/5A glede na tokovno obremenitev vašega sistema. Žice tokovnih transformatorjev priključite na vhodni sponki "kx" in "lx" naprave. Izhod iz tokovnih transformatorjev na ampermeter je lahko največ 5 A. Pred začetkom merjenja obremenitve po vklopu napajanja za 2 sekundi pridržite gumb "Menu". Z gumboma "gor" in "dol" prilagodite razmerje uporabljenih transformatorjev. Če želite shraniti nastavitve, ponovno pridržite gumb "Menu" za 2 sekundi. Priključite breme in ampermeter bo začel prikazovati tok. Iz varnostnih razlogov je treba merilni transformator vedno ozemljiti. Tehnične lastnosti: Vrsta polprevodniškega releja. Vhodna napetost: 3...32 V DC. Vklopljena: 24...480 V AC. Ni namenjen za motorje. Padec napetosti: < 3 V Sprožilni tok: 5 mA Napetost tuljave: 3...32 V DC Največji tok: 25 A Električna izolacijska trdnost: 2500 V AC |
Način krmiljenja: preklop, ko tok preseže ničlo.
Spletno plačilo s kartico - po zaključku naročila boste preusmerjeni na plačilni prehod, potrditev plačila bo poslana na vaš e-mail
COD - plačilo plačate po plačilnem nalogu vozniku prevoznika
Z bančnim nakazilom- najkasneje naslednji delovni dan na vaš e-mail prejmete avansni račun, na katerem je številka računa, ki jo boste vpisali ob plačilu.
Na predračun - ta možnost plačila je na voljo partnerjem, ki imajo z našim podjetjem podpisano okvirno pogodbo.
Če želite uporabiti zadnja 2 načina, pokličite našega upravitelja in dal vam bo navodila, kako prejeti račun z ali brez DDV.
Elektro oprema, ki jo dobavljamo, ustreza visokim standardom kakovosti, ima 24-mesečno garancijo in izpolnjuje vse zahteve EU.
V primeru reklamacije se vračilo blaga ne zaračuna.
Morda vam bo všeč tudi
Nedavno ogledani izdelki
- Izbira možnosti povzroči osvežitev celotne strani.
