
Imate vprašanje?
Obvestilo po e-pošti, ko bo izdelek na voljo
- Opis
- Navodila
- Načini plačila
- Garancija
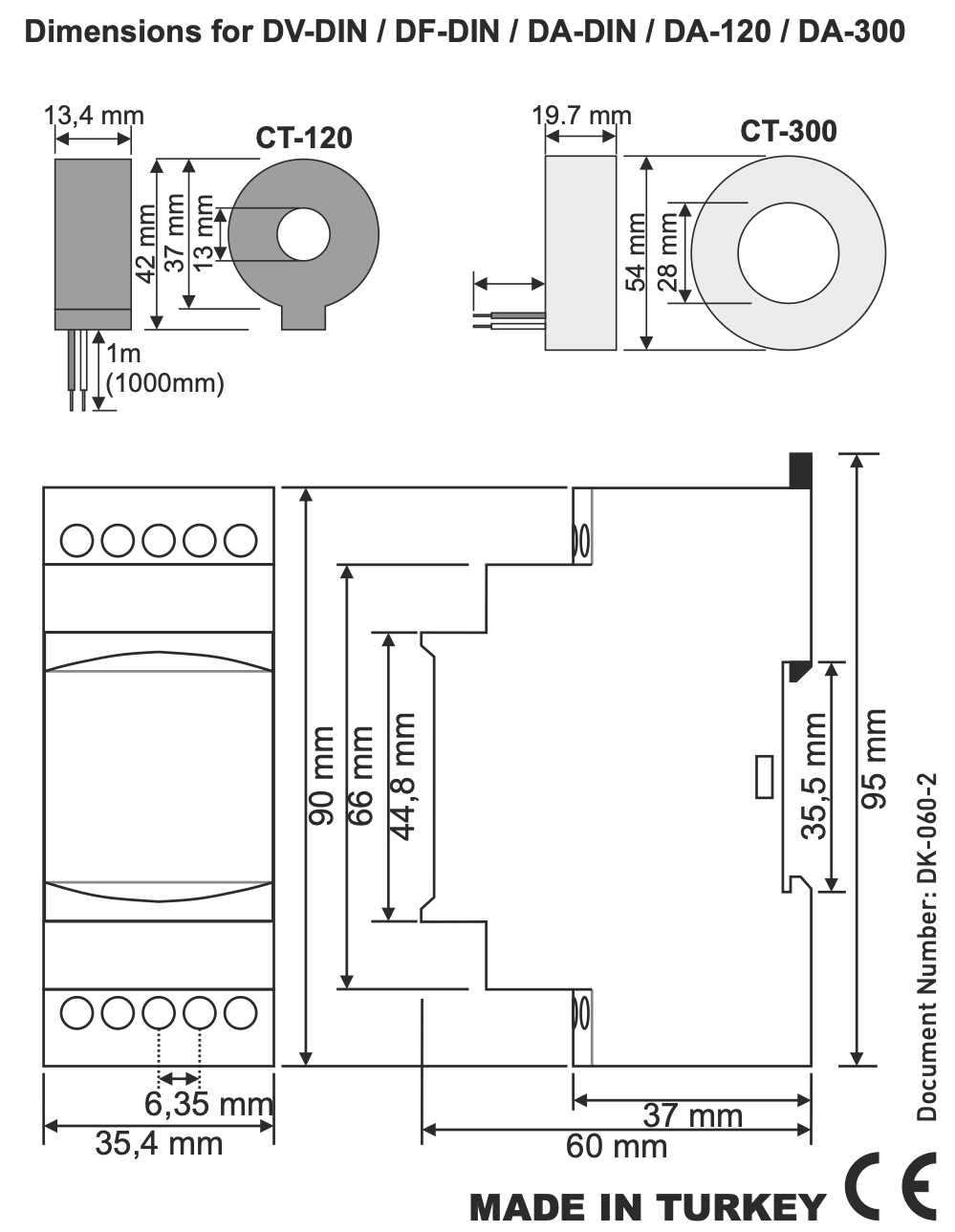
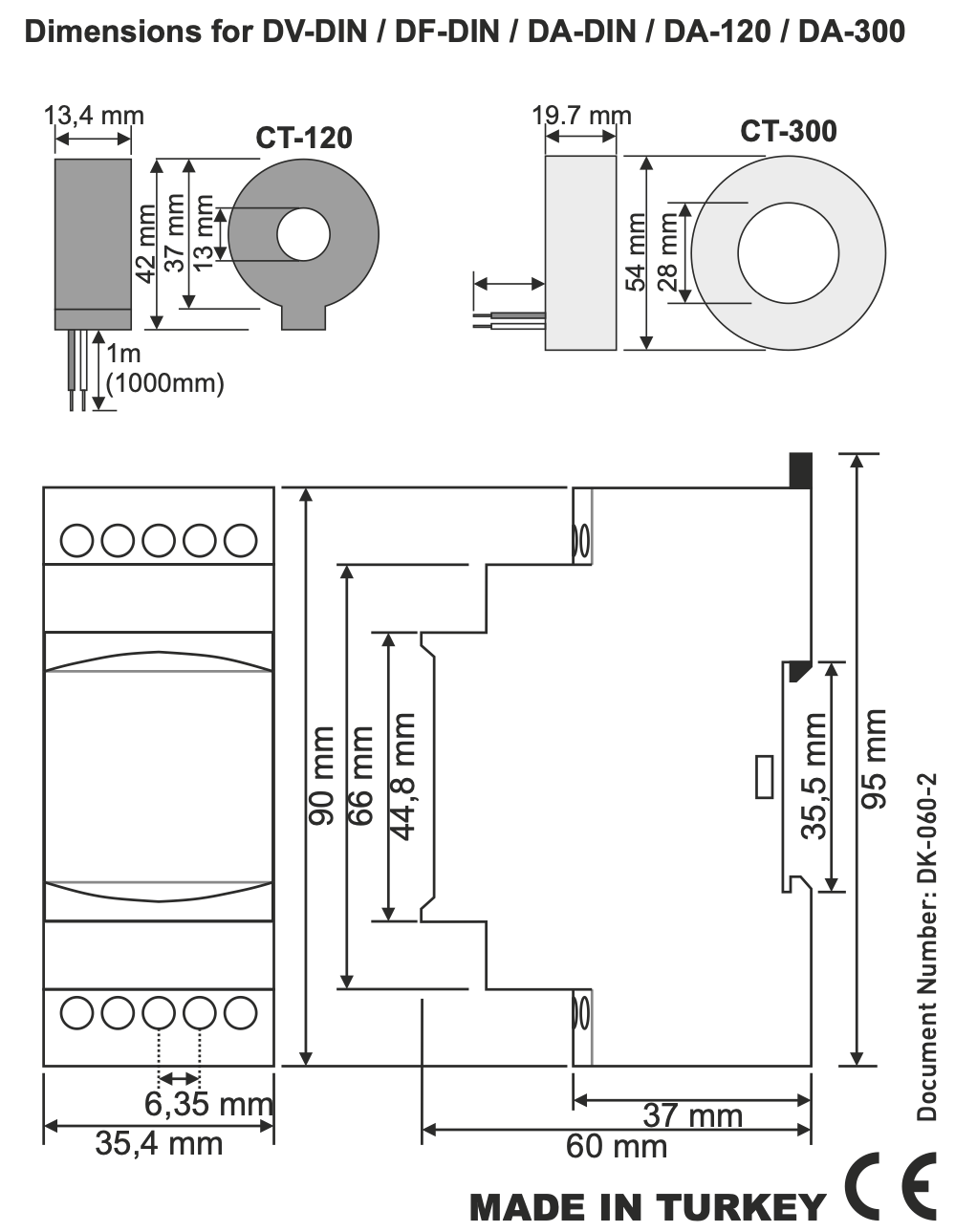
Digitalni voltmeter za izmenično napetost 0-500V True RMS, panelni merilniki TENSE
Voltmeter se pritrdi na standardno 35 mm DIN-lestvico
Spletno plačilo s kartico - po zaključku naročila boste preusmerjeni na plačilni prehod, potrditev plačila bo poslana na vaš e-mail
COD - plačilo plačate po plačilnem nalogu vozniku prevoznika
Z bančnim nakazilom- najkasneje naslednji delovni dan na vaš e-mail prejmete avansni račun, na katerem je številka računa, ki jo boste vpisali ob plačilu.
Na predračun - ta možnost plačila je na voljo partnerjem, ki imajo z našim podjetjem podpisano okvirno pogodbo.
Če želite uporabiti zadnja 2 načina, pokličite našega upravitelja in dal vam bo navodila, kako prejeti račun z ali brez DDV.
Elektro oprema, ki jo dobavljamo, ustreza visokim standardom kakovosti, ima 24-mesečno garancijo in izpolnjuje vse zahteve EU.
V primeru reklamacije se vračilo blaga ne zaračuna.
Morda vam bo všeč tudi
Nedavno ogledani izdelki
- Izbira možnosti povzroči osvežitev celotne strani.
