
Imate vprašanje?
Obvestilo po e-pošti, ko bo izdelek na voljo
- Opis
- Navodila
- Načini plačila
- Garancija
|
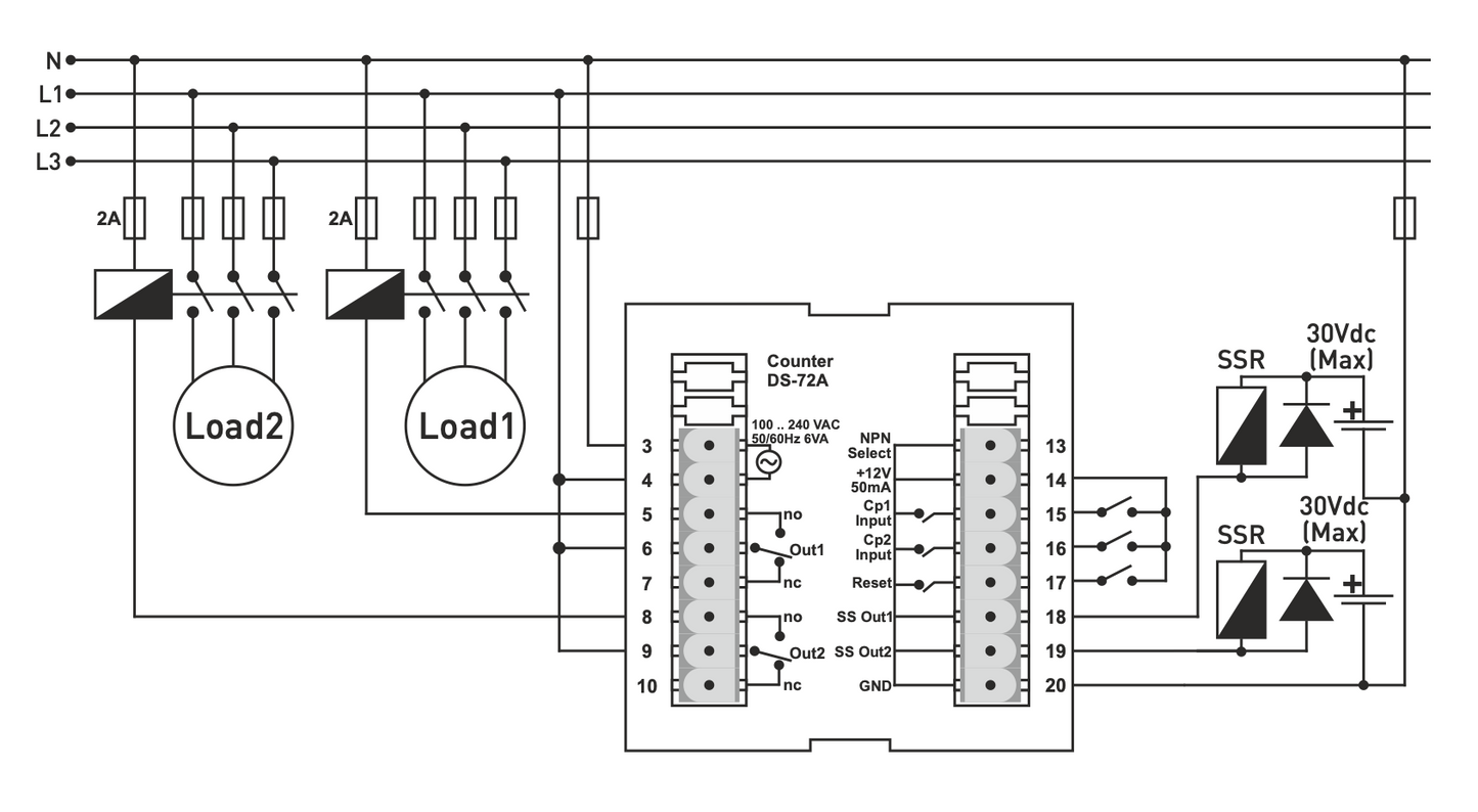
Podroben opis Splošna specifikacija števca impulzov DS-72A: 2x 6-mestni zaslon, 2x prednastavljena vrednost, 2x izhodni rele OUT, 2x SSout za krmiljenje releja SSR.
Šteje signale iz mehanskih stikal, končnih stikal, induktivnih senzorjev bližine PNP/NPN in vhodov inkrementalnega enkoderja. Štetje navzgor/navzdol. Zaščita z geslom. Izbirna vhodna frekvenca: 20, 50, 2500, 7500 Hz. Kalibracijska konstanta: 0,00001.....9,99999 Izbirna decimalna vejica: 0 / 0,0 / 0,00 / 0,000
Možnosti kombinacije funkcij: 7 vhodnih funkcij / 10 izhodnih funkcij: Seštevanje, odštevanje: odštevanje, seštevanje/odštevanje iz dveh vhodov hkrati, prekinitev štetja/odštevanja, ki jo krmili drugi vhod, negacija vhoda, ki jo nadzoruje drugi vhod, seštevanje/odštevanje z vodilnega roba/padajočega roba/ obeh robov hkrati, seštevanje po vodilnem robu / odštevanje po padajočem robu / zanikanje funkcije z drugim vhodom.
Nastavljiv "OFFSET" izračunane vrednosti. Prednastavitev 1 z možnostjo absolutne/relativne vrednosti. OUT 2x rele: vklopi se, ko je vrednost dosežena, in se zadrži do RESET-a ali impulza v območju 0,1.....999,9 sekunde. Zapomni si vrednost štetja impulzov in stanje releja OUT ob zadnjem izpadu napajanja in ga je mogoče ponastaviti ob prvem ponovnem vklopu napajanja. Ponastavitev z gumbom na sprednji plošči ali s signalom na priključek RESET(17). Prikaže lahko prednastavljene vrednosti ½. Pomnilnik EEPROM za shranjevanje nastavitev.
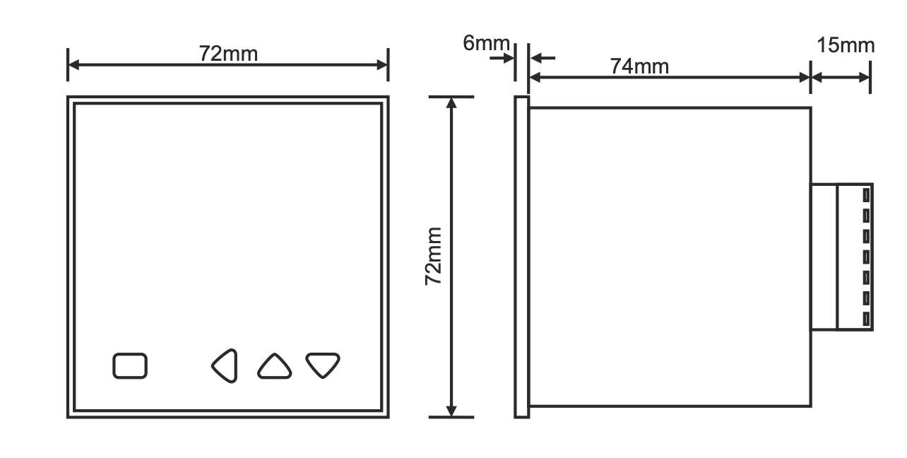
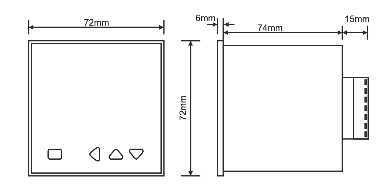
Tehnične lastnosti: Dimenzije / odprtina: 72x72x94 mm / 67x67 mm Prikazovalnik: 2x 6-mestni 7-segmentni LED prikazovalnik. IndikacijaLED: 5x: OUT1, OUT2, Finger1, Finger2, Batch. Vhodi: 2x (največ: 7500 Hz, 5-30 V) Izbira NPN: priključite sponko "npn select" (13) na sponko "+12V" (14), da priključite tipalo NPN, priključeno na vhod Cp1 (15) in Cp2 (16). Vhod za ponastavitev je vedno PNP. Pri tipalu totemskega polja ali tipalu tipa PNP tipalo "npn select" ne bo priključeno. Vrste vhodov: mehansko stikalo, induktivni izhod kodirnika PNP/NPN izhod kodirnika NPN/PNP/totem polja. Vhodne frekvence: 20, 50, 2500, 7500 Hz. Ponastavitveni signal: sponka RESET (17), najmanj 10 ms, signal + (samo PNP) (5...30 V). Izhodi (OUT): 2x SPDT rele 250 VAC, 2A, uporovna obremenitev, OUT1: sponke 6=COM, 5=NO, 7=NC OUT2: sponke 9=COM, 8=NO, 10=NC SSout 2x krmiljenje SSR - NPN, 30 V, max. 100 mA, priključek 18=SSout1, 19=SSout2, 20=GND
Napajanje senzorja: sponka (14) 12 VDC, 50 mA (max.), neregulirano. Napajalna napetost: 100...240 VAC, 50-60 Hz. Poraba energije: < 8 VA Delovna temperatura: -20 °C ... +55 °C Nadmorska višina: < 2000 m
Opombe za namestitev: Uporabite zaščitene in zvite signalne kable ter povežite zaščito z zemljo. Vse signalne kable hranite stran od odklopnikov, induktivnih bremen, opreme/kabelov, ki oddajajo električni šum, in napajalnih kablov. Poskrbite za zaščito pred vplivi okolja, kot so vlaga, vibracije, onesnaženje in visoka/nizka temperatura namestitve. Uporabite varovalko (F250mA 250VAC) na omrežnem/močnostnem vhodu opreme. Za napajanje uporabite ustrezne kable. Med namestitvijo upoštevajte varnostne predpise. Za kodirnike raje uporabite možnost (Inpt = Phs1), za štetje impulzov mehanskega stikala ON-OFF izberite možnost (Freq = 20). Vedno izberite možnost z najmanjšo vhodno frekvenco, ki ustreza vaši uporabi. Za Inpt = 1u2u, 1u2d, Phs2; frekvenca vhodnega signala ne sme biti večja od ½ izbrane možnosti vhodne frekvence, kadar se uporabljata oba vhoda. |
Za Inpt = Phs4; frekvenca vhodnega signala ne sme biti višja od 1/4 izbrane možnosti vhodne frekvence, kadar se uporabljata oba vhoda.
Spletno plačilo s kartico - po zaključku naročila boste preusmerjeni na plačilni prehod, potrditev plačila bo poslana na vaš e-mail
COD - plačilo plačate po plačilnem nalogu vozniku prevoznika
Z bančnim nakazilom- najkasneje naslednji delovni dan na vaš e-mail prejmete avansni račun, na katerem je številka računa, ki jo boste vpisali ob plačilu.
Na predračun - ta možnost plačila je na voljo partnerjem, ki imajo z našim podjetjem podpisano okvirno pogodbo.
Če želite uporabiti zadnja 2 načina, pokličite našega upravitelja in dal vam bo navodila, kako prejeti račun z ali brez DDV.
Elektro oprema, ki jo dobavljamo, ustreza visokim standardom kakovosti, ima 24-mesečno garancijo in izpolnjuje vse zahteve EU.
V primeru reklamacije se vračilo blaga ne zaračuna.
Morda vam bo všeč tudi
Nedavno ogledani izdelki
- Izbira možnosti povzroči osvežitev celotne strani.
