
Imate vprašanje?
Obvestilo po e-pošti, ko bo izdelek na voljo
- Opis
- Načini plačila
- Garancija
-
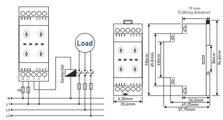
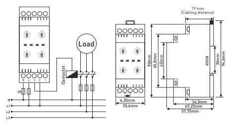
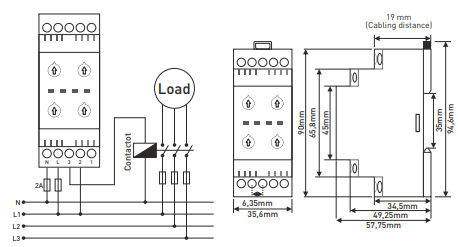
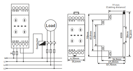
Premer kabla: 2,5 mm2
Rele za zaščito opreme z občutljivimi delovnimi napetostmi in prenizkimi napetostmi pred okvarami zaradi omrežne napetosti. Enofazni. Proizvaja TENSE.
Podroben opis
Relej za nadzor prenapetosti in prenapetosti GKM-11, enofazni
Nastavljiv rele za zaščito pred napetostjo (prenapetost in prenizka napetost) GKM-11 je namenjen merjenju napetosti in preprečevanju napak z izklopom releja (izklopom bremena) v enofaznih distribucijskih sistemih, razdelilnikih in opremi. Spremlja velikost napetosti v enofaznem sistemu med L-N.
Z vrtljivimi potenciometri Mogoče je nastaviti zgornjo in spodnjo mejo napetosti, pri kateri se odpre kontakt izhodnega releja. Nastavljiv časovni zamik "DT" in "RT" omogoča odpravo prehitrega nezaželenega odziva. Napajanje je interno priključeno iz nadzorovane napetosti. Normalno stanje je označeno z zeleno LED diodo. Napačno stanje je označeno z dvema rdečima LED diodama "LV" in "HV" ter z odpiranjem izhodnega kontakta releja.
Tehnične specifikacije
Delovna napetost: 220 V AC, 50/60 Hz.
Visoka napetost: 230 V-300 V
Nizka napetost: 150V-210V
Čas zakasnitve: 0,5 s - 20 s.
Čas ponastavitve: 0,5 s - 20 s.
Delovna moč: <6 VA
Delovna temperatura: -20 °C ..... + 55 °C
Prikazovalnik: 3 LED diode
Vrsta priključka: montaža na DIN letev.
Teža: 0,100 kg
Kontakt: 5A / 250VAC Uporna obremenitev
Delovna nadmorska višina: < 2000 m
Spletno plačilo s kartico - po zaključku naročila boste preusmerjeni na plačilni prehod, potrditev plačila bo poslana na vaš e-mail
COD - plačilo plačate po plačilnem nalogu vozniku prevoznika
Z bančnim nakazilom- najkasneje naslednji delovni dan na vaš e-mail prejmete avansni račun, na katerem je številka računa, ki jo boste vpisali ob plačilu.
Na predračun - ta možnost plačila je na voljo partnerjem, ki imajo z našim podjetjem podpisano okvirno pogodbo.
Če želite uporabiti zadnja 2 načina, pokličite našega upravitelja in dal vam bo navodila, kako prejeti račun z ali brez DDV.
Elektro oprema, ki jo dobavljamo, ustreza visokim standardom kakovosti, ima 24-mesečno garancijo in izpolnjuje vse zahteve EU.
V primeru reklamacije se vračilo blaga ne zaračuna.
