
Imate vprašanje?
Obvestilo po e-pošti, ko bo izdelek na voljo
- Opis
- Navodila
- Načini plačila
- Garancija
|
Fazni zaščitni rele z nadzorom zaporedja faz, asimetrija: 5-50 % (nastavljiva), proizvajalec TENSE (Turčija)
Fazni zaščitni releji so zasnovani za zaščito trifaznih elektromotorjev pred okvarami omrežja, povezanimi z motnjami faznega zaporedja, asimetrijo napetosti, prekoračitvijo ali znižanjem dovoljenega nivoja napetosti.
Napetost: 400-480 V AC (nastavljiva) Podnapetost: 260 V-360 V AC (nastavljiva) Asimetrija: 5-50 % (nastavljiva) Čakalni čas napake: 1 s - 30 s (nastavljivo) Čas ponastavitve: 1 s - 30 s (nastavljivo) Krmiljenje izmenične faze
Splošna načela delovanja:
V normalnem stanju: Ko so vse faze znotraj dovoljenih vrednosti in je njihov vrstni red pravilen, se rele vklopi in prižge se LED dioda OUT.
Visokonapetostna (H) napaka: Ko napetost na eni ali več fazah preseže nastavljeno vrednost, naprava počaka nastavljeni čakalni čas za napako (Err In), nato se na zaslonu prikaže "H", rele se izklopi, dioda OUT pa ne sveti.
Ko vse napetosti padejo za 5 V pod nastavljeno mejo, naprava počaka na čas okrevanja (Err OUT), nato se rele vklopi in LED dioda OUT zasveti.
Napaka nizke napetosti (L): Če napetost na eni ali več fazah pade pod nastavljeno mejo, naprava počaka na Err In, nato se prikaže L, rele se izklopi in zasveti se indikator OUT.
Če napetost naraste za 5 V nad mejno vrednost, naprava počaka na Err OUT, nato se rele vklopi.
Napaka fazne asimetrije (Asa): Ko razlika napetosti med fazami preseže nastavljeno vrednost, naprava počaka na Err In, nato se prikaže "ASy" in rele se izklopi.
Ko se asimetrija zmanjša za 2 % nastavljenega praga, naprava počaka na Err OUT, nato se rele vklopi.
Napaka faznega zaporedja (pHs): Ko je fazno zaporedje prekinjeno, naprava počaka na Err In, nato se prikaže "phs", rele se odklopi od napajanja. Ko se ponovno vzpostavi pravilno zaporedje, naprava počaka na Err OUT, nato se rele vklopi.
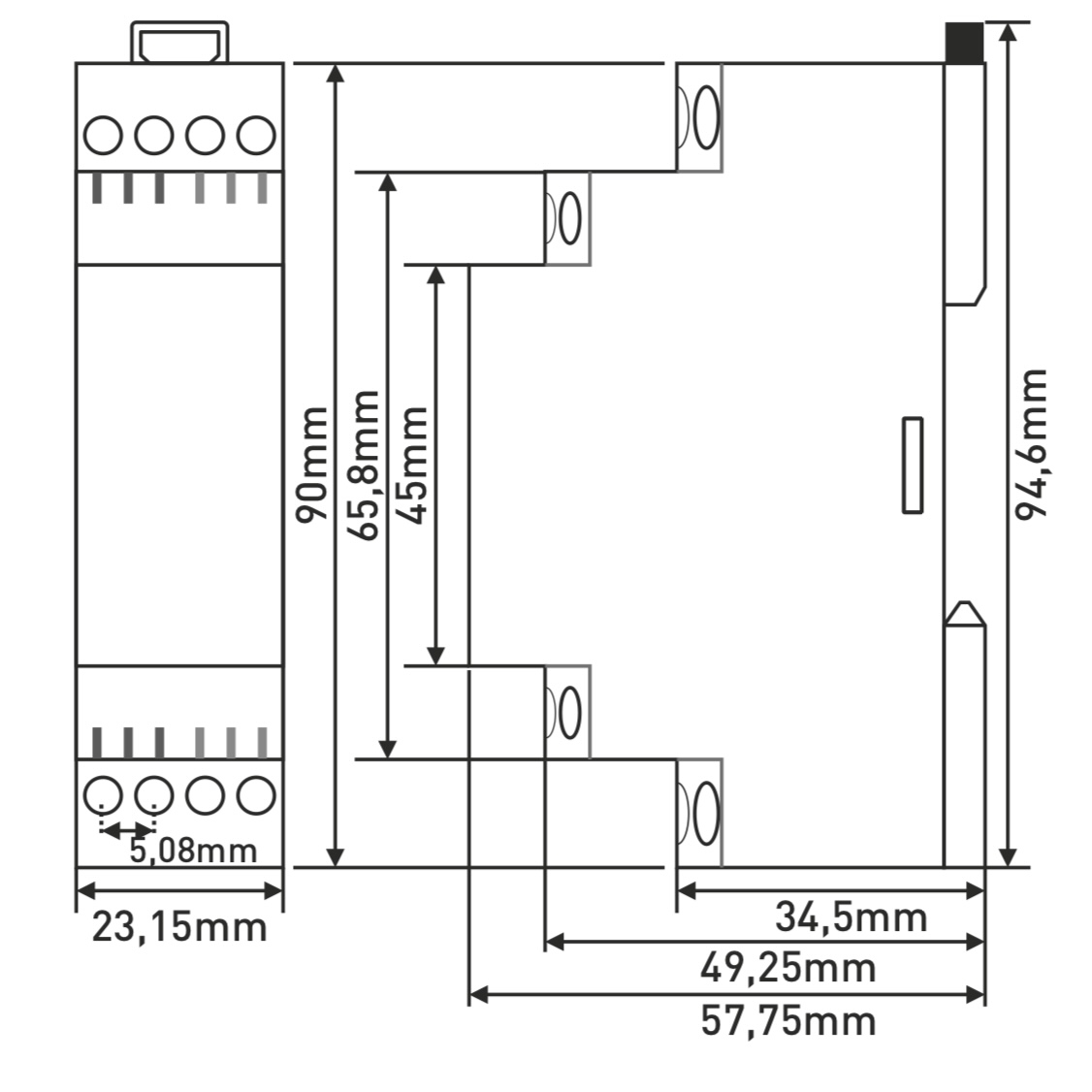
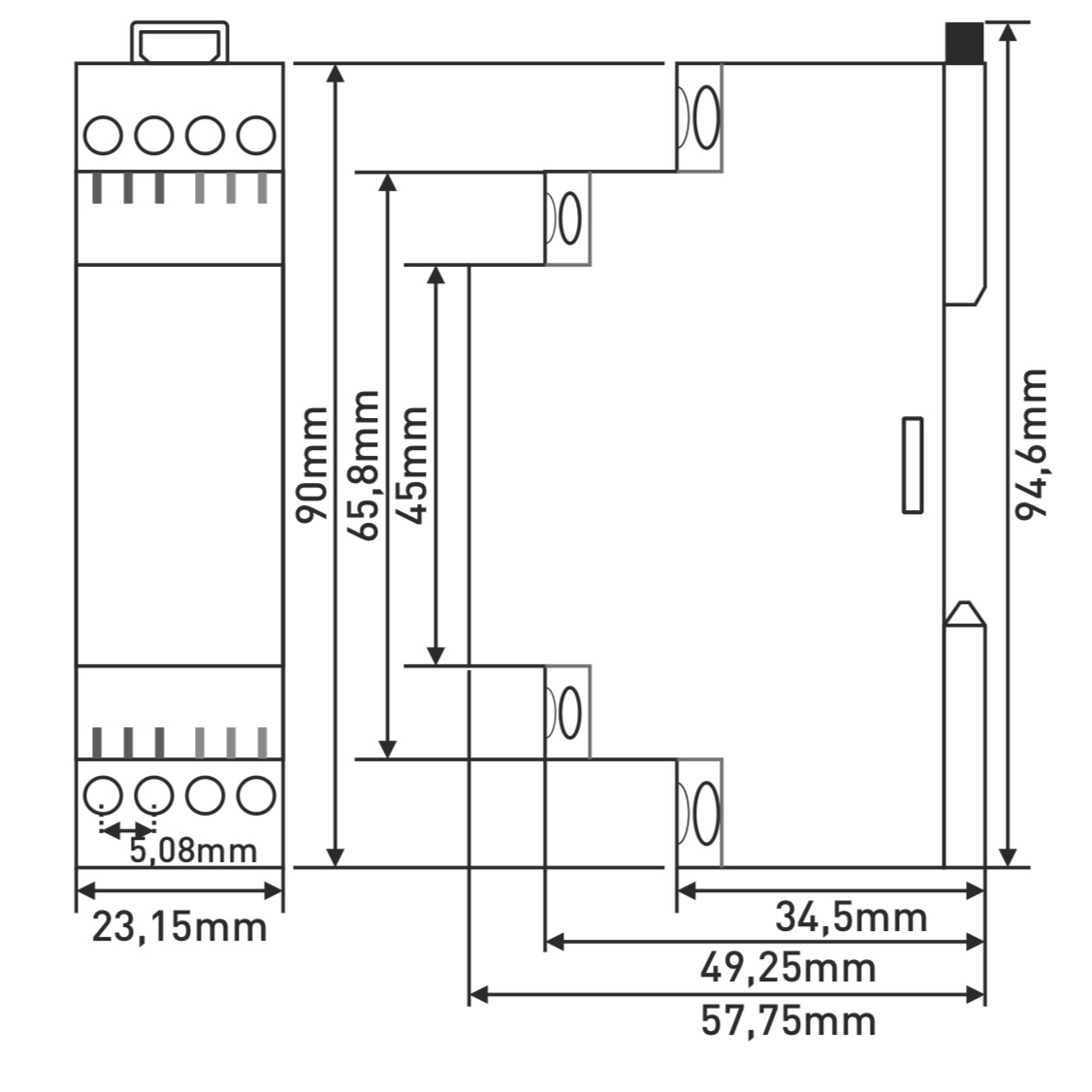
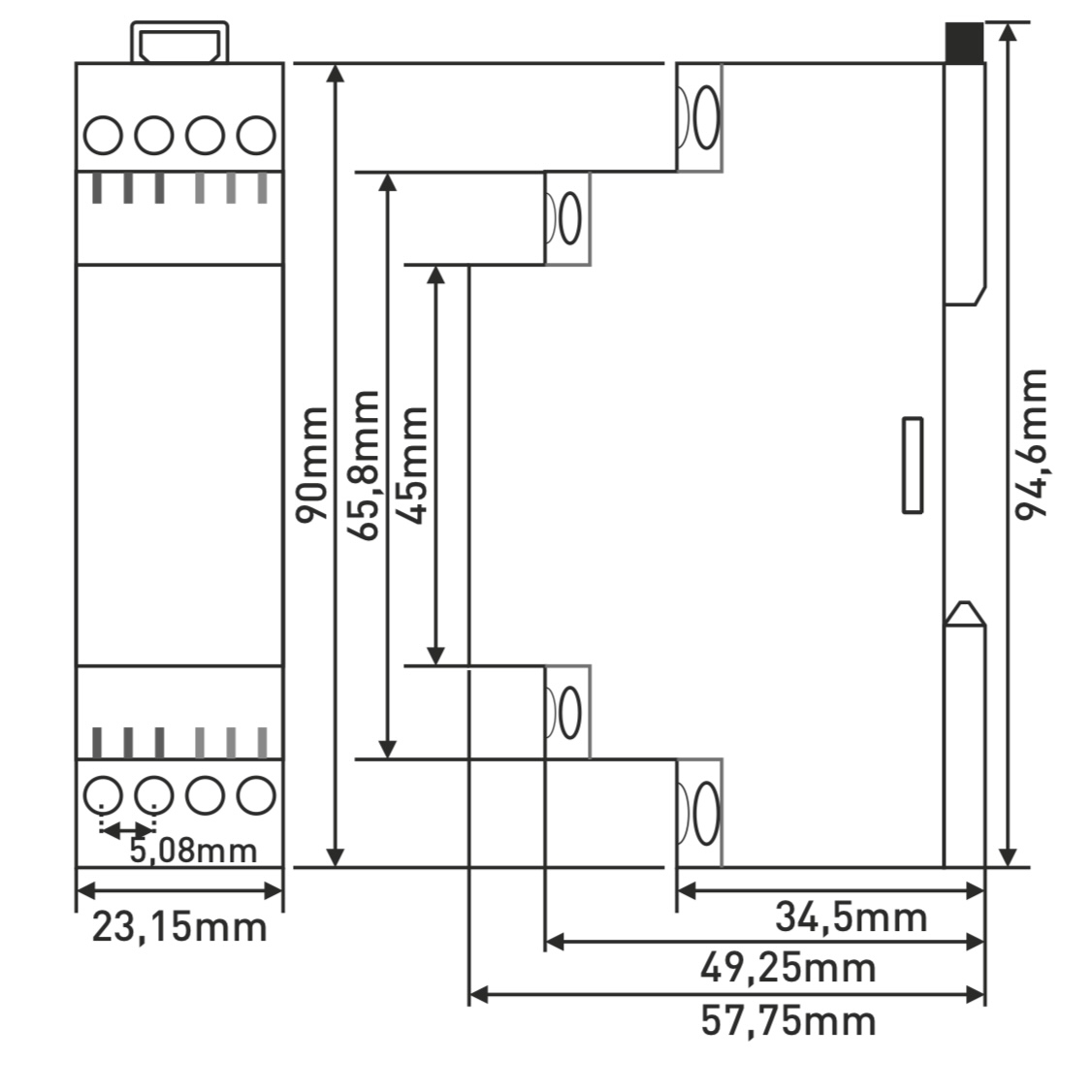
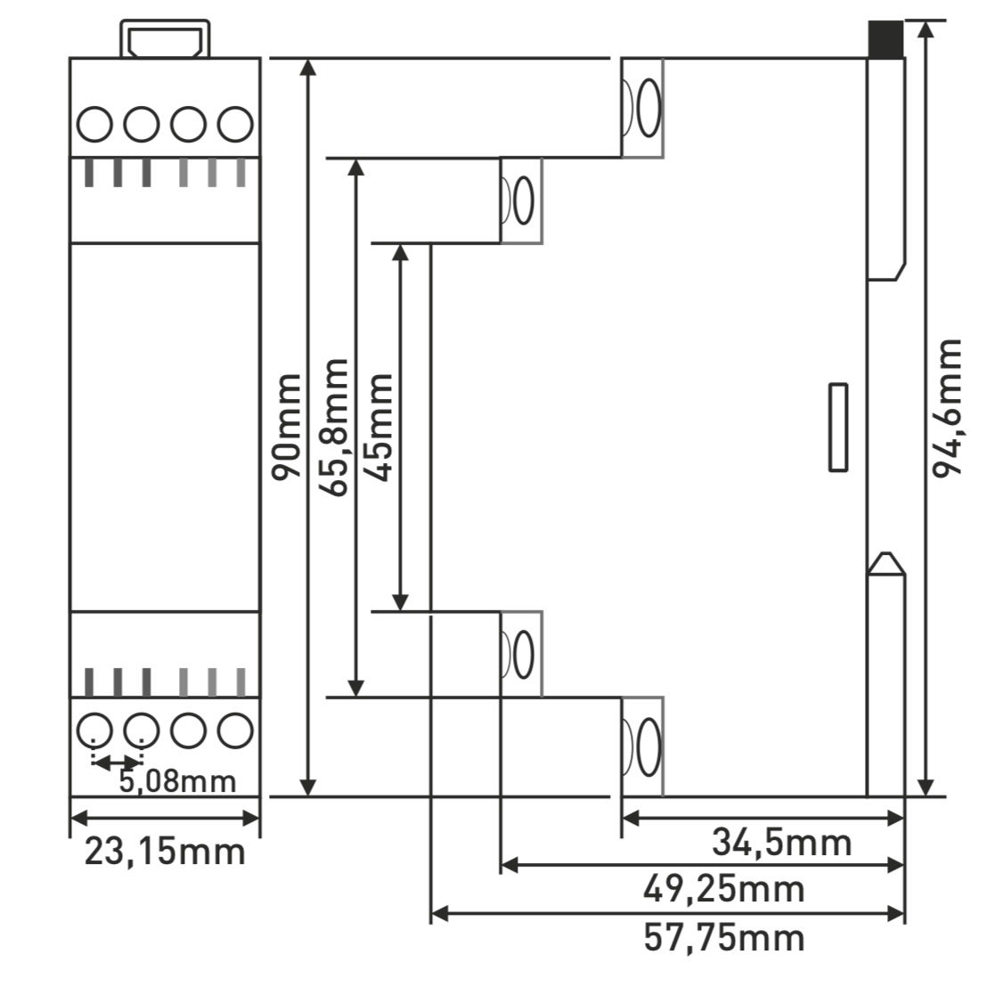
Tehnične specifikacije
Delovna napetost (Un) 3×380 VAC + ničelna žica Frekvenca 50/60 Hz Vhodna moč < 6 VA Delovna temperatura od -20 °C do +55 °C Prag visoke napetosti 400-480 V AC Prag nizke napetosti 260-360 V AC Asimetrija (prilagoditev) od 5 % do 50 % Relejski kontakt 5 A / 250 V AC (uporovna obremenitev) Prikazovalnik 3 × 3-segmentni prikazovalnik, 1 LED Pritrditev na letev DIN Teža < 150 g Največja višina namestitve < 2000 m |
Presek kabla do 2,5 mm²
Spletno plačilo s kartico - po zaključku naročila boste preusmerjeni na plačilni prehod, potrditev plačila bo poslana na vaš e-mail
COD - plačilo plačate po plačilnem nalogu vozniku prevoznika
Z bančnim nakazilom- najkasneje naslednji delovni dan na vaš e-mail prejmete avansni račun, na katerem je številka računa, ki jo boste vpisali ob plačilu.
Na predračun - ta možnost plačila je na voljo partnerjem, ki imajo z našim podjetjem podpisano okvirno pogodbo.
Če želite uporabiti zadnja 2 načina, pokličite našega upravitelja in dal vam bo navodila, kako prejeti račun z ali brez DDV.
Elektro oprema, ki jo dobavljamo, ustreza visokim standardom kakovosti, ima 24-mesečno garancijo in izpolnjuje vse zahteve EU.
V primeru reklamacije se vračilo blaga ne zaračuna.
Morda vam bo všeč tudi
Nedavno ogledani izdelki
- Izbira možnosti povzroči osvežitev celotne strani.
