
Imate vprašanje?
Obvestilo po e-pošti, ko bo izdelek na voljo
- Opis
- Navodila
- Načini plačila
- Garancija
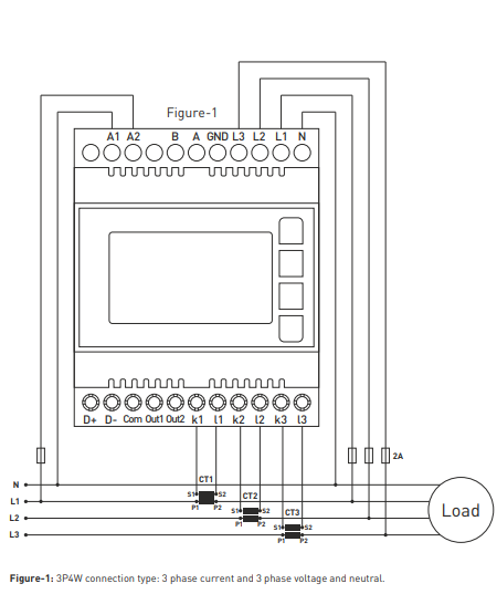
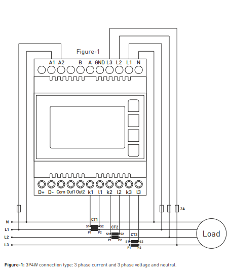
3-fazni omrežni analizator / omrežni analizator / omrežni analizator - večnamenski digitalni panelni merilnik, indikator toka, napetosti, frekvence in skupne moči, z relejnim izhodom, RS485 ModBus RTU - TPM-04SHDL proizvajalec TENSE (Turčija) panelni merilniki.
Analizatorji moči so namenjeni merjenju in spremljanju električnih vrednosti. Zahvaljujoč komunikacijski funkciji je mogoče izmerjene energijske vrednosti neodvisno spremljati in o njih poročati. Z analizatorji moči je mogoče opravljati analize, kot so kakovost električne energije, učinkovitost in izračun stroškov na enoto.
Glavne prednosti:
- RS485 Modbus RTU (1200-19200b/s)
- Trifazni napetostni transformator in trifazni tokovni transformator.
-
Prikazuje harmonske komponente napetosti in toka do 31. harmonske.
-
Prikazuje aktivno moč na fazo (P)
-
Prikazuje jalovo moč na fazo (Q, induktivna in kapacitivna)
-
Prikazuje navidezno moč v fazi (S)
-
Prikaže vrednosti Cosφ in faktorja moči za vsako fazo.
-
Prikazuje vrednosti napetosti (V) in toka (I) med fazami in nevtralnimi fazami ter meri frekvenco.
-
Prikazuje skupne vrednosti uvoza in izvoza aktivne energije (ΣkWh)
-
Prikaže skupne vrednosti induktivne in kapacitivne jalove energije (ΣkVArh).
-
Prikaže najmanjše in največje vrednosti, največje povpraševanje
-
2 relejska izhoda, 1 digitalni vhod
-
Dnevniki dogodkov (visoka/nizka napetost/tok, asimetrija napetosti/toka, THD-I)
-
Meni je zaščiten z geslom.
Običajno se ta omrežni analizator uporablja s tokovnimi merilnimi transformatorji - 60/5 75/5 100/5 150/5 200/5 250/5 300/5 400/5 500/5 600/5 800/5 1000/5 1500/5 ali podobnimi. Če boste analizator priključili na ModBus, vam bomo na zahtevo poslali "registracijsko tabelo" z naslovi ModBus.
Prenesi na
Spletno plačilo s kartico - po zaključku naročila boste preusmerjeni na plačilni prehod, potrditev plačila bo poslana na vaš e-mail
COD - plačilo plačate po plačilnem nalogu vozniku prevoznika
Z bančnim nakazilom- najkasneje naslednji delovni dan na vaš e-mail prejmete avansni račun, na katerem je številka računa, ki jo boste vpisali ob plačilu.
Na predračun - ta možnost plačila je na voljo partnerjem, ki imajo z našim podjetjem podpisano okvirno pogodbo.
Če želite uporabiti zadnja 2 načina, pokličite našega upravitelja in dal vam bo navodila, kako prejeti račun z ali brez DDV.
Elektro oprema, ki jo dobavljamo, ustreza visokim standardom kakovosti, ima 24-mesečno garancijo in izpolnjuje vse zahteve EU.
V primeru reklamacije se vračilo blaga ne zaračuna.
