
Imate vprašanje?
Obvestilo po e-pošti, ko bo izdelek na voljo
- Opis
- Načini plačila
- Garancija
|
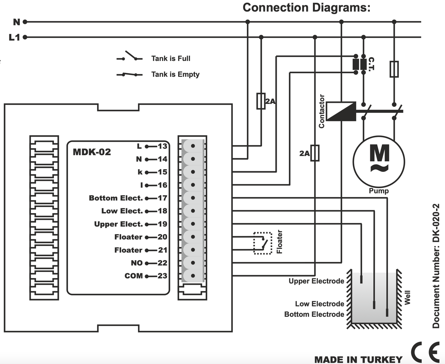
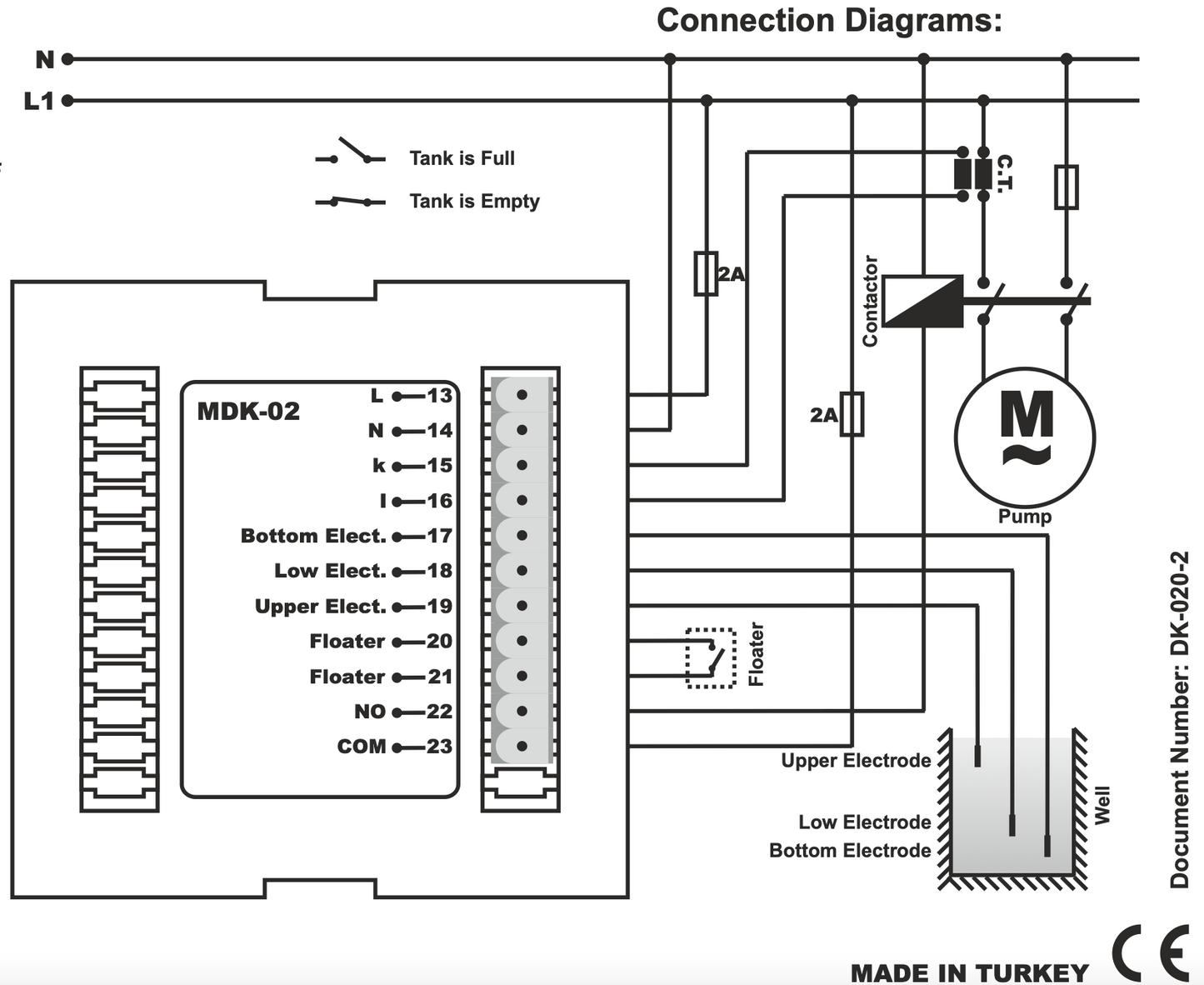
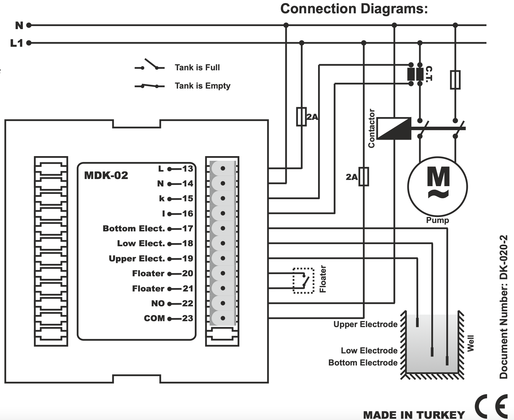
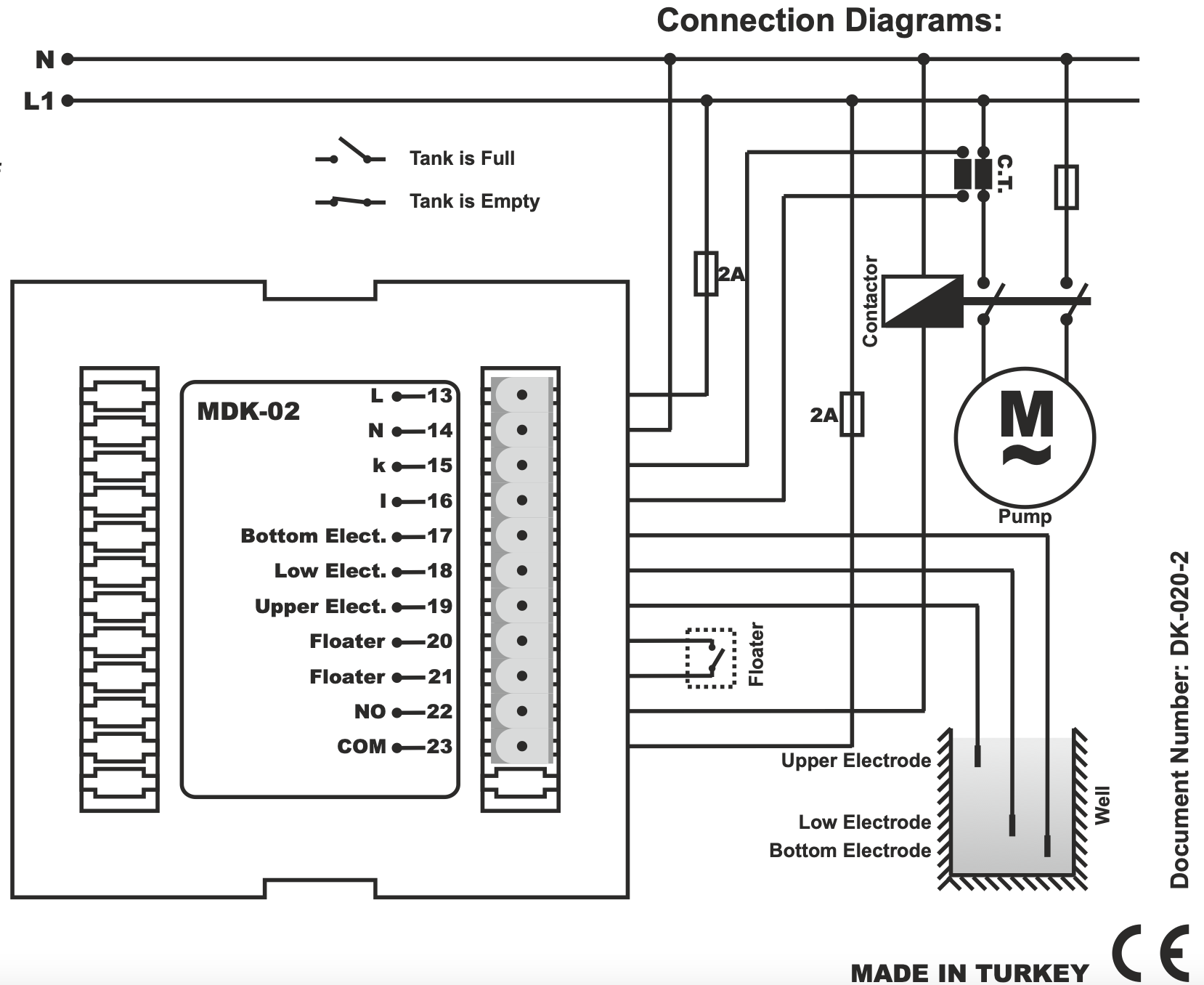
Enofazni krmilnik potopne črpalke za vrtine, 140 V-280 V AC, 60 A, Tense Št. izdelka: MDK-02 Elektrode (senzorji nivoja tekočine) niso vključene.
Ta regulator je zasnovan za zaščito potopnih črpalk za vrtine pred različnimi potencialnimi težavami, ki se lahko pojavijo med delovanjem, kot so napetostni in tokovni sunki, pomanjkanje vode v vrtini ali vodnjaku in preobremenitev črpalke. Vgrajene funkcije omogočajo tudi spremljanje ravni napolnjenosti rezervoarja, nastavitev časovnih zamikov za nujne primere in regulacijo prenapetostnih tokov.
Načelo delovanja krmilnika.
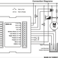
Pred priključitvijo naprave preberite poglavje "Pomembno!". Senzorje in tokovni transformator priključite na napravo v skladu s shemo ožičenja (slika 1), nato pa priključite napajanje. Preverite, ali tovarniško nastavljeni parametri ustrezajo obratovalnim parametrom vaše črpalke. Po potrebi lahko spremenite naslednje parametre:
(P1) - največja dovoljena vrednost napetosti
(P2) - največja dovoljena vrednost toka
(P3) - najmanjša dovoljena vrednost napetosti
(P4) - najmanjša dovoljena vrednost toka
(P5) - zakasnitev odziva na napako
(P6) - čas samodejne ponastavitve po napaki toka
(P7) - tokovni koeficient (multiplikator) za interval zagona
(P8) - čas zagonskega intervala
(P9) - število samodejnih ponastavitev po tokovni napaki, po katerih naprava preide v način izrednega stanja in zahteva posredovanje operaterja
(P10) - zgornji čas zakasnitve odziva senzorja (daljši čas - črpalka se vklopi manjkrat - podaljša se življenjska doba črpalke)
Po prvi priključitvi na električno omrežje naprava počaka 4 sekunde, nato analizira parametre omrežja in njihovo skladnost z nastavljenimi parametri ter analizira, ali je v vodnjaku voda. Preveri, ali je v rezervoarju v vodnjaku dovolj prostora, in če je krmilnik v načinu "START" (spodnji zeleni indikator sveti) (sveti), se vklopijo krmilni kontakti in zasveti zgornji zeleni indikator "črpalka". Na zaslonu se prikažejo trenutne vrednosti napetosti in toka.
Če želite vstopiti v ta način, pritisnite gumb START.
Če želite vstopiti v ta način, pritisnite gumb STOP. V tem načinu naprava ne izvaja nobene regulacije in ne zažene črpalke. Nastavitve parametrov:
Pritisnite gumb MENU, da vstopite v meni z nastavitvami parametrov. Prikazana bo prva stran s parametri (P1). Na zgornjem zaslonu je prikazana številka parametra, na spodnjem zaslonu pa je prikazana vrednost tega parametra. Vrednosti parametrov lahko spreminjate s pritiskanjem gumbov UP in DOWN. Nato pritisnite gumb MENU, da shranite izbrano vrednost, ali gumb RESET, da zapustite meni. Upoštevajte, da s pritiskom na gumb RESET ne shranite vrednosti parametra, ki je prikazana na zaslonu, vendar bodo shranjene spremembe prejšnjih parametrov. Če 50 sekund ne pritisnete nobenega gumba, bo naprava zapustila meni, ne da bi shranila vrednost parametra, prikazanega na zaslonu. Pomembno!!! Pred priključitvijo naprave preberite to poglavje:
- Krmilno enoto potopne črpalke je treba priključiti v skladu s shemo ožičenja v podatkovni kartici izdelka.
- Prepričajte se, da tekočina, ki jo bo črpalka črpala, ni vnetljiva ali eksplozivna.
- Če uporabljate sistem z dvema senzorjema za zaznavanje nivoja, je treba povezati vhoda zgornjega in srednjega senzorja.
- Temperatura na mestu namestitve krmilnika mora biti višja od 0 °C.
- Na vhode krmilnika nikoli ne priključite napetosti za priključitev plavajočega stikala.
- Prepričajte se, da je telo črpalke ozemljeno, sicer lahko pride do poškodb krmilnika črpalke.
Tehnične informacije:
Delovna napetost: 140-280 VAC. Frekvenca: 50 Hz Tokovno območje: 0,5-60 A Poraba energije: <4 W Občutljivost na tekočine: <50 kOhm Zaščitni razred: IP40 Območje delovne temperature: -5 °C- +55 °C Presek kabla: največ 1,5 mm2 Teža: 0,325 kg Vgradna odprtina: 91 x 91 |
Višina namestitve: manj kot 2000 m
Spletno plačilo s kartico - po zaključku naročila boste preusmerjeni na plačilni prehod, potrditev plačila bo poslana na vaš e-mail
COD - plačilo plačate po plačilnem nalogu vozniku prevoznika
Z bančnim nakazilom- najkasneje naslednji delovni dan na vaš e-mail prejmete avansni račun, na katerem je številka računa, ki jo boste vpisali ob plačilu.
Na predračun - ta možnost plačila je na voljo partnerjem, ki imajo z našim podjetjem podpisano okvirno pogodbo.
Če želite uporabiti zadnja 2 načina, pokličite našega upravitelja in dal vam bo navodila, kako prejeti račun z ali brez DDV.
Elektro oprema, ki jo dobavljamo, ustreza visokim standardom kakovosti, ima 24-mesečno garancijo in izpolnjuje vse zahteve EU.
V primeru reklamacije se vračilo blaga ne zaračuna.
