
Imate vprašanje?
Obvestilo po e-pošti, ko bo izdelek na voljo
- Opis
- Navodila
- Načini plačila
- Garancija
12 korakov + TCR Regulator faktorja moči z 2,9-palčnim grafičnim LCD zaslonom in RS-485 (TENSE)
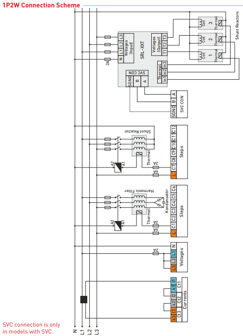
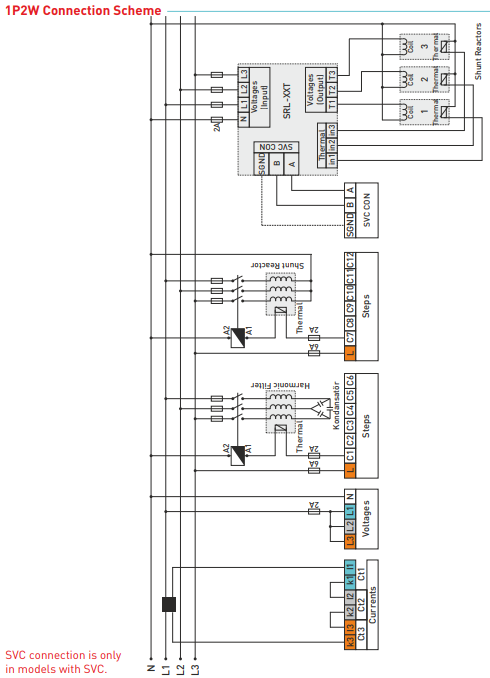
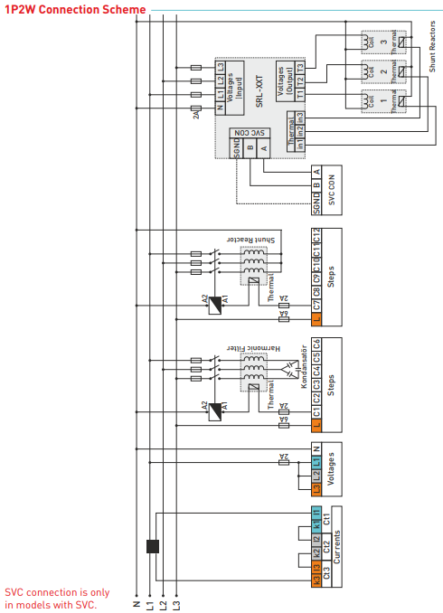
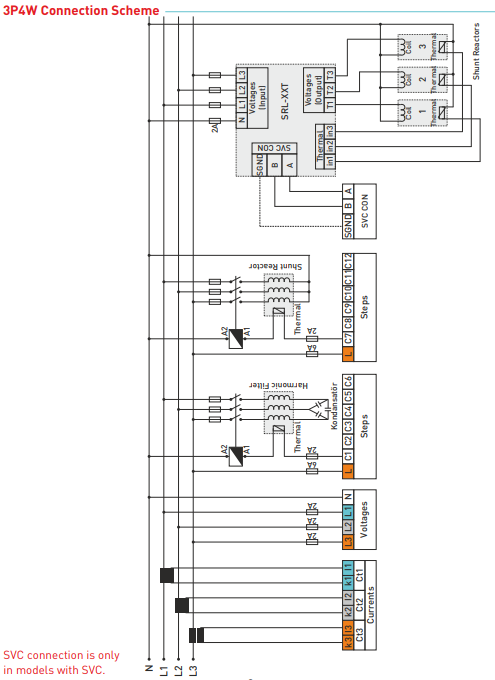
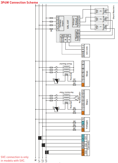
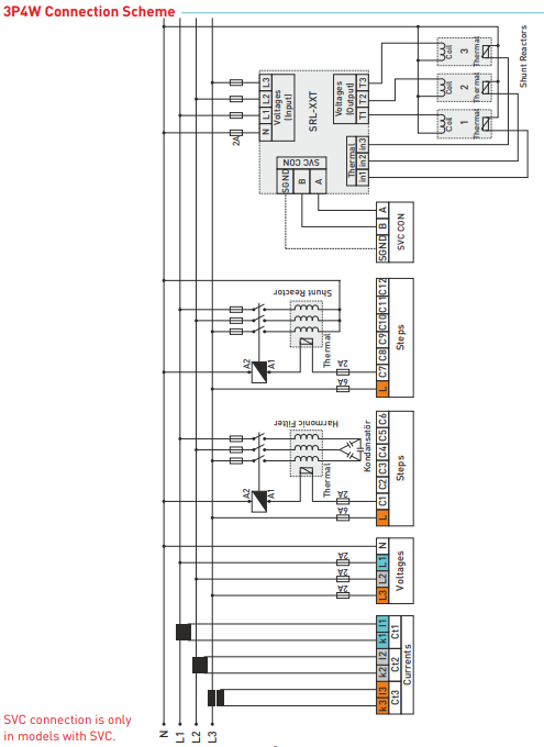
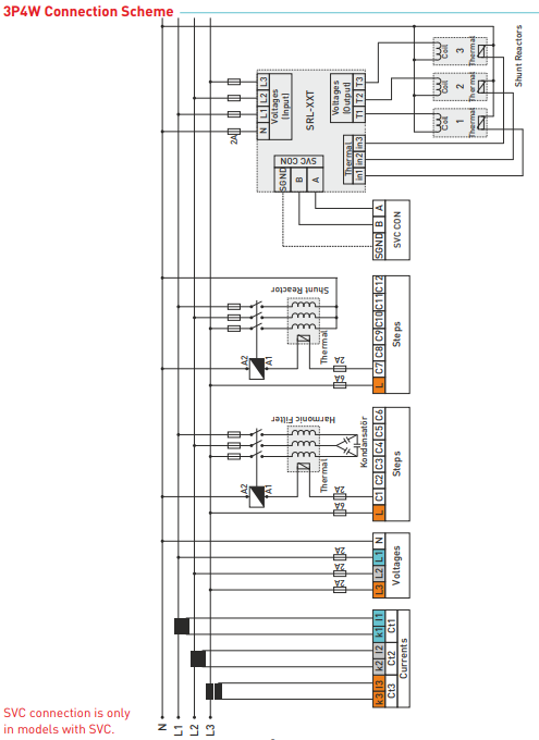
Regulator jalove moči RGT-12SVC (TENSE ) je popolnoma samodejna naprava za optimalno preklapljanje kompenzacijskih stopenj.
Digitalna obdelava vrednosti, ki jih izmeri regulator, zagotavlja visoko natančnost pri vrednotenju efektivne napetosti, toka in faktorja moči.
Namestitev naprave je popolnoma samodejna - regulator sam določi velikost posameznih priključenih kompenzacijskih stopenj. Te parametre lahko vnesete tudi neposredno ročno.
Regulator vklaplja in izklaplja kompenzacijske stopnje, tako da se jalova moč regulira z najmanjšim številom preklopov. Hkrati krmilnik upošteva enakomerno obremenitev posameznih stopenj in prednostno vklaplja tiste stopnje, ki so bile brez napetosti najdlje in pri katerih je preostali naboj minimalen. Med postopkom regulacije se kompenzacijske stopnje neprekinjeno vzporedno spremljajo - odkrivajo se okvare in spremembe vrednosti, začasno odstranjene stopnje se periodično testirajo in po potrebi ponovno vključijo v postopek regulacije.
Generatorski vhod in generatorska kompenzacija
Nastaviti je mogoče čase vklopa, praznjenja in poravnave
Daljinska komunikacija z RS485 (RS485 ModBus RTU)
Priključite lahko enofazni, dvofazni in trifazni kondenzator in šunt reaktor
Opazovanje harmonične napetosti in toka do 31. harmonske
Spremlja se lahko celotna energija (uvoz/izvoz)
Opazovati je mogoče vrednosti THD-V in THD-I vsake faze
Analiza moči (20 vzorcev 9999 min.) - za izbiro kondenzatorja
Prenesi na
Spletno plačilo s kartico - po zaključku naročila boste preusmerjeni na plačilni prehod, potrditev plačila bo poslana na vaš e-mail
COD - plačilo plačate po plačilnem nalogu vozniku prevoznika
Z bančnim nakazilom- najkasneje naslednji delovni dan na vaš e-mail prejmete avansni račun, na katerem je številka računa, ki jo boste vpisali ob plačilu.
Na predračun - ta možnost plačila je na voljo partnerjem, ki imajo z našim podjetjem podpisano okvirno pogodbo.
Če želite uporabiti zadnja 2 načina, pokličite našega upravitelja in dal vam bo navodila, kako prejeti račun z ali brez DDV.
Elektro oprema, ki jo dobavljamo, ustreza visokim standardom kakovosti, ima 24-mesečno garancijo in izpolnjuje vse zahteve EU.
V primeru reklamacije se vračilo blaga ne zaračuna.
