
Imate vprašanje?
Obvestilo po e-pošti, ko bo izdelek na voljo
- Opis
- Navodila
- Načini plačila
- Garancija
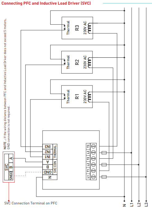
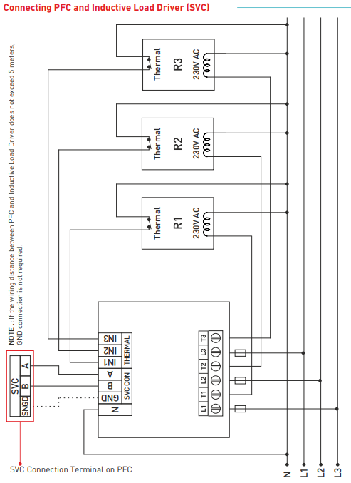
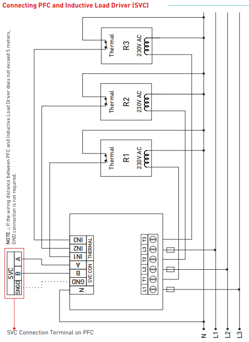
18 stopenj + TCR Regulator faktorja moči za simetrična/asimetrična omrežja s 5-palčnim zaslonom na dotik in RS-485 (TENSE)
Releji za nadzor jalove moči so namenjeni zmanjševanju jalove moči (induktivne in kapacitivne), ki je breme ne porabi in se črpa iz omrežja. Kadar se iz omrežja odjema induktivna moč, posreduje tako, da odstrani kondenzator z ustrezno vrednostjo. Če se kapacitivna moč črpa iz omrežja, posreduje tako, da odvzame šuntni induktor z ustrezno vrednostjo. Na ta način poskuša zmanjšati induktivno/aktivno in kapacitivno/aktivno hitrost sistema. Zasnovan je tako, da v neuravnoteženih induktivnih in kapacitivnih sistemih s korakom RGT-MT18 TCR zagotavlja razumnejšo kompenzacijo
Vhod generatorja in kompenzacija generatorja
Napetostni, harmonski tok/napetost, induktivni in kapacitivni alarmni izhod
Prilagodite lahko čase udarca, praznjenja in poravnave
Daljinska komunikacija z RS485 (RS485 ModBus RTU)
Priključite lahko enofazni, dvofazni in trifazni kondenzator in šunt reaktor
Opazovanje harmonične napetosti in toka do 61. harmonske
Spremlja se lahko celotna energija (uvoz/izvoz)
Opazovati je mogoče vrednosti THD-V in THD-I vsake faze
Analiza moči (20 vzorcev 9999 min.) - za izbiro kondenzatorja
Temperaturni alarmni izhod
Registracija povpraševanja (aktivna in jalova ter navidezna moč in povpraševanje po toku)
Opazujete lahko najmanjše, največje in povprečne vrednosti toka in napetosti vsake faze
Dejanski datum in čas
Prenesi na
Spletno plačilo s kartico - po zaključku naročila boste preusmerjeni na plačilni prehod, potrditev plačila bo poslana na vaš e-mail
COD - plačilo plačate po plačilnem nalogu vozniku prevoznika
Z bančnim nakazilom- najkasneje naslednji delovni dan na vaš e-mail prejmete avansni račun, na katerem je številka računa, ki jo boste vpisali ob plačilu.
Na predračun - ta možnost plačila je na voljo partnerjem, ki imajo z našim podjetjem podpisano okvirno pogodbo.
Če želite uporabiti zadnja 2 načina, pokličite našega upravitelja in dal vam bo navodila, kako prejeti račun z ali brez DDV.
Elektro oprema, ki jo dobavljamo, ustreza visokim standardom kakovosti, ima 24-mesečno garancijo in izpolnjuje vse zahteve EU.
V primeru reklamacije se vračilo blaga ne zaračuna.
