
Imate vprašanje?
Obvestilo po e-pošti, ko bo izdelek na voljo
- Opis
- Navodila
- Načini plačila
- Garancija
|
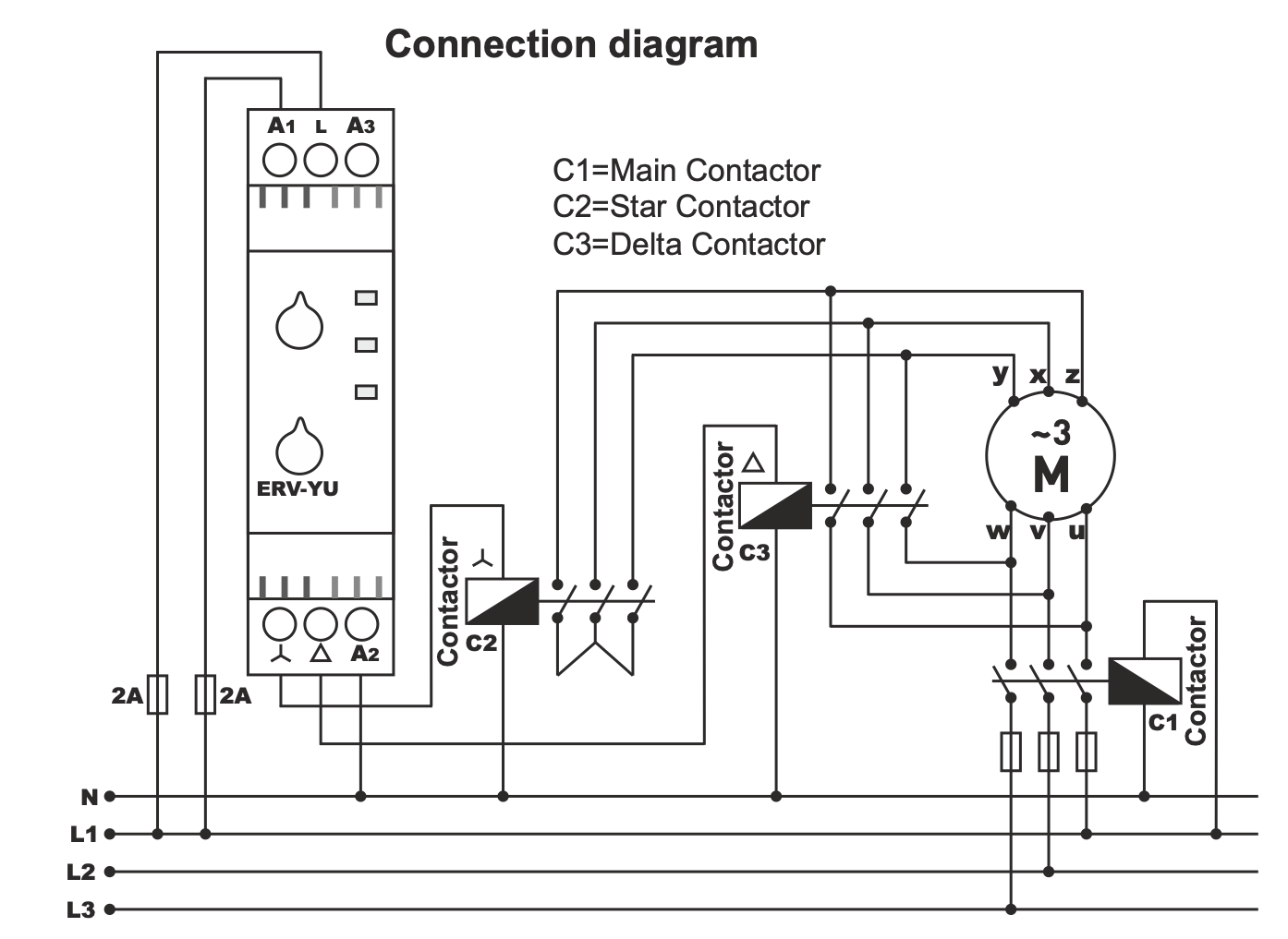
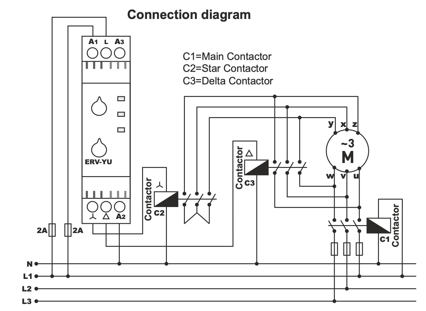
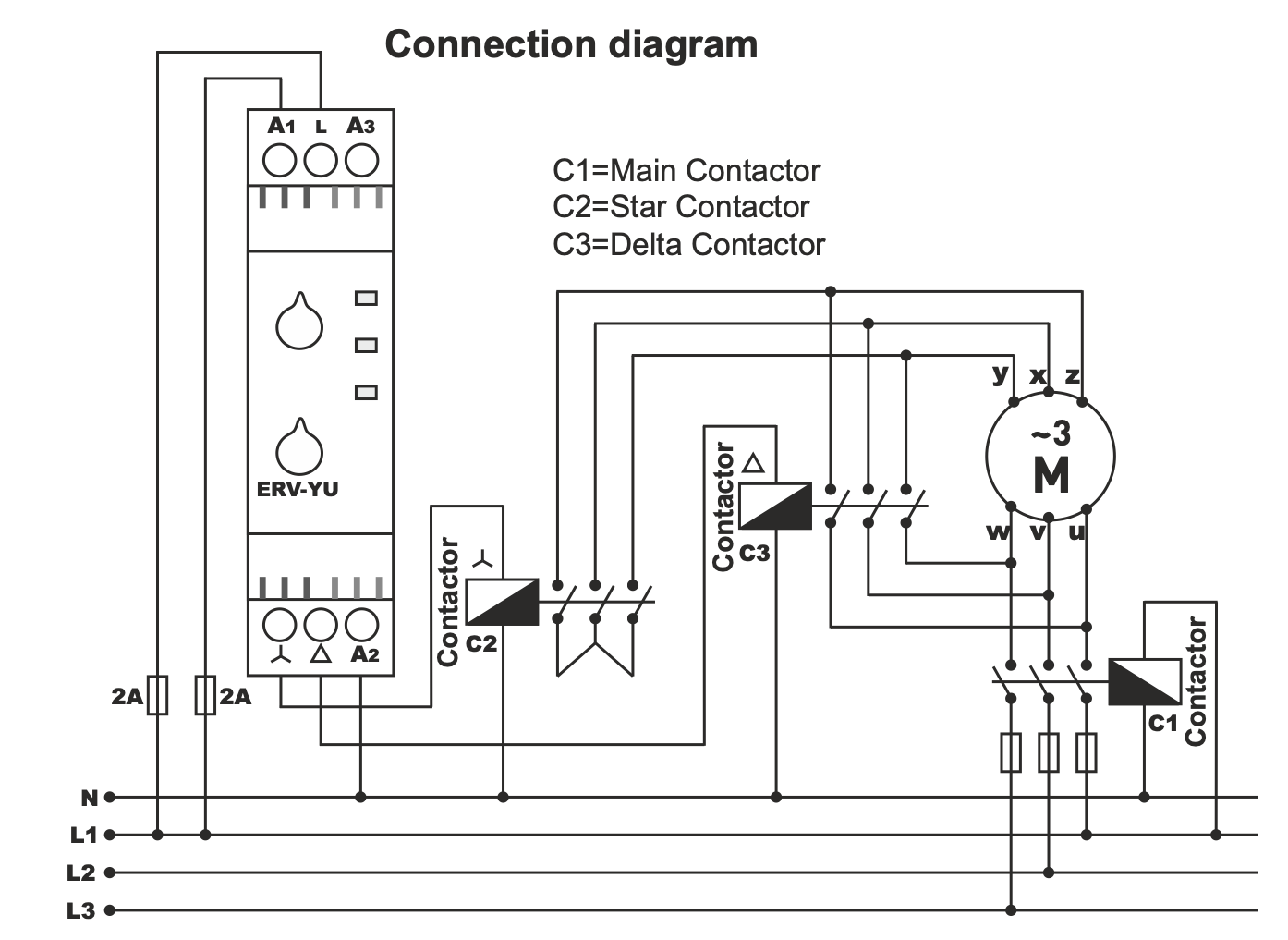
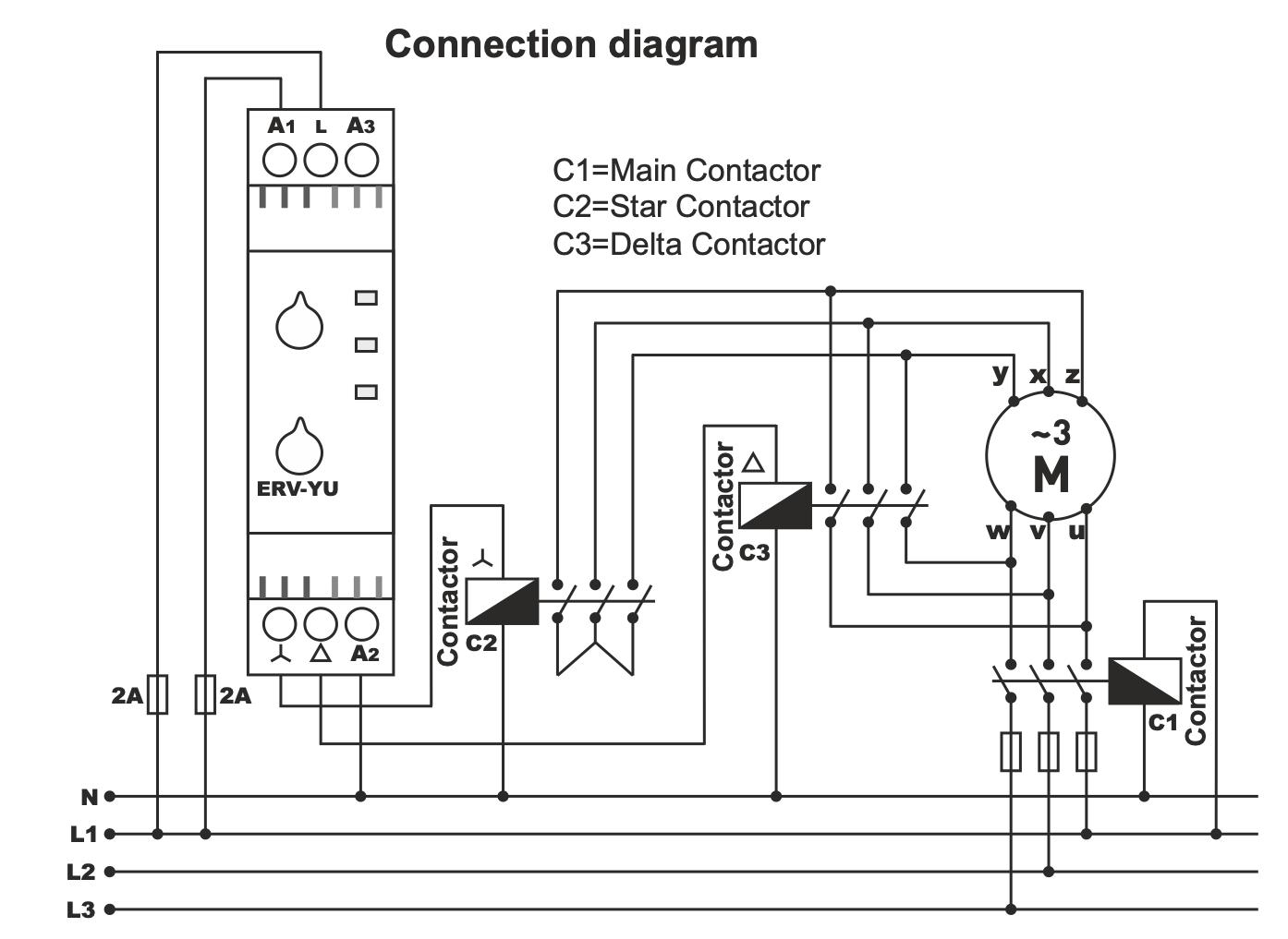
Rele za zagonske načine zvezda-trikotnik (rele za zagon elektromotorja) Delovna napetost 24/220 V AC, indikacija ON, STAR, TRIPLE, časovna nastavitev načina STAR. NAPAJANJE, ERV-YU. Znano je, da je za mehak in nemoten zagon elektromotorja treba motor najprej vklopiti po shemi STAR in po določenem času, ko je dosežena nastavljena hitrost, preklopiti navitja motorja v način TROJTIRANKA. Ta shema preklopa zagotavlja manjši zagonski tok, kar podaljša življenjsko dobo elektromotorja in poveča stabilnost celotnega elektroenergetskega sistema.
Preklapljanje režimov ZVEZDA-TROJČKA lahko seveda izvedemo s stikalom, vendar je pri uporabi kontaktorjev (zaganjalnikov) in zagonskega releja ta postopek bolje avtomatizirati.
Za krmiljenje takšnih kontaktorjev podjetje TENSE ponuja releje zvezda-troba ali, kot jih tudi imenujemo, preklopne releje zvezda-troba - ERV - YU. Ko se na kontakte A1 - A2 releja ERV - YU priključi delovna napetost, se izhod STAR poveže s kontaktom Faz, indikator STAR zasveti in interval pospeševanja t1 (0,1 ... 30 s) se začne odštevati. Po intervalu pospeševanja t1 se izhoda STAR in Faz odklopita, indikator STAR ugasne, interval premora t2 (15 ms) pa se začne odštevati. Po pretečenem intervalu povezovanja t2 se kontakta Faz in TRIANGLE povežeta, indikator TRIANGLE zasveti in sprožilni rele ostane v tem stanju, dokler je na kontaktih A1-A2 sprožen alarm.
|
Če potrebujete sprožilne releje, kontaktorje z mehansko zaporo, samostojno mehansko zaporo ali kakovostno kovinsko ohišje z zaščito IP65, lahko vse to po ugodni ceni kupite tudi v našem skladišču.
Prenesi na
Spletno plačilo s kartico - po zaključku naročila boste preusmerjeni na plačilni prehod, potrditev plačila bo poslana na vaš e-mail
COD - plačilo plačate po plačilnem nalogu vozniku prevoznika
Z bančnim nakazilom- najkasneje naslednji delovni dan na vaš e-mail prejmete avansni račun, na katerem je številka računa, ki jo boste vpisali ob plačilu.
Na predračun - ta možnost plačila je na voljo partnerjem, ki imajo z našim podjetjem podpisano okvirno pogodbo.
Če želite uporabiti zadnja 2 načina, pokličite našega upravitelja in dal vam bo navodila, kako prejeti račun z ali brez DDV.
Elektro oprema, ki jo dobavljamo, ustreza visokim standardom kakovosti, ima 24-mesečno garancijo in izpolnjuje vse zahteve EU.
V primeru reklamacije se vračilo blaga ne zaračuna.
