
Imate vprašanje?
Obvestilo po e-pošti, ko bo izdelek na voljo
- Opis
- Navodila
- Načini plačila
- Garancija
|
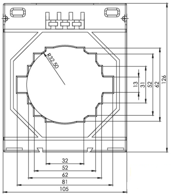
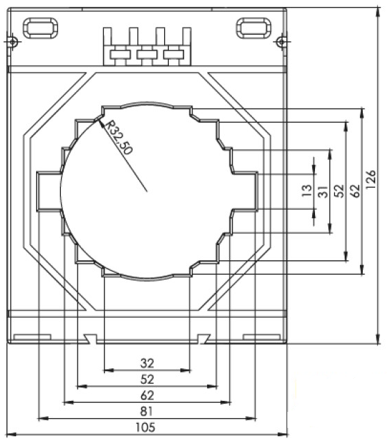
Tokovni transformator 81x13, 1500/5A -0,5S - 20VA - 80mm, napenjalni
Napenjalni tokovni transformatorji omogočajo natančno merjenje in nadzor električnih parametrov v izmeničnih sistemih. Visoke tokovne vrednosti pretvarjajo v nižje, varne vrednosti za merilno opremo, kar omogoča učinkovit nadzor in upravljanje električnih sistemov. Tehnične specifikacije
Koeficient: 1500/5A Zmogljivost obremenitve: 20VA Razred natančnosti 0,5S Stikalni blok Neodstranljiv pokrov; za vodnike velikega premera; izdelan iz medenine za večjo varnost Ohišje nevnetljiv, samougasljiv ABS Montaža KK0001 ali KK0002 Primarno navitje 80 x 10 mm Okrogli vodnik Ø 65 mm T-odpornost na kratkostični tok Ith = 60*In T-odpornost pri izpostavljenosti stalnemu toku Id = 1 * In Temperatura okolja (obratovalne ure) -25 °C ~ +85 °C Nazivna frekvenca 50 Hz ... 60 Hz Omejitev preklopnega toka FS 5 Preskusna napetost 3 kV za 1 minuto Največja sistemska napetost 0,72 kV Standardi: IEC 60044-1, IEC 61869-2, VDE 0414-1, DIN57414, BS3938, BS7626, EN 61869
Prednosti napetostnih tokovnih transformatorjev: Visoka natančnost: zagotavljajo zanesljive meritve za natančen nadzor električnih parametrov. Širok razpon nazivnih tokov: omogoča izbiro optimalnega modela za posebne potrebe. Različne velikosti: različne velikosti oken zagotavljajo prilagodljivost pri namestitvi in združljivost z različnimi vodniki. Zanesljivost in vzdržljivost: izdelani iz visokokakovostnih materialov, ki zagotavljajo dolgo življenjsko dobo. |
Izbira napetostnih tokovnih transformatorjev zagotavlja stabilno delovanje električnih sistemov in natančnost meritev, kar je ključni dejavnik za učinkovito upravljanje energije.
Prenesi na
Tehnične informacije o tokovnih transformatorjih (996 kB) - pošljemo na zahtevo
Spletno plačilo s kartico - po zaključku naročila boste preusmerjeni na plačilni prehod, potrditev plačila bo poslana na vaš e-mail
COD - plačilo plačate po plačilnem nalogu vozniku prevoznika
Z bančnim nakazilom- najkasneje naslednji delovni dan na vaš e-mail prejmete avansni račun, na katerem je številka računa, ki jo boste vpisali ob plačilu.
Na predračun - ta možnost plačila je na voljo partnerjem, ki imajo z našim podjetjem podpisano okvirno pogodbo.
Če želite uporabiti zadnja 2 načina, pokličite našega upravitelja in dal vam bo navodila, kako prejeti račun z ali brez DDV.
Elektro oprema, ki jo dobavljamo, ustreza visokim standardom kakovosti, ima 24-mesečno garancijo in izpolnjuje vse zahteve EU.
V primeru reklamacije se vračilo blaga ne zaračuna.
