
Imate vprašanje?
Obvestilo po e-pošti, ko bo izdelek na voljo
- Opis
- Navodila
- Načini plačila
- Garancija
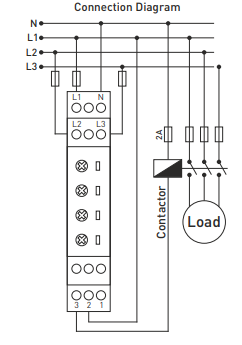
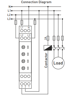
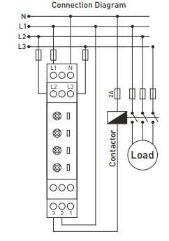
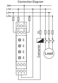
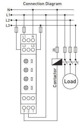
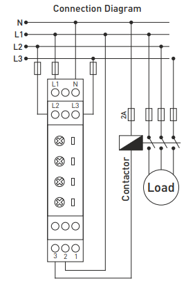
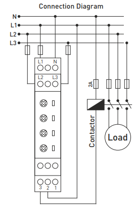
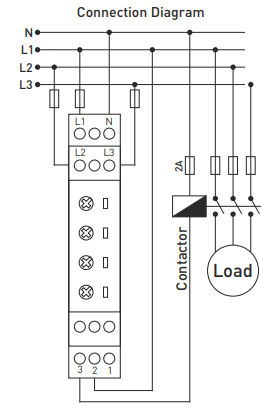
Kontrolni rele - nadzorni/zaščitni trifazni rele za nadzor prenapetosti, prenizke napetosti, sani, izpada faze s časovnikom. GKM-12/12F (NAPETOST)
Fazni zaščitni releji so namenjeni zaščiti trifaznih bremen pred poškodbami zaradi omrežne napetosti.
- Napetost: 230V - 300V AC (nastavljiva)
- Podnapetost: 140V - 210V AC (nastavljivo)
-
Časovnik: 0,1 s - 20 s (nastavljiv)
-
Zaščita pred izpadom faze
- Nadzor zaporedja faz (GKM-12F)
-
Pritrditev na DIN letev
-
Širina 17,8 mm
Spletno plačilo s kartico - po zaključku naročila boste preusmerjeni na plačilni prehod, potrditev plačila bo poslana na vaš e-mail
COD - plačilo plačate po plačilnem nalogu vozniku prevoznika
Z bančnim nakazilom- najkasneje naslednji delovni dan na vaš e-mail prejmete avansni račun, na katerem je številka računa, ki jo boste vpisali ob plačilu.
Na predračun - ta možnost plačila je na voljo partnerjem, ki imajo z našim podjetjem podpisano okvirno pogodbo.
Če želite uporabiti zadnja 2 načina, pokličite našega upravitelja in dal vam bo navodila, kako prejeti račun z ali brez DDV.
Elektro oprema, ki jo dobavljamo, ustreza visokim standardom kakovosti, ima 24-mesečno garancijo in izpolnjuje vse zahteve EU.
V primeru reklamacije se vračilo blaga ne zaračuna.
