
Obvestilo po e-pošti, ko bo izdelek na voljo
- Opis
- Navodila
- Načini plačila
- Garancija
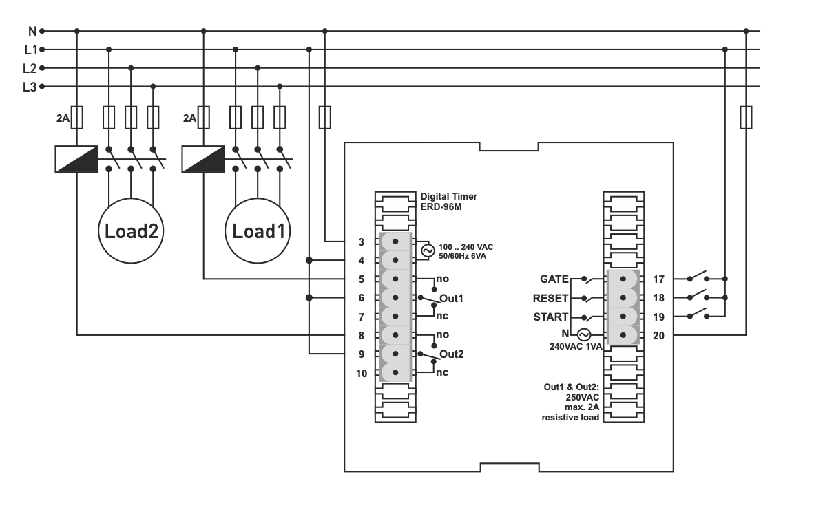
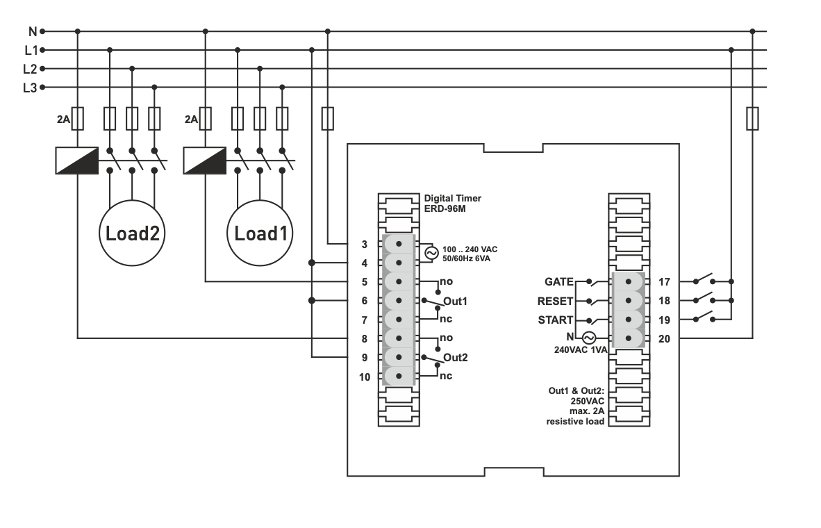
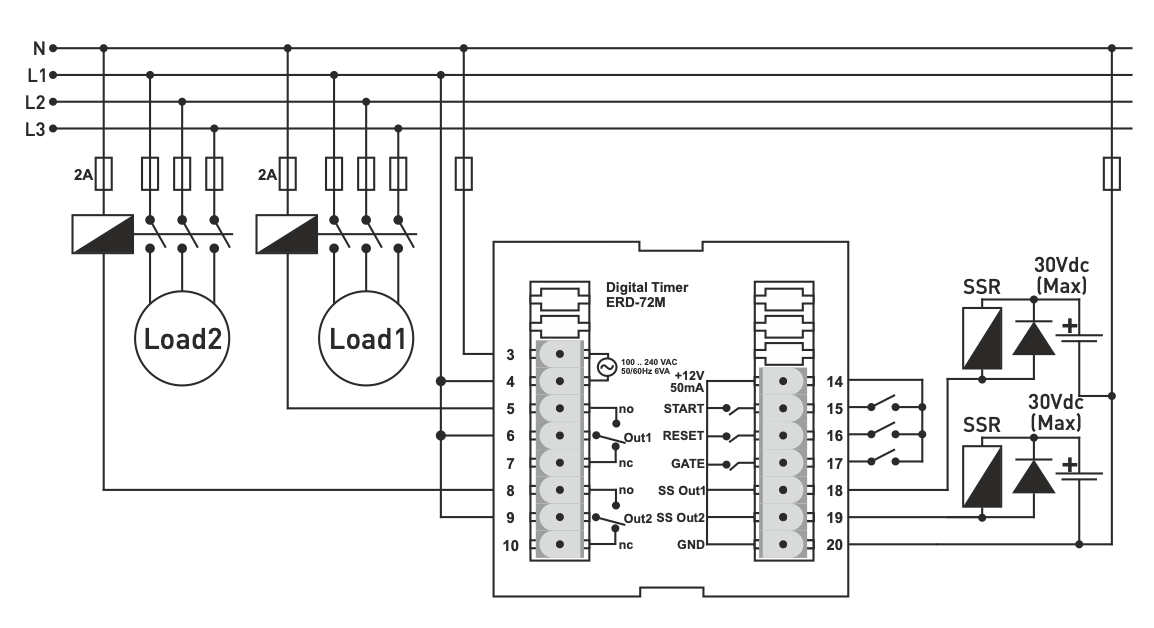
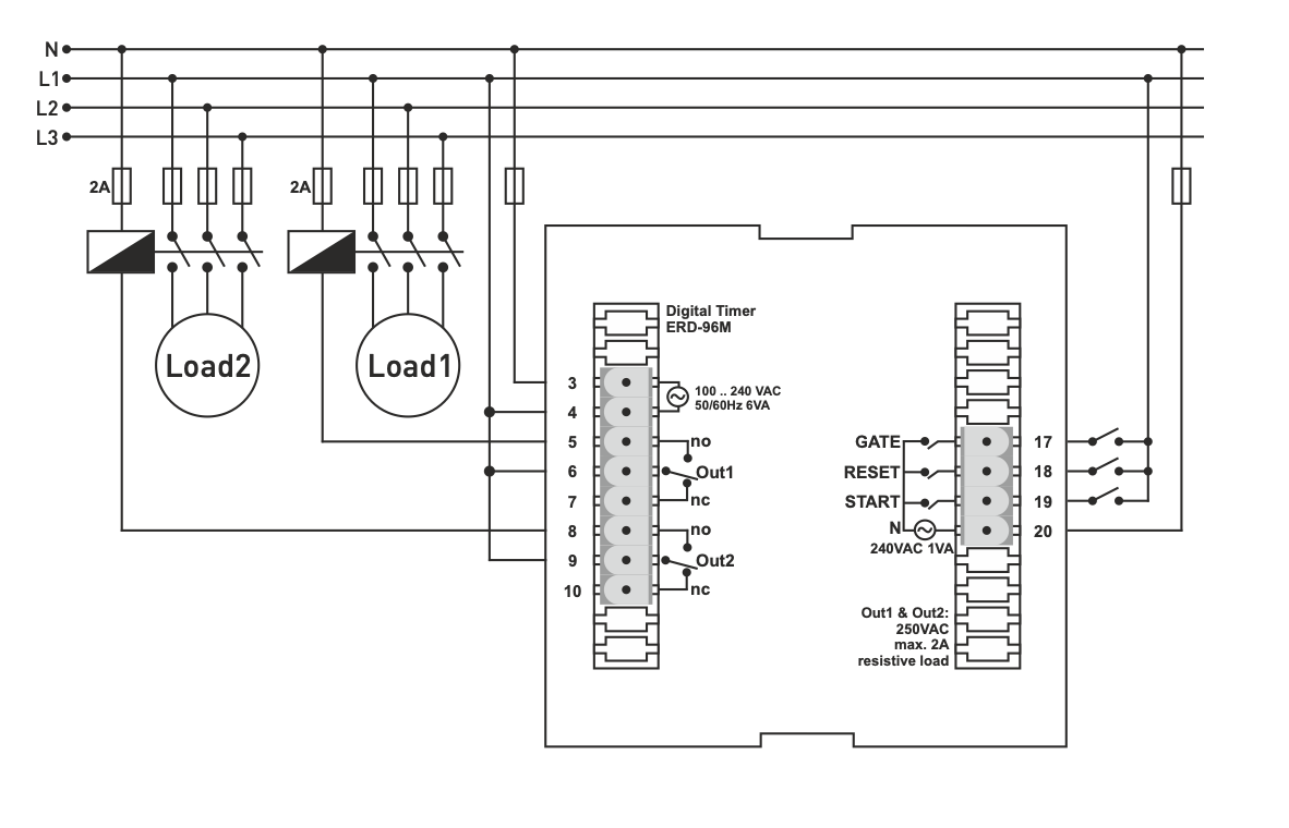
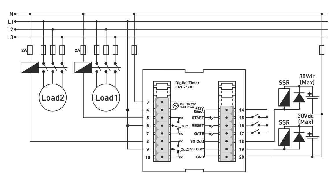
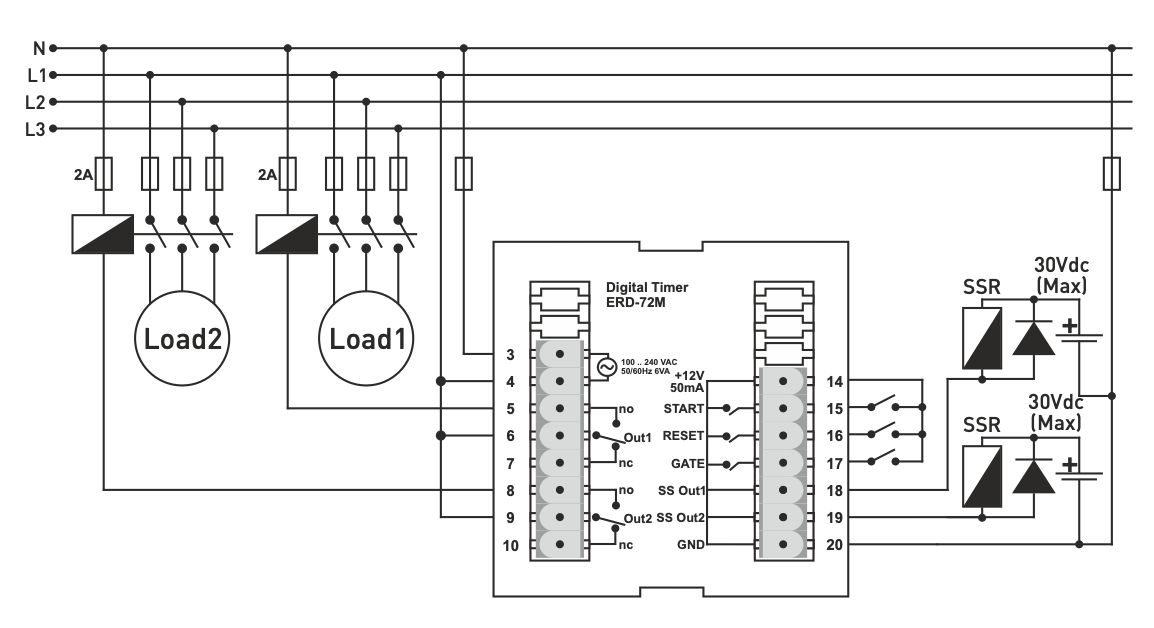
Časovni rele ERD-48M - univerzalni digitalni časovnik za industrijsko in domačo avtomatizacijo
Panožni časovni rele ERD-48M je večnamenski digitalni časovnik, zasnovan za nadzor časovnih ciklov, industrijskih procesov, enonamenskih strojev in avtomatizacijo doma. Ponuja 13 različnih načinov delovanja, natančno programiranje in široko paleto možnosti krmiljenja.
Naprava omogoča preprosto nastavitev časovnega zaporedja od 0,1 sekunde do 99,59 ure z gumbi na sprednji plošči. Zaradi dvojnega zaslona LED je prikaz vrednosti jasen in čitljiv tudi od daleč.
Glavne značilnosti:
-
Večnamenski digitalni časovnik s kontrolnimi vhodi START / RESET / GATE
-
13 programabilnih načinov za širok nabor aplikacij
-
Časovne enote: ure (99:59) / minute (99:59) / sekunde (599,9 s)
-
Pomnilnik zadnjega stanja - zapomni si nastavitve in izhodno stanje med izpadom električne energije
-
Dvojni zaslon LED:
-
Zgornja vrstica (rdeča): nastavljena vrednost
-
spodnja vrstica (rumena): trenutni izmerjeni čas ali stanje
-
-
Indikacija zapiranja releja OUT z rdečo LED diodo
-
Vgrajeno napajanje za senzorje: 12 V DC, največ 50 mA
-
Združljiv s signali 24 VDC (PNP ) ali lastnim 12-voltnim izhodom s priključka 9
-
Robustna konstrukcija, montaža na ploščo 48 × 48 mm
Funkcije in krmiljenje
Naprava vključuje 13 različnih načinov delovanja, ki omogočajo popolno prilagodljivost pri upravljanju:
-
Časovni zamik vklopa
-
Časovni zamik OFF
-
ciklični vklop/izklop
-
enkratno časovno načrtovanje
-
zaporedni logični nadzor
-
časovni rele s pavzo (GATE)
-
drugi posebni načini časovnega krmiljenja
(Seznam 13 načinov je mogoče dodati na zahtevo.)
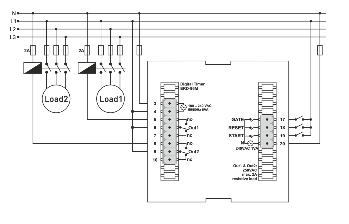
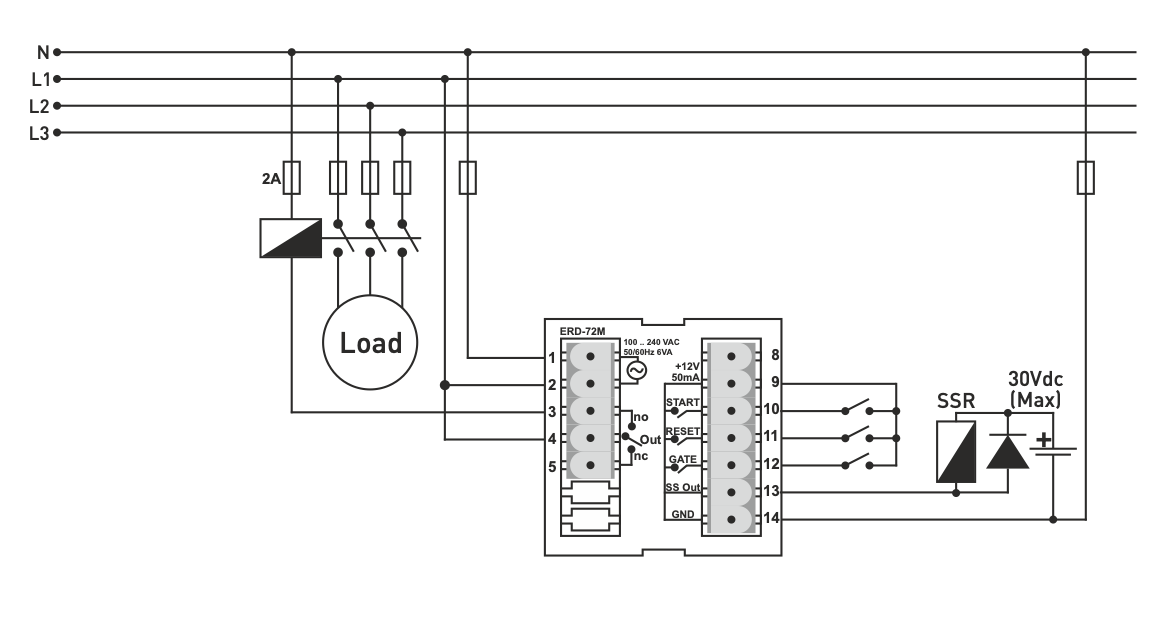
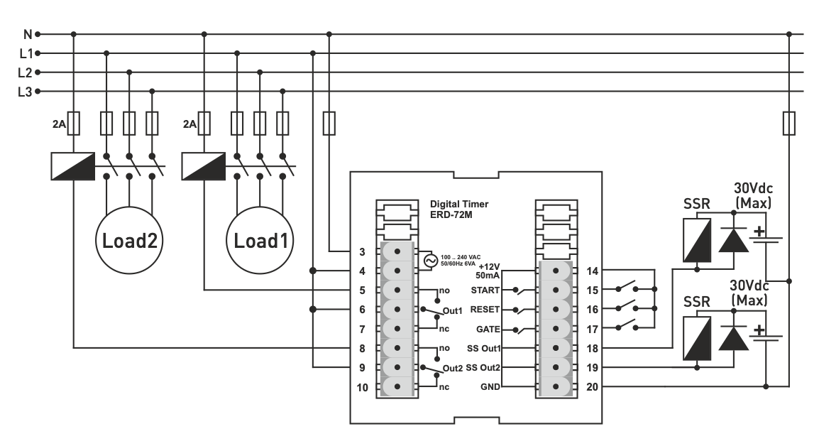
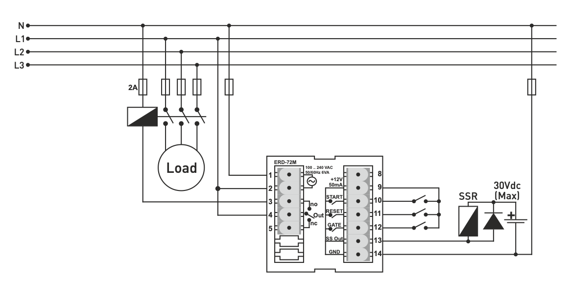
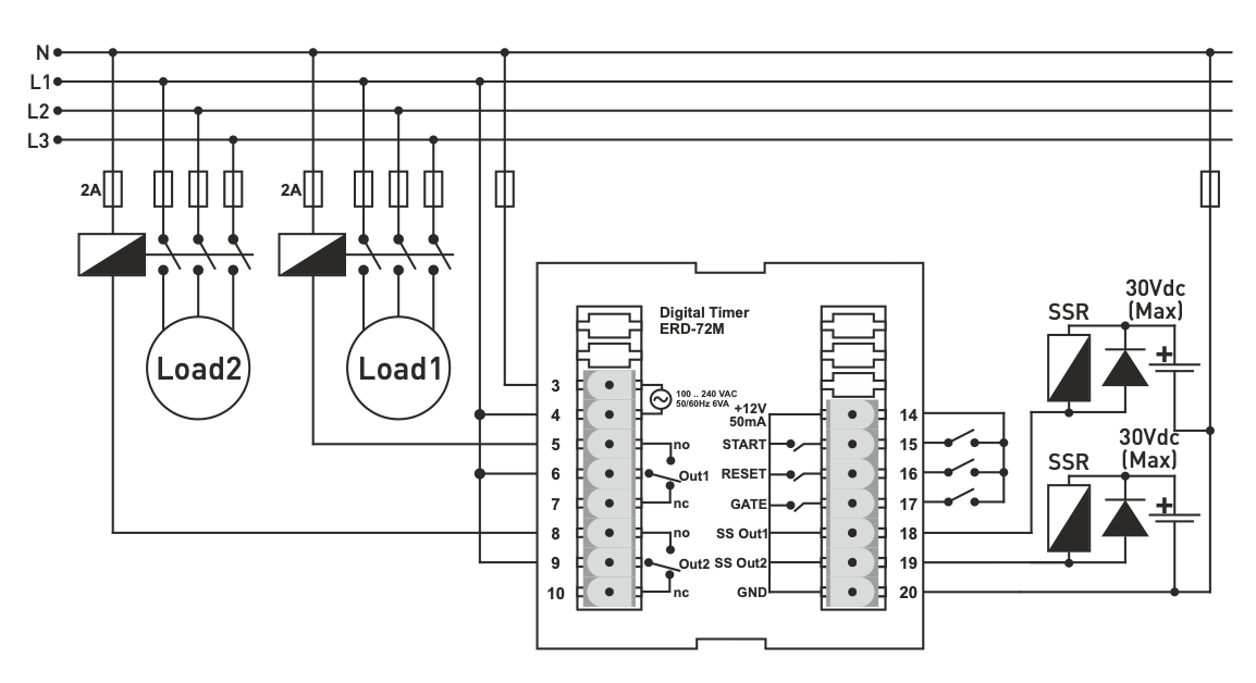
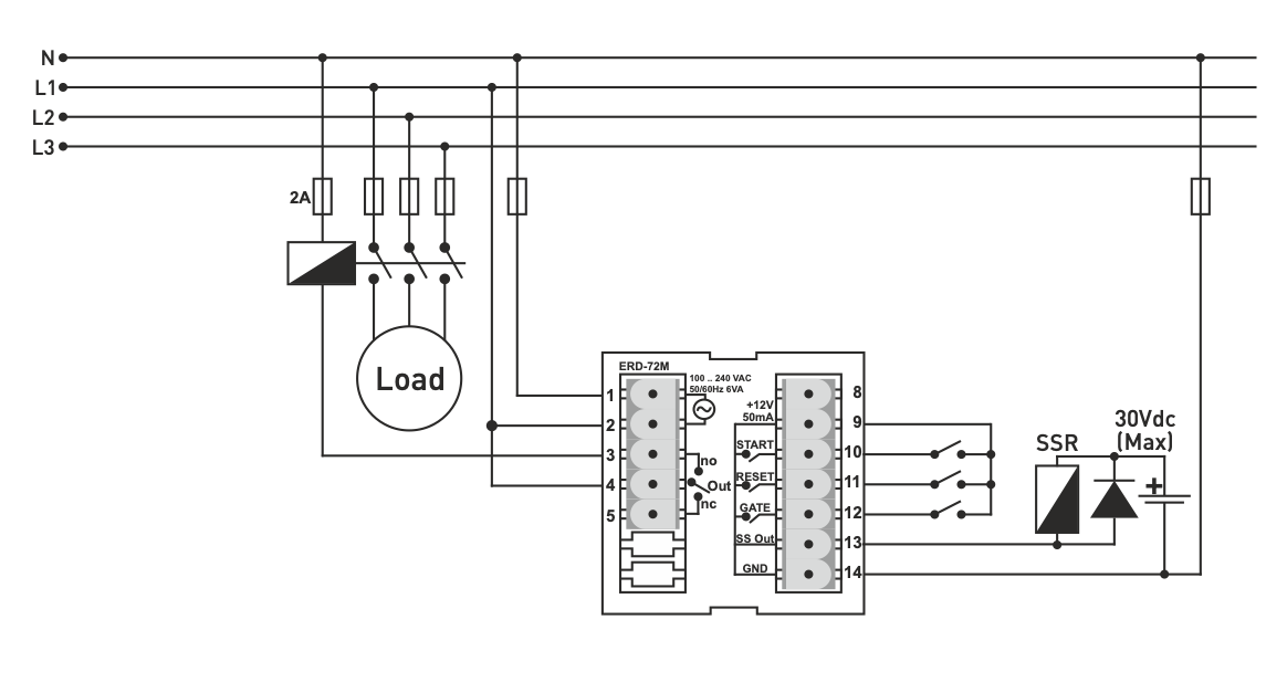
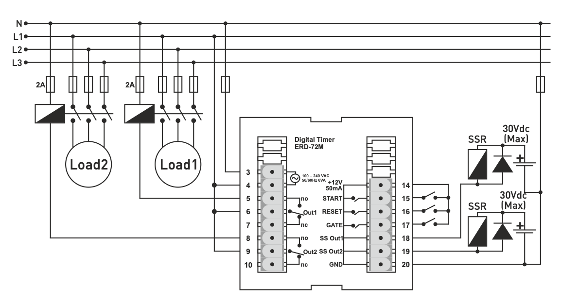
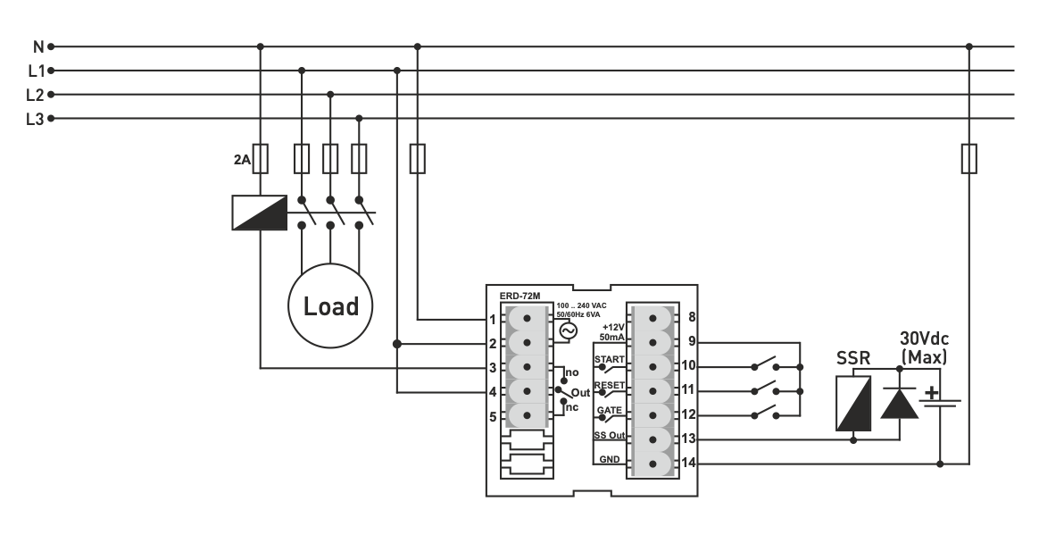
Krmilni vhodi:
-
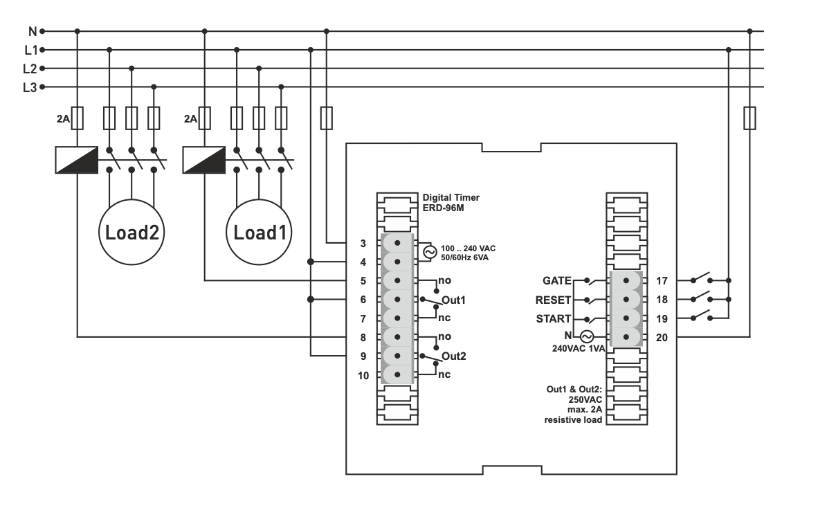
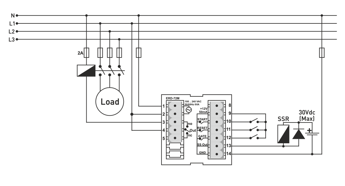
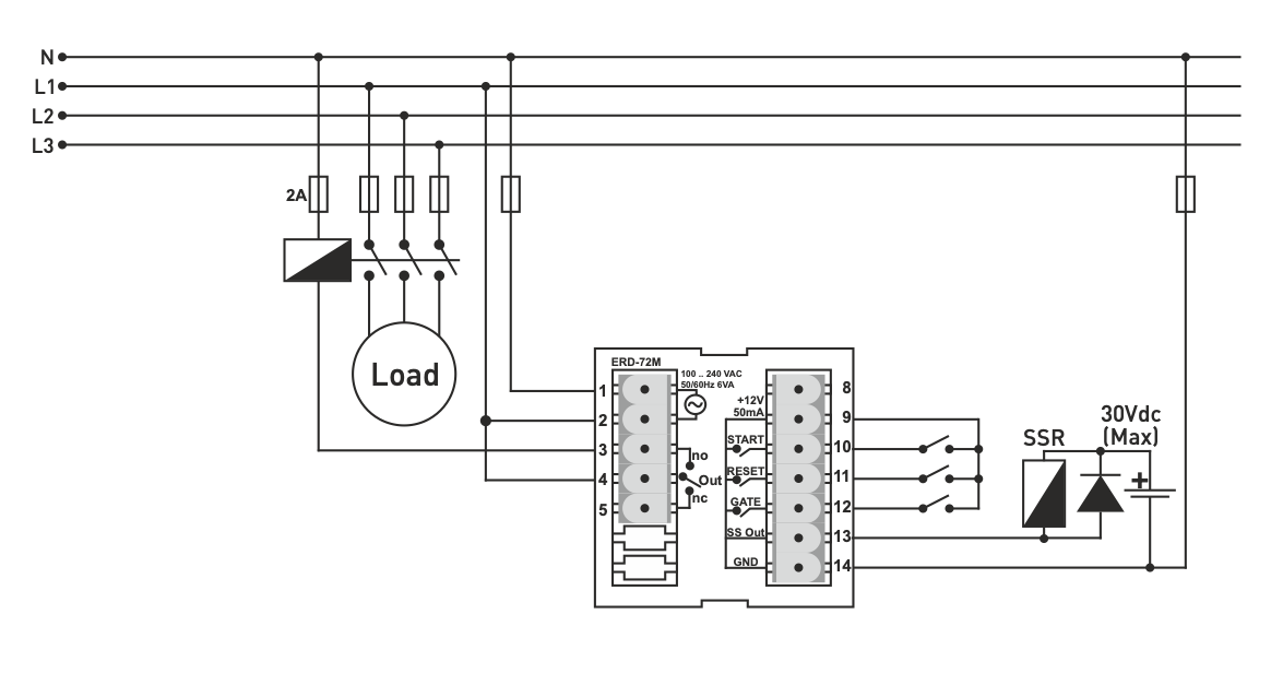
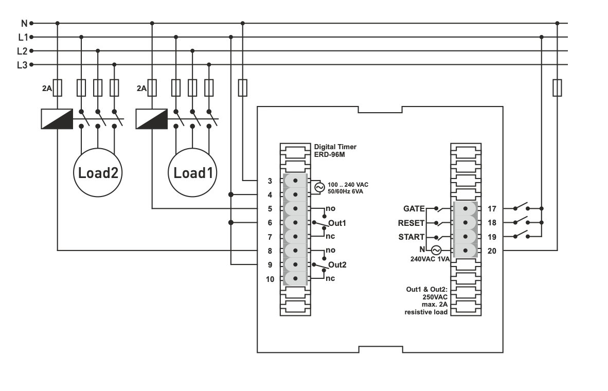
START (sponka 10): zažene časovnik.
-
RESET (sponka 11): ponastavitev časa
-
GATE (priključek 12): ustavi odštevanje (PAUSE)
-
Priključek 9: integriran +12 V DC za senzorje/krmilne gumbe (največ 50 mA)
Izhodi
Relejski izhod OUT1 (sponke 4-3-5):
-
Tip: stikalo SPDT (NO-COM-NC)
-
Obremenitev: 250 VAC / 2 A, uporovna obremenitev
SSR izhod OUT2 (sponki 13 in 14):
-
Krmilni signal za polprevodniški rele
-
Največja izhodna raven: 30 V DC
Tehnične specifikacije
-
Napajalna napetost: 100...240 V AC, 50/60 Hz
-
Poraba energije: < 8 VA
-
Časovno območje:
-
0,1 s do 599,9 s
-
od 0 do 99:59 min
-
0 do 99:59 h
-
-
Vhodi START/RESET/GATE: 7-32 V DC (ON), 0-2 V DC (OFF)
-
Prikazovalnik: 2 × 4-mestna, 7-segmentna LED (rdeča + rumena)
-
Delovna temperatura: od -20 °C do +55 °C
-
Izrez za montažo na ploščo: 44 × 44 mm
-
Celotne mere: 48 × 48 × 99 mm
-
Delovna nadmorska višina: < 2000 m
-
Montaža: montaža na ploščo, sprednja montaža
Prenesi na
Spletno plačilo s kartico - po zaključku naročila boste preusmerjeni na plačilni prehod, potrditev plačila bo poslana na vaš e-mail
COD - plačilo plačate po plačilnem nalogu vozniku prevoznika
Z bančnim nakazilom- najkasneje naslednji delovni dan na vaš e-mail prejmete avansni račun, na katerem je številka računa, ki jo boste vpisali ob plačilu.
Na predračun - ta možnost plačila je na voljo partnerjem, ki imajo z našim podjetjem podpisano okvirno pogodbo.
Če želite uporabiti zadnja 2 načina, pokličite našega upravitelja in dal vam bo navodila, kako prejeti račun z ali brez DDV.
Elektro oprema, ki jo dobavljamo, ustreza visokim standardom kakovosti, ima 24-mesečno garancijo in izpolnjuje vse zahteve EU.
V primeru reklamacije se vračilo blaga ne zaračuna.
