
Imate vprašanje?
Obvestilo po e-pošti, ko bo izdelek na voljo
- Opis
- Navodila
- Načini plačila
- Garancija
|
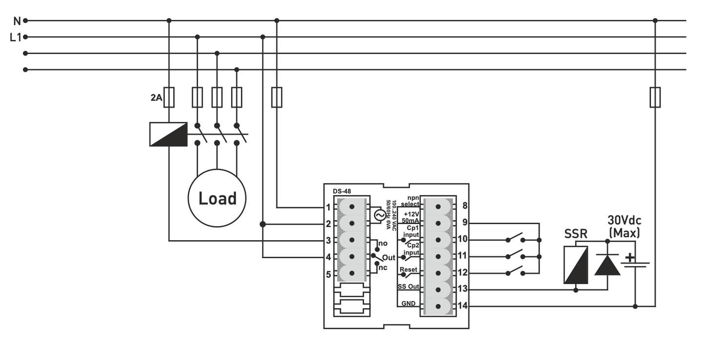
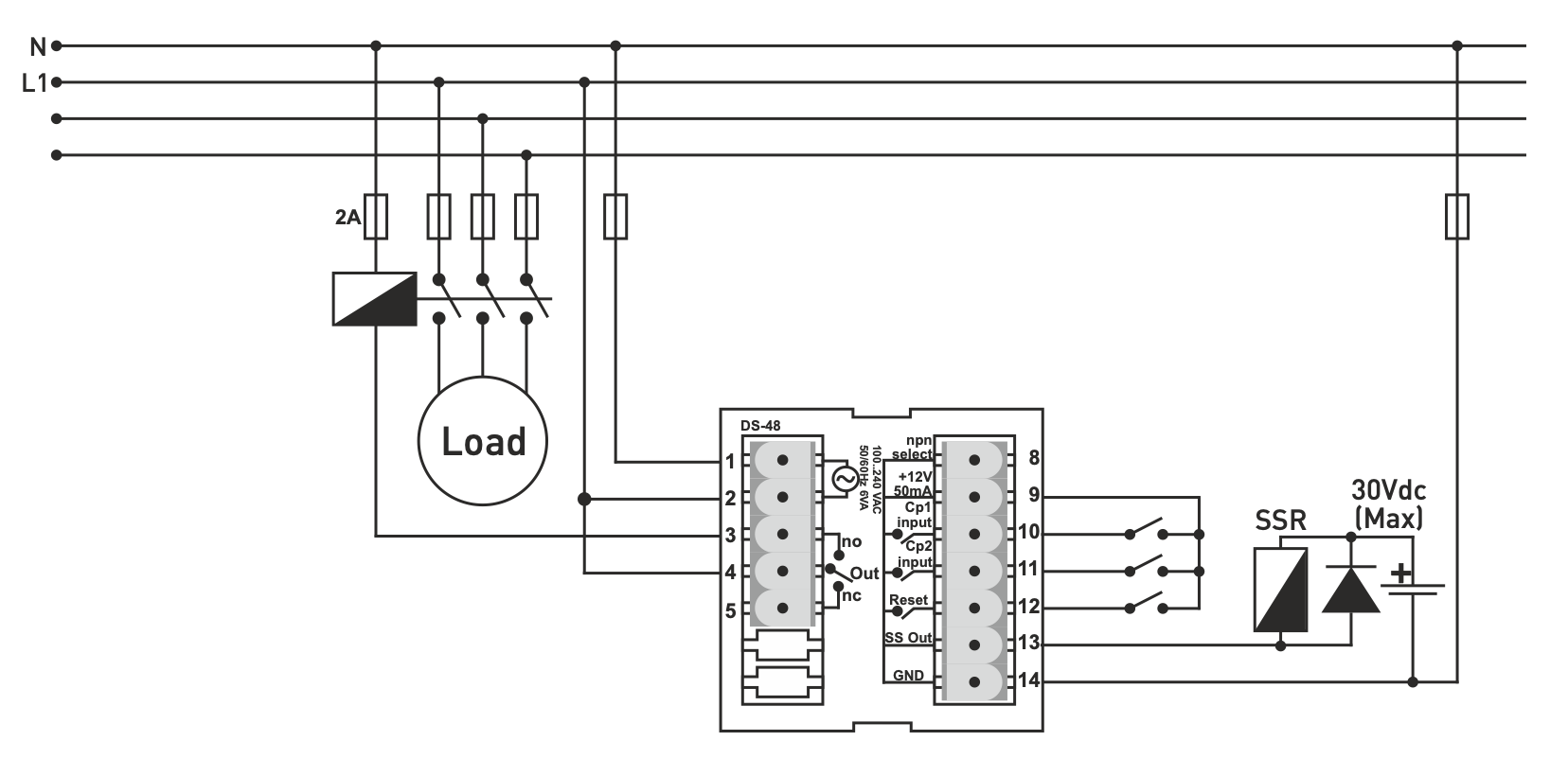
Podroben opis Števec impulzov za ploščo DS-48 (2x 4-mestni zaslon: 1x števec, 1x ciljna vrednost)
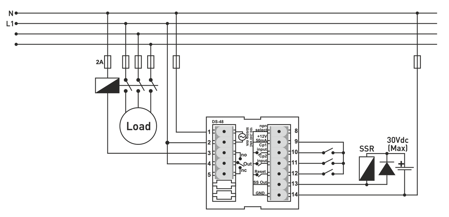
Splošna specifikacija števca impulzov DS-48: 2x 4-mestni prikazovalnik, 1x prednastavljena vrednost, 1x izhodni rele OUT, števec z ura/počitnik navzdol Šteje signale iz mehanskih stikal, induktivnih PNP/NPN senzorjev bližine in vhodov inkrementalnih enkoderjev. Zaščita z geslom. Izbirna vhodna frekvenca: 20, 50, 2500, 7500 Hz Kalibracijska konstanta: 0,001.....9,999 Izbirna decimalna vejica: 0, 0,0, 0,00, 0,000
7 vhodnih funkcij / 9 izhodnih funkcij: - Counting, - odštevanje, - seštevanje/števanje z dveh vhodov hkrati, - štetje/prekinitev štetja pod nadzorom drugega vhoda, - negacija vhoda, ki jo nadzoruje drugi vhod, - seštevanje/odštevanje z naraščajočega/padajočega roba/ obeh robov hkrati, - seštevanje z naraščajočega roba / odštevanje s padajočega roba / zanikanje funkcije z drugim vhodom
Nastavljiv "OFFSET" izračunane vrednosti Izhodni rele: vklopi se, ko je vrednost dosežena, in se zadrži do RESET-a ali impulza v območju 0,1.....999,9 sekunde Zapomni si vrednost štetja impulzov in stanje OUTput releja med zadnjim izpadom napajanja in ga je mogoče ponastaviti po prvem vklopu. Ponastavitev z gumbom na sprednji plošči ali signalom na priključku RESET (12). Pomnilnik EEPROM za shranjevanje nastavitev.
Opombe za namestitev:
Uporabite zaščiteni in zviti signalni kabel ter ozemljite zaslon. Vse signalne kable hranite stran od odklopnikov, induktivnih bremen, naprav/kabelov, ki oddajajo električni šum, in napajalnih kablov. Izogibajte se okoljskim vplivom, kot so vlaga, vibracije, umazanija in visoka/nizka temperatura. Uporabite varovalko (F250mA 250VAC) na omrežnem vhodu opreme. Za napajanje uporabite ustrezen kabel. Med namestitvijo upoštevajte varnostne predpise. Pred enkoderjem po možnosti uporabite možnost (Inpt = Phs1), izberite (Frequency = 20) za štetje impulzov mehanskega stikala ON-OFF, izberite optimalno najmanjšo vhodno frekvenco, ki ustreza vaši uporabi. Za Inpt = 1u2u, 1u2d, Phs2; frekvenca vhodnega signala ne sme biti večja od ½ izbrane vhodne frekvence, če se uporabljata oba vhoda.
Pred Inpt = Phs4; frekvenca vhodnega signala ne sme biti večja od ¼ izbrane vhodne frekvence, če se uporabljata oba vhoda.
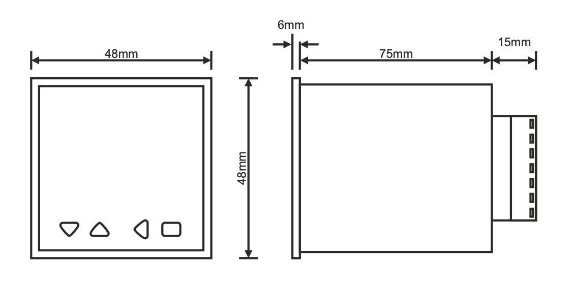
Tehnični parametri: Dimenzije / odprtina: 48x48x96 mm / 44x44 mm Prikazovalnik: 2x4-mestni 7-segmentni LED prikazovalnik. Število vhodov: 2 x (največ: 7500 Hz, 5-30 V) Vrsta vhoda: mehansko stikalo, induktivni senzor PNP/NPN, izhod kodirnika NPN/PNP/totemski pol Vhodne frekvence: 20, 50, 2500, 7500 Hz. Izbira senzorja NPN. Vhod za ponastavitev je vedno PNP. Pred totemskimi ali PNP-senzorji ni priključen "npn select". Ponastavitveni signal: sponka (12), najmanj 10 ms, + signal (samo PNP) (5.....30 V) Napajalna napetost: 100...240 V AC, 50-60 Hz. Poraba energije: < 8 VA Izhod (OUT): SPDT rele 250 VAC, 2A, uporovna obremenitev, sponke 4=COM, 3=NO, 5=NC, 1x krmiljenje SSR - NPN, 30 V, maks. 100 mA, sponka 13=SSout, 14=GND Napajanje senzorja: sponka (9) 12 VDC, 50 mA (max.), neregulirano Temperatura pretvorbe: -20 °C ... +55 °C |
Nadmorska višina nadzornika: <2000 m
Spletno plačilo s kartico - po zaključku naročila boste preusmerjeni na plačilni prehod, potrditev plačila bo poslana na vaš e-mail
COD - plačilo plačate po plačilnem nalogu vozniku prevoznika
Z bančnim nakazilom- najkasneje naslednji delovni dan na vaš e-mail prejmete avansni račun, na katerem je številka računa, ki jo boste vpisali ob plačilu.
Na predračun - ta možnost plačila je na voljo partnerjem, ki imajo z našim podjetjem podpisano okvirno pogodbo.
Če želite uporabiti zadnja 2 načina, pokličite našega upravitelja in dal vam bo navodila, kako prejeti račun z ali brez DDV.
Elektro oprema, ki jo dobavljamo, ustreza visokim standardom kakovosti, ima 24-mesečno garancijo in izpolnjuje vse zahteve EU.
V primeru reklamacije se vračilo blaga ne zaračuna.
Morda vam bo všeč tudi
Nedavno ogledani izdelki
- Izbira možnosti povzroči osvežitev celotne strani.
