
Imate vprašanje?
Obvestilo po e-pošti, ko bo izdelek na voljo
- Opis
- Navodila
- Načini plačila
- Garancija
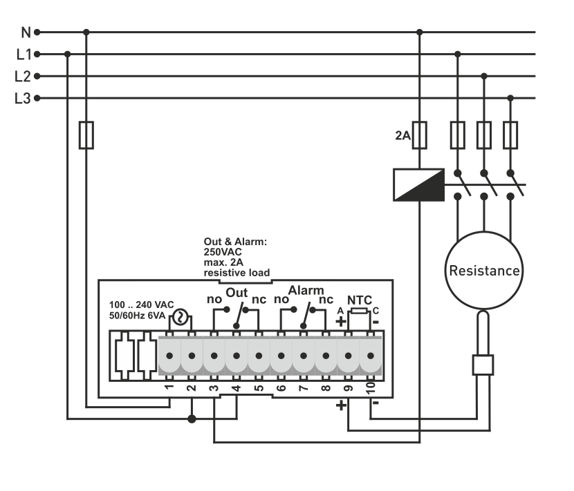
Termostat / dvotočkovni regulator temperature DT-322 - TENSE (Turčija)
Opis:
2-točkovni regulator temperature za montažo na ploščo z načinom ON-OFF. Zasnovan za nadzor in spremljanje toplotnih procesov v ogrevalnih, klimatskih in prezračevalnih sistemih, avtomatizaciji stavb in industrijskih aplikacijah.
Glavne funkcije
-
Tip senzorja: NTC
-
Izhodi: rele OUT in ALARM (NO+NC), 250 VAC, 2A
-
Izbirna funkcija: ogrevanje/hlajenje
-
Nastavljiva histereza za SET in ALARM
-
Zakasnitev vklopa izhoda OUT za način hlajenja
-
Nastavljivi časovniki ON/OFF za izhod OUT ob okvari senzorja
-
Zgornje in spodnje meje za nastavitve SET in ALARM
-
Pomnilnik EEPROM za shranjevanje nastavitev
-
Zaščita z geslom pred nepooblaščenimi spremembami parametrov
-
Visoka natančnost meritev
Tehnični parametri
-
Merilno območje: -19,9 °C ... +99,9 °C
-
Ločljivost/korak: 0,1 °C
-
Napajanje in delovanje: standardni format za montažo na ploščo
-
Relejski izhodi: 250 VAC / 2 A
Uporaba
-
Nadzor temperature v industrijski opremi, klimatizaciji in ogrevanju
-
Spremljanje temperaturnih procesov
-
Zaščita opreme in avtomatizacija procesov
Prenesi na
Spletno plačilo s kartico - po zaključku naročila boste preusmerjeni na plačilni prehod, potrditev plačila bo poslana na vaš e-mail
COD - plačilo plačate po plačilnem nalogu vozniku prevoznika
Z bančnim nakazilom- najkasneje naslednji delovni dan na vaš e-mail prejmete avansni račun, na katerem je številka računa, ki jo boste vpisali ob plačilu.
Na predračun - ta možnost plačila je na voljo partnerjem, ki imajo z našim podjetjem podpisano okvirno pogodbo.
Če želite uporabiti zadnja 2 načina, pokličite našega upravitelja in dal vam bo navodila, kako prejeti račun z ali brez DDV.
Elektro oprema, ki jo dobavljamo, ustreza visokim standardom kakovosti, ima 24-mesečno garancijo in izpolnjuje vse zahteve EU.
V primeru reklamacije se vračilo blaga ne zaračuna.
